Cos'è ElectroYou | Login Iscriviti

ElectroYou - la comunità dei professionisti del mondo elettrico

Output latching negli alimentatori stabilizzati

Elettronica lineare e digitale: didattica ed applicazioni

Moderatori: Foto Utentecarloc, Foto Utenteg.schgor, Foto UtenteBrunoValente, Foto UtenteIsidoroKZ

0
voti

[1] Output latching negli alimentatori stabilizzati

Messaggioda Foto UtentenikiT » 1 giu 2012, 1:19

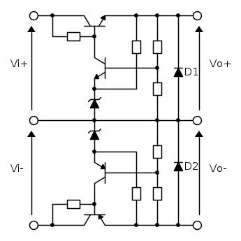
Dovrei realizzare un semplice alimentatore duale con amplificatore d'errore, più o meno di questo tipo.



Vorrei sapere se i due diodi D1 e D2 sono necessari anche in questo caso, per evitare il fenomeno dell'output latching, oppure se si possono omettere. Che ne pensate?

Grazie! :-)

Ciao,
Niki
Avatar utente
Foto UtentenikiT
963 1 4 8
Expert EY
Expert EY
 
Messaggi: 720
Iscritto il: 4 mag 2009, 9:18

0
voti

[2] Re: Output latching negli alimentatori stabilizzati

Messaggioda Foto UtenteSerTom » 1 giu 2012, 14:41

Puoi risparmiare quei 2 diodi se il circuito che vai ad alimentare assorbe la stessa corrente in entrambe i rami (in particolare nelle fasi di Pw on e Pw off), non soffre dello sbilanciamento delle 2 tensioni rispetto a massa e/o se l'alimentatore non è costretto a lavorare nei quadranti negativi (assorbire energia invece che fornirla.)

Bye O_/ Ser.Tom
Avatar utente
Foto UtenteSerTom
4.222 1 4 9
Expert EY
Expert EY
 
Messaggi: 1950
Iscritto il: 18 mag 2012, 9:57

0
voti

[3] Re: Output latching negli alimentatori stabilizzati

Messaggioda Foto UtenteIsidoroKZ » 1 giu 2012, 14:44

Metticeli: costano poco e portano bene. Non portanto tanto bene in questo circuito che non e` limitato in corrente, ma mettili comunque.
Per usare proficuamente un simulatore, bisogna sapere molta più elettronica di lui
Plug it in - it works better!
Il 555 sta all'elettronica come Arduino all'informatica! (entrambi loro malgrado)
Se volete risposte rispondete a tutte le mie domande
Avatar utente
Foto UtenteIsidoroKZ
121,2k 1 3 8
G.Master EY
G.Master EY
 
Messaggi: 21059
Iscritto il: 17 ott 2009, 0:00

0
voti

[4] Re: Output latching negli alimentatori stabilizzati

Messaggioda Foto UtentenikiT » 1 giu 2012, 15:54

Grazie a Foto UtenteIsidoroKZ e a Foto UtenteSerTom!

IsidoroKZ ha scritto:Non portanto tanto bene in questo circuito che non e` limitato in corrente, ma mettili comunque.


L'aggancio delle uscite avviene solo quando è presente un circuito limitatore di corrente? In questo caso, porebbe verificarsi?

Ciao,
Niki
Avatar utente
Foto UtentenikiT
963 1 4 8
Expert EY
Expert EY
 
Messaggi: 720
Iscritto il: 4 mag 2009, 9:18

0
voti

[5] Re: Output latching negli alimentatori stabilizzati

Messaggioda Foto UtenteIsidoroKZ » 1 giu 2012, 17:08

Quando il circuito e` limitato in corrente, uno dei due limitatori interviene prima e quell'uscita viene trascinata dall'altra. Invece qui probabilmente bruci i transistori, a meno che non ci sia una limitazione sulla sorgente prima del regolatore.
Per usare proficuamente un simulatore, bisogna sapere molta più elettronica di lui
Plug it in - it works better!
Il 555 sta all'elettronica come Arduino all'informatica! (entrambi loro malgrado)
Se volete risposte rispondete a tutte le mie domande
Avatar utente
Foto UtenteIsidoroKZ
121,2k 1 3 8
G.Master EY
G.Master EY
 
Messaggi: 21059
Iscritto il: 17 ott 2009, 0:00

0
voti

[6] Re: Output latching negli alimentatori stabilizzati

Messaggioda Foto UtentenikiT » 2 giu 2012, 0:06

Grazie Foto UtenteIsidoroKZ, sei stato chiarissimo! Allora provvederò a montare i due diodi. :-)

Ciao,
Niki
Avatar utente
Foto UtentenikiT
963 1 4 8
Expert EY
Expert EY
 
Messaggi: 720
Iscritto il: 4 mag 2009, 9:18


Torna a Elettronica generale

Chi c’è in linea

Visitano il forum: Nessuno e 164 ospiti