Salve sto realizzando un circuito che serve per un caricabatterie e sto utilizzato questo integrato, qui potete trovare il datasheet http://www.ti.com/lit/ds/symlink/lm2576.pdf
Dato che l'integrato viene dall'estero ed e' l'unico elemento di cui ho i dubbi sul funzionamento, vorrei chiedervi se esiste un metodo veloce per testare se questo integrato funziona o mi è stato venduto rotto.
Ne ho quetro e ne ho provati 2 sul circuito ma entrambi non danno in uscita alcuna tensione.
PS: se volte posso pubblicare le foto del circuito
Regolatore di tensione LM2576T -ADJ
Moderatori:
carloc,
g.schgor,
BrunoValente,
IsidoroKZ
0
voti
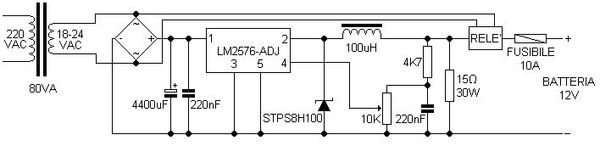
Ecco l'immagine dello schema, spero vada bene. (Questa immagine è stata presa da un altro forum.)
Se volete pubblico anche le foto del circuito realizzato da me.
A me interessa solo sapere se l'integrato funziona o meno.
NB: non ho il sorgente dell'immagine in fidocadj
Se volete pubblico anche le foto del circuito realizzato da me.
A me interessa solo sapere se l'integrato funziona o meno.
NB: non ho il sorgente dell'immagine in fidocadj
- Allegati
-
- 1249224494-2.jpg (20.72 KiB) Osservato 7404 volte
0
voti
Il problema che ho è il seguente:
dopo aver raddrizzato la tenione sul pin 1 del lm ho un valore di 26V, il pin 2 non ha tensione (qui sta il problema), pin 3 e 5 sono a massa, pin 4 regola la tensione dell'integrato
dopo aver raddrizzato la tenione sul pin 1 del lm ho un valore di 26V, il pin 2 non ha tensione (qui sta il problema), pin 3 e 5 sono a massa, pin 4 regola la tensione dell'integrato
1
voti
Di quel circuito si e' parlato poco tempo fa in questo thread.
Leggilo con attenzione; poi se vuoi continuare posta delle foto.
P.S. Per fare gli schemi, non bisogna aspettare di avere il sorgente FidoCadJ; si disegnano.
Leggilo con attenzione; poi se vuoi continuare posta delle foto.
P.S. Per fare gli schemi, non bisogna aspettare di avere il sorgente FidoCadJ; si disegnano.
marco
0
voti
Grazie
marco438 per i chiarimenti, a saperlo prima continuavo su quel thread, il problema è che ho realizzato il circuito solo che misurando le uscite non ottengo alcuna tensione.
Per le foto eccone qui un paio,
Nota: dato che mi sono reso conto che avevo sbagliato a collegare i 2 pin del trimmer da 10k prima di fare delle foto, nelle immagini che carico ho disegnato come sono attualmente collegati a massa e alla resistenza da 4k7 ohm i 2 piedini. La freccia nera indica dove è collegata ora la resistenza da 4700.
Nota2: la resistenza in alto (100 ohm) mi è servita per abbassare la tensione e alimentare una ventola ed un rele'.
Spero di essermi spiegato
Per le foto eccone qui un paio,
Nota: dato che mi sono reso conto che avevo sbagliato a collegare i 2 pin del trimmer da 10k prima di fare delle foto, nelle immagini che carico ho disegnato come sono attualmente collegati a massa e alla resistenza da 4k7 ohm i 2 piedini. La freccia nera indica dove è collegata ora la resistenza da 4700.
Nota2: la resistenza in alto (100 ohm) mi è servita per abbassare la tensione e alimentare una ventola ed un rele'.
Spero di essermi spiegato
- Allegati
-
- DSC_0521-2.jpg (164.69 KiB) Osservato 7386 volte
-
- DSC_0517-2.jpg (111.76 KiB) Osservato 7386 volte
0
voti
L'impedenza è costruita seguendo le istruzioni del forum da cui ho preso lo schema. In pratica dicevano di effettuare 60 avvolgimenti con filo smaltato da almeno 1mm. Io avevo filo da 1,2 mm e penso che vada bene.
0
voti
E naturalmente e' stata avvolta su un nucleo di uno switching da computer; cosa ti fa pensare che possa avere un valore anche simile ai 100uH?
In questi circuiti l'impedenza e' abbastanza critica e questo potrebbe essere uno dei motivi di malfunzionamento.
Comunque domattina do un'occhiata alle foto per vedere se c'e' qualcosa d'altro.
Farebbe comodo una foto lato componenti senza il dissipatore del regolatore, se puoi smontarlo; altrimenti si capisce poco.
In questi circuiti l'impedenza e' abbastanza critica e questo potrebbe essere uno dei motivi di malfunzionamento.
Comunque domattina do un'occhiata alle foto per vedere se c'e' qualcosa d'altro.
Farebbe comodo una foto lato componenti senza il dissipatore del regolatore, se puoi smontarlo; altrimenti si capisce poco.
marco
0
voti
La foto posso farla soltanto che ho staccato l'integrato ed ho inserito dei connettori dato che credevo di aver bruciato il primo integrato durante la saldatura. Io ho comunque verificato che essi siano connessi ai vari capi del circuito come richiesto dallo schema. dopo allego la foto.
Chi c’è in linea
Visitano il forum: Nessuno e 33 ospiti

Elettrotecnica e non solo (admin)
Un gatto tra gli elettroni (IsidoroKZ)
Esperienza e simulazioni (g.schgor)
Moleskine di un idraulico (RenzoDF)
Il Blog di ElectroYou (webmaster)
Idee microcontrollate (TardoFreak)
PICcoli grandi PICMicro (Paolino)
Il blog elettrico di carloc (carloc)
DirtEYblooog (dirtydeeds)
Di tutto... un po' (jordan20)
AK47 (lillo)
Esperienze elettroniche (marco438)
Telecomunicazioni musicali (clavicordo)
Automazione ed Elettronica (gustavo)
Direttive per la sicurezza (ErnestoCappelletti)
EYnfo dall'Alaska (mir)
Apriamo il quadro! (attilio)
H7-25 (asdf)
Passione Elettrica (massimob)
Elettroni a spasso (guidob)
Bloguerra (guerra)


