Avevo iniziato ad usare LTSpice però il professore oggi ha detto che nel corso di elettronica digitale verrà utilizzato PSpice con creazione della netlist e ha fatto un esempio, però non riesco a capire bene come bisogna scrivere i nodi ad esempio se creo una netlist di un partitore di tensione del tipo:
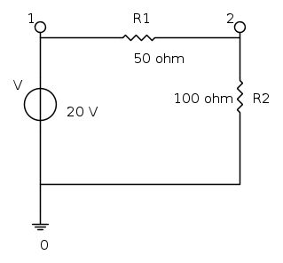
V 1 0 20
R1 1 2 50
R2 2 0 100
.tran 0 10
.probe
.end
Che dovrebbe rappresentare il circuito seguente:
perché mi appare il messaggio di errore ERROR(ORPSIM-15141): Less than 2 connections at node 1?
PSpice AD
Moderatori:
carloc,
g.schgor,
BrunoValente,
IsidoroKZ
6 messaggi
• Pagina 1 di 1
3
voti
[2] Re: PSpice AD
ireon ha scritto:... perché mi appare il messaggio di errore ERROR(ORPSIM-15141): Less than 2 connections at node 1?
Perché la prima riga non viene mai interpretata e di conseguenza il ramo con il GIT non esiste per la rete associata a quella netlist, ovvero la riga
V 1 0 20
viene presa come fosse il "titolo" della netlist e quindi al nodo 1 risulta collegato solo il resistore R1.
"Il circuito ha sempre ragione" (Luigi Malesani)
0
voti
[5] Re: PSpice AD
ireon ha scritto:Ma le limitazioni della versione lite quali sarebbero?
Limits
The following limits apply to the Student Version of the products:
PSpice A/D
Circuit simulation is limited to circuits with up to:
64 nodes
10 transistors
65 digital primitive devices
10 transmission lines in total (ideal or non-ideal)
4 pairwise coupled transmission lines.
Additional limits:
The sample library includes 39 analog and 134 digital parts.
Device characterization in the PSpice Model Editor is limited to diodes.
Stimulus generation in the PSpice Stimulus Editor is limited to sine waves (analog) and clocks (digital).
Circuit optimization with the PSpice Optimizer is limited to one goal, one parameter, and one constraint.
You can not create CSDF format data files.
You can only display simulation data from simulations performed with the Student Version of the simulator.
Schematics
You can place a maximum of 50 parts on a schematic design.
You can only draw on size A sheets.
Capture
The PSpice libraries are the only ones included. The standard Capture libraries are not included.
Import facilities, netlisters, and accessories that are not relevant to PSpice are not included.
You can not save a design that contains more than 60 parts. (You can view or create larger designs, but you can not save them.)
You can not save a library that contains more than 15 parts.
Minimum hardware requirements
Intel Pentium 90MHz or equivalent processor
Windows 95, Windows 98 or Windows NT
16MB RAM (32MB recommended)
90MB of free hard disk space
CD-ROM drive
Mouse or similar pointing device
Distributing the Student Version of PSpice
The Student Version of PSpice can be distributed freely -- we encourage it -- providing all copyrights are observed and the software is not redistributed under another name.
Contacting customer support
To obtain assistance with the Student Version of PSpice, you can send questions to our customer support email address: mailto:tech.support@pspice.com
"Il circuito ha sempre ragione" (Luigi Malesani)
0
voti
[6] Re: PSpice AD
Ok comunque sto simulando i semplici circuiti che ha dato il professore con l'analisi in transitorio facendo variare i valori dei componenti per vedere come varia l'uscita, però non ho ben capito in cosa consiste il TIME STEP, cioè io posso impostare da quale istante iniziare l'analisi e a quale istante concludere, però il TIME STEP cioè il passo di visualizzazione in cosa consiste esattamente?
6 messaggi
• Pagina 1 di 1
Chi c’è in linea
Visitano il forum: Nessuno e 195 ospiti

Elettrotecnica e non solo (admin)
Un gatto tra gli elettroni (IsidoroKZ)
Esperienza e simulazioni (g.schgor)
Moleskine di un idraulico (RenzoDF)
Il Blog di ElectroYou (webmaster)
Idee microcontrollate (TardoFreak)
PICcoli grandi PICMicro (Paolino)
Il blog elettrico di carloc (carloc)
DirtEYblooog (dirtydeeds)
Di tutto... un po' (jordan20)
AK47 (lillo)
Esperienze elettroniche (marco438)
Telecomunicazioni musicali (clavicordo)
Automazione ed Elettronica (gustavo)
Direttive per la sicurezza (ErnestoCappelletti)
EYnfo dall'Alaska (mir)
Apriamo il quadro! (attilio)
H7-25 (asdf)
Passione Elettrica (massimob)
Elettroni a spasso (guidob)
Bloguerra (guerra)



