ho cercato di capire come realizzare un contatore display a 7 segmenti
ma ho trovato solo le indicazioni con il catodo comune
sono in possesso di un display ad anodo comune
alla fiera dell'elettronica ho comprato dei componenti:
3/4011
3/4017
3/4060
3/4093
3/4510
1/4511
3/555
3/74f163
partendo dal display 7 segmenti con anodo comune
devo entrare in un 4511 mentre per un anodo comune ho trovato questo 7446 non in mio possesso
ho visto che l'8 e il 16 sono l'alimentazione
i pin 1/2/6/7 sono identici al 4511
ho dei dubbi sui pin
3/BI/RBO che nel 4511 è ?
4/RBI che nel 4511 è ?
5/LT che nel 4511 è il 3/LT
sono fermo in questa posizione
non ho basi di elettronica
sto cercando di studuare alla sera
cercate di essere elementari nelle spiegazioni
questo sarebbe il quarto dei miei esperimenti
ma mi sa che mi pianto
grazie
dimenticavo il clock
penso di realizzarlo con un 555 in astabile
contatore display 7 led
Moderatori:
carloc,
g.schgor,
BrunoValente,
IsidoroKZ
21 messaggi
• Pagina 1 di 3 • 1, 2, 3
0
voti
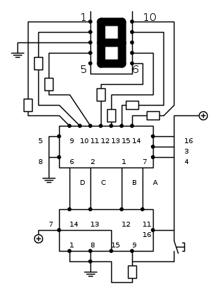
sono riuscito a ritrovare l'immagine che serve per capire il mio messaggio
posto l'url sotto code
ed ecco quello che sono riuscito a fare con fidocad
non mi ha messo i contatti degli integrati
posto l'url sotto code
- Codice: Seleziona tutto
http://www.techlearner.com/C&D/BCDto7Seg.htm
ed ecco quello che sono riuscito a fare con fidocad
non mi ha messo i contatti degli integrati
0
voti
Uno schema è qualcosa che deve trasmettere informazioni, quindi essere leggibile.
Se osservi i data sheet dei componenti e schemi altrui scoprirai che il tuo lavoro è qualcosa di impresentabile.
Rifallo, e bene. Nonscrivere altri post di nessuna natura, sopratutto polemica, fino a quando non posterai uno schema minimaente dignitoso. Poi potrai proseguire la discussione.
Se osservi i data sheet dei componenti e schemi altrui scoprirai che il tuo lavoro è qualcosa di impresentabile.
Rifallo, e bene. Nonscrivere altri post di nessuna natura, sopratutto polemica, fino a quando non posterai uno schema minimaente dignitoso. Poi potrai proseguire la discussione.
-

Candy
32,5k 7 10 13 - CRU - Account cancellato su Richiesta utente
- Messaggi: 10123
- Iscritto il: 14 giu 2010, 22:54
0
voti
fausto61 ha scritto:è venuta una porcheria
Questo e' evidente.
Prima di fare un qualsiasi circuito, la base di partenza e' lo studio del datasheet degli integrati che nello stesso vengono adoperati; senza conoscerne le funzioni, non si va da nessuna parte.
Per capire, grosso modo, come funzionano contatori, decodifiche e display, ti consiglio la lettura di questo articolo; gli integrati sono diversi (anche se simili per funzioni) ma il concetto di base e' spiegato e ci sono schemi cui puoi attingere per migliorare nel disegno in FidoCadJ.
Quando avrai capito come "ci si deve muovere", rifai lo schema (anche sbagliato) in modo chiaro e corretto non omettendo alcun particolare (se cerchi il display lo trovi, altrimenti lo disegni).

marco
0
voti
ho visto questo tuo schema su un altro post
ma come anche per il tuo orologio digitale
adotti un catodo comune
come posso usarlo come anodo comune
mi accontento di provare con un pulsante
dopo espando il progetto con due display comandati da un 555
0
voti
Comincia con specificare quale contatore userai (nello schema e' usato un 4518)e quale display; poi ti serve una decodifica 7446/47 per ogni display. I collegamenti sono praticamente gli stessi.
P.S. Ma fino a che numero dovrebbe contare?
P.S. Ma fino a che numero dovrebbe contare?
marco
0
voti
la lista dei componenti in mio possesso sono
3/4011
3/4017
3/4060
3/4093
3/4510
1/4511
3/555
3/74f163
vorrei contare fino a 9 con lo 0
il problema è che ho recuperato un display doppio da un sensore di parcheggio che si è rotto
ed ha 2 comuni come anodo per ogni display
mentre il resto dei segmenti sono uguali per entrambi i display a/b/c/d/e/f/g
se vuoi ti posto una foto?
voglio per il momento usare solo un display per semplificare il lavoro
e capirci qualcosa
sono arrivato con capire cosa sono gli ingressi del 4511 D6 C2 B1 A7
sono dei bit a 4 impulsi
per capirlo meglio bisogna ragionare in binario
cioè nel linguaggio elettronico il quale riconosce solo 2 stati
1) c'è la corrente - 1 - High - stato logico alto - On - acceso
2) non c'è la corrente - 0 - Low - stato logico basso - Off - spento
con questo sistema binario a 2 stati possibili non si riesce a calcolare molto
per questo bisogna creare più impulsi, ingessi o entrate
come per esempio 4 ingressi o 4 bit che corrispondono a 4 pulsanti che saranno su 0 o 1
acceso o spento alto o basso ecc.
In funzione di quale ingresso useremo avremmo diversi valori
questi 4 ingressi si chiamano appunto D C B A
se si mette a 1 l'ingesso A e a 0 gli altri
avremmo un valore di 1
se si mette a 0 l'ingresso A e a 1 il B
avremmo il valore 2
D C B A
0 0 0 0 = 0
0 0 0 1 = 1
0 0 1 0 = 2
0 0 1 1 = 3
0 1 0 0 = 4
da adesso in poi avremo le somme sui bit
per fare il 5 occorre sommare 4 + 1
0 1 0 1 = 5
0 1 1 0 = 6
0 1 1 1 = 7
1 0 0 0 = 8
1 0 0 1 = 9
nel sistema binario non si usano le decine ma bensi delle lettere fino alla F
per fare il 10 decimale si deve sommare l'8 e il 2 che diventerà A
1 0 1 0 = A che corrisponde al 10 in decimale
1 0 1 1 = B
1 1 0 0 = C
1 1 0 1 = D
1 1 1 0 = E
1 1 1 1 = F
ecco il sistema binario
3/4011
3/4017
3/4060
3/4093
3/4510
1/4511
3/555
3/74f163
vorrei contare fino a 9 con lo 0
il problema è che ho recuperato un display doppio da un sensore di parcheggio che si è rotto
ed ha 2 comuni come anodo per ogni display
mentre il resto dei segmenti sono uguali per entrambi i display a/b/c/d/e/f/g
se vuoi ti posto una foto?
voglio per il momento usare solo un display per semplificare il lavoro
e capirci qualcosa
sono arrivato con capire cosa sono gli ingressi del 4511 D6 C2 B1 A7
sono dei bit a 4 impulsi
per capirlo meglio bisogna ragionare in binario
cioè nel linguaggio elettronico il quale riconosce solo 2 stati
1) c'è la corrente - 1 - High - stato logico alto - On - acceso
2) non c'è la corrente - 0 - Low - stato logico basso - Off - spento
con questo sistema binario a 2 stati possibili non si riesce a calcolare molto
per questo bisogna creare più impulsi, ingessi o entrate
come per esempio 4 ingressi o 4 bit che corrispondono a 4 pulsanti che saranno su 0 o 1
acceso o spento alto o basso ecc.
In funzione di quale ingresso useremo avremmo diversi valori
questi 4 ingressi si chiamano appunto D C B A
se si mette a 1 l'ingesso A e a 0 gli altri
avremmo un valore di 1
se si mette a 0 l'ingresso A e a 1 il B
avremmo il valore 2
D C B A
0 0 0 0 = 0
0 0 0 1 = 1
0 0 1 0 = 2
0 0 1 1 = 3
0 1 0 0 = 4
da adesso in poi avremo le somme sui bit
per fare il 5 occorre sommare 4 + 1
0 1 0 1 = 5
0 1 1 0 = 6
0 1 1 1 = 7
1 0 0 0 = 8
1 0 0 1 = 9
nel sistema binario non si usano le decine ma bensi delle lettere fino alla F
per fare il 10 decimale si deve sommare l'8 e il 2 che diventerà A
1 0 1 0 = A che corrisponde al 10 in decimale
1 0 1 1 = B
1 1 0 0 = C
1 1 0 1 = D
1 1 1 0 = E
1 1 1 1 = F
ecco il sistema binario
21 messaggi
• Pagina 1 di 3 • 1, 2, 3
Chi c’è in linea
Visitano il forum: Google [Bot] e 64 ospiti

Elettrotecnica e non solo (admin)
Un gatto tra gli elettroni (IsidoroKZ)
Esperienza e simulazioni (g.schgor)
Moleskine di un idraulico (RenzoDF)
Il Blog di ElectroYou (webmaster)
Idee microcontrollate (TardoFreak)
PICcoli grandi PICMicro (Paolino)
Il blog elettrico di carloc (carloc)
DirtEYblooog (dirtydeeds)
Di tutto... un po' (jordan20)
AK47 (lillo)
Esperienze elettroniche (marco438)
Telecomunicazioni musicali (clavicordo)
Automazione ed Elettronica (gustavo)
Direttive per la sicurezza (ErnestoCappelletti)
EYnfo dall'Alaska (mir)
Apriamo il quadro! (attilio)
H7-25 (asdf)
Passione Elettrica (massimob)
Elettroni a spasso (guidob)
Bloguerra (guerra)




