Ciao potete aiutarmi?
Ho un'Onda Quadra (duty cycle 50%, componente DC = 0 V, ampiezza= 3 Vpp, frequenza variabile, max 20kHz)
Che circuito posso usare per modulare l'ampiezza dell'onda, utilizzando una tensione di ingresso ad esempio da 0 a 5 V (ma non per forza). Voglio che l'ampiezza vari ad esempio da 0 a Vpp max
Modulare ampiezza di un'onda quadra
Moderatori:
carloc,
g.schgor,
BrunoValente,
IsidoroKZ
46 messaggi
• Pagina 1 di 5 • 1, 2, 3, 4, 5
0
voti
0
voti
P.s. Magari se specifichi anche da dove proviene l'onda quadra... "Non farei mai parte di un club che accettasse la mia iscrizione" (G. Marx)
-

claudiocedrone
21,3k 4 7 9 - Master EY

- Messaggi: 15302
- Iscritto il: 18 gen 2012, 13:36
3
voti
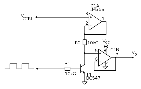
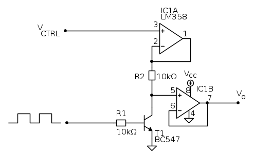
Prova così.
Attenzione che l''onda quadra viene così ad essere in controfase, se è un problema devi invertire l'ingresso.
Ciao,
Pietro.
Attenzione che l''onda quadra viene così ad essere in controfase, se è un problema devi invertire l'ingresso.
Ciao,
Pietro.
-

PietroBaima
90,7k 7 12 13 - G.Master EY

- Messaggi: 12206
- Iscritto il: 12 ago 2012, 1:20
- Località: Londra
0
voti
claudiocedrone ha scritto::-) Non penso che basti, specifica se vuoi una regolazione o una modulazione; sono due cose diverse.P.s. Magari se specifichi anche da dove proviene l'onda quadra...
E' una modulazione.
In pratica sto costruendo (almeno provo) un synth da zero.
L'onda proviene da un normale inseguitore di tensione, con 1 op amp, prima ancora c'è l'oscillatore. E deve andare a finire in un sommatore sempre fatto con op amp. Devo sommare 3 diverse forme d'onda. Prima di sommare voglio un controllo sule ampiezze picco picco delle forme d'onda, in modo da poter creare degli effetti, usando degli LFO (low voltage oscillator) o roba simile.
PietroBaima ha scritto:Prova così.
Attenzione che l''onda quadra viene così ad essere in controfase, se è un problema devi invertire l'ingresso.
Ciao,
Pietro.
Grazie Pietro, lo vado a simulare con Spice e ti faccio sapere. Puoi spiegarmi velocemente come lavora questo circuito?
Non è un problema la fase dell'onda.
0
voti
L'ho simulato e funziona, però non proprio come vorrei. Ho capito il funzionamento: T1 fa da interruttore. Quando è OFF mando in uscita la tensione di controllo, quando è ON mando l'uscita a massa.
In questo modo però inserisco una componente DC che non è desiderata. cioè se prima il segnale era fra -3 e 3, Adesso tra Vcontrol e gnd. E poiché devo poi sommare tutto, queste componenti dc mi potrebbero portare gli stadi successivi in saturazione.
Magari devo usare un filtro passa alto?
In questo modo però inserisco una componente DC che non è desiderata. cioè se prima il segnale era fra -3 e 3, Adesso tra Vcontrol e gnd. E poiché devo poi sommare tutto, queste componenti dc mi potrebbero portare gli stadi successivi in saturazione.
Magari devo usare un filtro passa alto?
1
voti
yep.
Avevo capito che l'uscita dovesse variare tra 0 e Vpp.
Anyway, che frequenza massima può avere la
?
Avevo capito che l'uscita dovesse variare tra 0 e Vpp.
Anyway, che frequenza massima può avere la
?-

PietroBaima
90,7k 7 12 13 - G.Master EY

- Messaggi: 12206
- Iscritto il: 12 ago 2012, 1:20
- Località: Londra
0
voti
Molto bassa la frequenza. Direi sotto i 20 hertz.
hai ragione, ho scritto effettivamente da 0 a Vpp! scusami
hai ragione, ho scritto effettivamente da 0 a Vpp! scusami
1
voti
Molto semplicemente puoi fare un partitore con un fotoaccoppiatore a fotoresistenza. Qui puoi trovare qualche spunto.
Il fotoaccoppiatore puoi anche costruirlo tu con un led e una fotoresistenza racchiusi in un piccolo contenitore.
Il fotoaccoppiatore puoi anche costruirlo tu con un led e una fotoresistenza racchiusi in un piccolo contenitore.
-

BrunoValente
39,6k 7 11 13 - G.Master EY

- Messaggi: 7796
- Iscritto il: 8 mag 2007, 14:48
46 messaggi
• Pagina 1 di 5 • 1, 2, 3, 4, 5
Chi c’è in linea
Visitano il forum: Nessuno e 58 ospiti

Elettrotecnica e non solo (admin)
Un gatto tra gli elettroni (IsidoroKZ)
Esperienza e simulazioni (g.schgor)
Moleskine di un idraulico (RenzoDF)
Il Blog di ElectroYou (webmaster)
Idee microcontrollate (TardoFreak)
PICcoli grandi PICMicro (Paolino)
Il blog elettrico di carloc (carloc)
DirtEYblooog (dirtydeeds)
Di tutto... un po' (jordan20)
AK47 (lillo)
Esperienze elettroniche (marco438)
Telecomunicazioni musicali (clavicordo)
Automazione ed Elettronica (gustavo)
Direttive per la sicurezza (ErnestoCappelletti)
EYnfo dall'Alaska (mir)
Apriamo il quadro! (attilio)
H7-25 (asdf)
Passione Elettrica (massimob)
Elettroni a spasso (guidob)
Bloguerra (guerra)



pigreco]=π