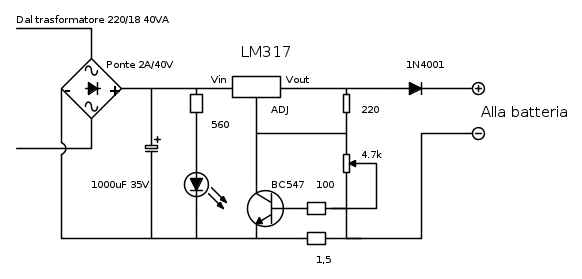
Ciao a tutti,ho realizzato il seguene schema per caricare la mia batteria al piombo gel 12V/4Ah
Sapreste consigliarmi come mettere un led che indichi la fine della carica?
Aggiunta a caricabatterie 12v
Moderatori:
carloc,
g.schgor,
BrunoValente,
IsidoroKZ
25 messaggi
• Pagina 1 di 3 • 1, 2, 3
0
voti
simo85 ha scritto:Potresti usare un comparatore LM311.
Sul terminale di VOut hai i 12 V circa (non ho fatto calcoli), giusto?
Per caricare la batteria uso una tesione di circa 13,8-14 volt
0
voti
--------------------------------------------------------------
Leggo ora la tua risposta: se abbassi un po' la tensione sull'uscita del caricabatteria (come detto sui 13,6/13,7V), puoi lasciare la batteria sotto carica indefinitamente.
Sulla batteria dovrebbe esserci scitta la tensione sia in carica ciclica che in carica stand-by.
-

FedericoSibona
5.022 3 5 8 - Master

- Messaggi: 3951
- Iscritto il: 19 mar 2013, 11:43
1
voti
Senza complicarti la vita, lascia tutto come sta' e considera un tempo di ricarica di 12/13 ore.
Con quello schema hai impostato la corrente di ricarica a 400mA e questa scendera' nel tempo fino a valori minimi che non dovrebbero danneggiare la batteria; quindi anche se la lasci sotto carica due/tre ore in piu' non muore nessuno.
Quello che al contrario, mi sembra debba morire a breve, e' quel led dopo il ponte che vedrei piu' sicuro con una resistenza da 1200 ohm.
Con quello schema hai impostato la corrente di ricarica a 400mA e questa scendera' nel tempo fino a valori minimi che non dovrebbero danneggiare la batteria; quindi anche se la lasci sotto carica due/tre ore in piu' non muore nessuno.
Quello che al contrario, mi sembra debba morire a breve, e' quel led dopo il ponte che vedrei piu' sicuro con una resistenza da 1200 ohm.
marco
0
voti
marco438 ha scritto: hai impostato la corrente di ricarica a 400mA e questa scendera' nel tempo fino a valori minimi che non dovrebbero danneggiare la batteria; quindi anche se la lasci sotto carica due/tre ore in piu' non muore nessuno.
Anche considerando che stai caricando con una tensione abbastanza bassa rispetto allo standard di una carica ciclica. Quindi, come dice Marco, direi che anche se la lasci un giorno intero sotto carica, non succederà nulla.
-

FedericoSibona
5.022 3 5 8 - Master

- Messaggi: 3951
- Iscritto il: 19 mar 2013, 11:43
0
voti
marco438 ha scritto:Hai letto quanto ho scritto circa il led? Cosi' attualmente lavora a piu' di 40mA e.......si brucia.
Sisi tranquillo,cambio resistenza prima di usarlo.Va bene anche da 1,5k ohm?
25 messaggi
• Pagina 1 di 3 • 1, 2, 3
Chi c’è in linea
Visitano il forum: Nessuno e 109 ospiti

Elettrotecnica e non solo (admin)
Un gatto tra gli elettroni (IsidoroKZ)
Esperienza e simulazioni (g.schgor)
Moleskine di un idraulico (RenzoDF)
Il Blog di ElectroYou (webmaster)
Idee microcontrollate (TardoFreak)
PICcoli grandi PICMicro (Paolino)
Il blog elettrico di carloc (carloc)
DirtEYblooog (dirtydeeds)
Di tutto... un po' (jordan20)
AK47 (lillo)
Esperienze elettroniche (marco438)
Telecomunicazioni musicali (clavicordo)
Automazione ed Elettronica (gustavo)
Direttive per la sicurezza (ErnestoCappelletti)
EYnfo dall'Alaska (mir)
Apriamo il quadro! (attilio)
H7-25 (asdf)
Passione Elettrica (massimob)
Elettroni a spasso (guidob)
Bloguerra (guerra)




