Ciao a tutti,
sono impegnato già da un po' di giorni nella costruzione di un circuitino con lo scopo di misurare la corrente tramite un Micro (ingresso analogico 0-5V).
Non riuscendo a far funzionare il tutto, ho provato e riprovato varie configurazioni per poi accorgermi che l'errore non è nel circuito, ma è probabilmente nel modo in cui utilizzo l'oscilloscopio.
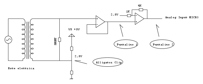
Nel circuito il cui disegno è di seguito creo una tensione di riferimento di 2,5 volt sulla quale andare a misurare la caduta di tensione indotta dalla resistenza di shunt.
In pratica tramite un multimetro mi sono accorto che, nel momento in cui collego l'alligator clip e il puntalino della sonda dell'oscilloscopio rispettivamente alla tensione di riferimento e sopra la resistenza di shunt, le tensioni mi vengono sballate come se la sonda mi portasse tutto a massa.
Prima di questo esperimento ho sempre pensato che l'oscilloscopio facesse una analisi del segnale in maniera differenziale tra il puntalino e l'alligator clip, non avrei mai pensato che si riferisse a massa, non so nemmeno se è una cosa corretta o potrebbe essere un malfunzionamento.
In seguito ho provato a leggere il manuale e variare dei parametri per capire se ciò è normale e magari esiste un opzione per riferire l'alligator clip a massa o flottante, ma francamente non ho capito.
Per la cronaca l'oscilloscopio che uso è un Hameg HM604,
Ringrazio chiunque mi dia un suggerimento!
Ciao
Oscilloscopio e riferimento a Ground
Moderatori:
carloc,
g.schgor,
BrunoValente,
IsidoroKZ
8 messaggi
• Pagina 1 di 1
3
voti
piertoni ha scritto:Prima di questo esperimento ho sempre pensato che l'oscilloscopio facesse una analisi del segnale in maniera differenziale tra il puntalino e l'alligator clip
No, l'ingresso di un oscilloscopio è tipicamente riferito a terra. Ci sono oscilloscopi con ingressi differenziali, ma non sono comuni.
piertoni ha scritto:non so nemmeno se è una cosa corretta o potrebbe essere un malfunzionamento.
E' corretto.
piertoni ha scritto:magari esiste un opzione per riferire l'alligator clip a massa o flottante, ma francamente non ho capito.
No, per quell'oscilloscopio non esiste. Per fare una misura differenziale puoi usare contemporaneamente due canali facendone la differenza (modo ADD+INVERT con la stessa scala verticale): non è proprio come avere un ingresso differenziale (il CMRR è basso e la dinamica limitata), ma meglio che niente.
It's a sin to write
instead of
(Anonimo).
...'cos you know that
ain't
, right?
You won't get a sexy tan if you write
in lieu of
.
Take a log for a fireplace, but don't take
for
arithm.
instead of
(Anonimo)....'cos you know that
ain't
, right?You won't get a sexy tan if you write
in lieu of
.Take a log for a fireplace, but don't take
for
arithm.-

DirtyDeeds
55,9k 7 11 13 - G.Master EY

- Messaggi: 7012
- Iscritto il: 13 apr 2010, 16:13
- Località: Somewhere in nowhere
1
voti
Non hai specificato se il circuito che stai testando ha il riferimento connesso a terra.
Dallo schema, per via del trasformatore, sembrerebbe isolato dalla rete, quindi, se il riferimento è a terra potresti scollegarlo per effettuare la misura.
Confermo anch'io: il comune delle sonde dell'oscilloscopio è in connessione con il riferimento dei circuiti interni dello strumento e con il contatto di terra della spina di alimentazione.
Dallo schema, per via del trasformatore, sembrerebbe isolato dalla rete, quindi, se il riferimento è a terra potresti scollegarlo per effettuare la misura.
Confermo anch'io: il comune delle sonde dell'oscilloscopio è in connessione con il riferimento dei circuiti interni dello strumento e con il contatto di terra della spina di alimentazione.
-

BrunoValente
39,6k 7 11 13 - G.Master EY

- Messaggi: 7796
- Iscritto il: 8 mag 2007, 14:48
0
voti
Ringrazio tutti per l'aiuto, alla fine sono riuscito a far funzionare il tutto non senza ulteriori problemi (passare dalla teoria alla pratica non è indolore).
Nella fattispecie ho aggiunto un operazionale inseguitore tra le due resistenze che mi creano i 2,5V e il trasformatore (come tensione di riferimento).
Senza di questo l'oscilloscopio rilevava sulla resistenza di shunt e in uscita dell'amplificatore delle sinusoidi errate.
Mi sono anche accorto che applicando il calcolo matematico per ricavare la corrente in situazione ideale ottengo dei valori che sono lontani da quello che ottengo in pratica; ho fatto e rifatto i calcoli e sono corretti, in ogni caso dovrò fare degli esperimenti ancora più puntuali e magari vi aggiorno.
Nella fattispecie ho aggiunto un operazionale inseguitore tra le due resistenze che mi creano i 2,5V e il trasformatore (come tensione di riferimento).
Senza di questo l'oscilloscopio rilevava sulla resistenza di shunt e in uscita dell'amplificatore delle sinusoidi errate.
Mi sono anche accorto che applicando il calcolo matematico per ricavare la corrente in situazione ideale ottengo dei valori che sono lontani da quello che ottengo in pratica; ho fatto e rifatto i calcoli e sono corretti, in ogni caso dovrò fare degli esperimenti ancora più puntuali e magari vi aggiorno.
1
voti
piertoni ha scritto:Mi sono anche accorto che applicando il calcolo matematico per ricavare la corrente in situazione ideale ottengo dei valori che sono lontani da quello che ottengo in pratica; ho fatto e rifatto i calcoli e sono corretti, in ogni caso dovrò fare degli esperimenti ancora più puntuali e magari vi aggiorno.
"lontani" non possono essere, attento che non ci sia qualche errore di fondo. Se posti il circuito che hai usato magari gli diamo un'occhiata e scopriamo il problema.
_______________________________________________________
Gli oscillatori non oscillano mai, gli amplificatori invece sempre
Io HO i poteri della supermucca, e ne vado fiero!
Gli oscillatori non oscillano mai, gli amplificatori invece sempre
Io HO i poteri della supermucca, e ne vado fiero!
0
voti

"Non farei mai parte di un club che accettasse la mia iscrizione" (G. Marx)
-

claudiocedrone
21,3k 4 7 9 - Master EY

- Messaggi: 15302
- Iscritto il: 18 gen 2012, 13:36
0
voti
Grazie per la disponiblità!
Sono curioso di approfondire i dati ottenuti perché in effetti si discostano parecchio da quanto idealmente mi aspetterei.
Al di la del circuito amplificatore che tutto sommato funziona, per verificare il funzionamento del trasformatore amperometrico ho semplicemente riferito a massa il TA e misurato con l'oscilloscopio l'altro lato della resistenza di shunt:
Nella fattispecie ho un carico da 30W (uno stagnatore), ma ho fatto 5 giri per ottenere 150W circa.
Per la cronaca il TA è un TAC032100X05 della FRER 100:5 A.
Come resistenza di shunt ho provato varie misure: da 1 a 500 ohm.
Senza resistenza di shunt è presente comunque una sinusoide, data forse dalla resistenza interna del TA.
Applicando resistenze alte la sinusoide rimane invariata, come se fosse un circuito aperto.
Alcuni Valori:
Con 1,8 ohm ottengo una sinusoide Picco Picco di 48mV circa
Con 5,5 ohm ottengo 75mV
Con 11 ohm ottengo 85mV
Con 18,8 ohm ottengo 95mV
Con 22,3 ohm ottengo 100mV
Esiste una proporzionalità, ma decisamente non certo V=R*I
Provo quindi a calcolare la corrente che mi aspetterei nel secondario:




Il valore che trovato nell'oscilloscopio è di 48mV con una resistenza di 1,8ohm e quindi circa la metà, con resistenze superiori è meglio lasciar perdere i dati sarebbero sballatissimi.
Inizialmente usavo una resistenza da 18ohm e quindi ottenevo risultati senza senso (avrei dovuto ottenere 0,82V), l'errore del 50% con la resistenza da 1.8ohm a confronto è oro colato!
Che dite? Devo perseguire la strada delle resistenze bassissime e amplificare? Oppure ho sbagliato qualcosa?
Al di la del circuito amplificatore che tutto sommato funziona, per verificare il funzionamento del trasformatore amperometrico ho semplicemente riferito a massa il TA e misurato con l'oscilloscopio l'altro lato della resistenza di shunt:
Nella fattispecie ho un carico da 30W (uno stagnatore), ma ho fatto 5 giri per ottenere 150W circa.
Per la cronaca il TA è un TAC032100X05 della FRER 100:5 A.
Come resistenza di shunt ho provato varie misure: da 1 a 500 ohm.
Senza resistenza di shunt è presente comunque una sinusoide, data forse dalla resistenza interna del TA.
Applicando resistenze alte la sinusoide rimane invariata, come se fosse un circuito aperto.
Alcuni Valori:
Con 1,8 ohm ottengo una sinusoide Picco Picco di 48mV circa
Con 5,5 ohm ottengo 75mV
Con 11 ohm ottengo 85mV
Con 18,8 ohm ottengo 95mV
Con 22,3 ohm ottengo 100mV
Esiste una proporzionalità, ma decisamente non certo V=R*I
Provo quindi a calcolare la corrente che mi aspetterei nel secondario:




Il valore che trovato nell'oscilloscopio è di 48mV con una resistenza di 1,8ohm e quindi circa la metà, con resistenze superiori è meglio lasciar perdere i dati sarebbero sballatissimi.
Inizialmente usavo una resistenza da 18ohm e quindi ottenevo risultati senza senso (avrei dovuto ottenere 0,82V), l'errore del 50% con la resistenza da 1.8ohm a confronto è oro colato!
Che dite? Devo perseguire la strada delle resistenze bassissime e amplificare? Oppure ho sbagliato qualcosa?
8 messaggi
• Pagina 1 di 1
Chi c’è in linea
Visitano il forum: Nessuno e 50 ospiti

Elettrotecnica e non solo (admin)
Un gatto tra gli elettroni (IsidoroKZ)
Esperienza e simulazioni (g.schgor)
Moleskine di un idraulico (RenzoDF)
Il Blog di ElectroYou (webmaster)
Idee microcontrollate (TardoFreak)
PICcoli grandi PICMicro (Paolino)
Il blog elettrico di carloc (carloc)
DirtEYblooog (dirtydeeds)
Di tutto... un po' (jordan20)
AK47 (lillo)
Esperienze elettroniche (marco438)
Telecomunicazioni musicali (clavicordo)
Automazione ed Elettronica (gustavo)
Direttive per la sicurezza (ErnestoCappelletti)
EYnfo dall'Alaska (mir)
Apriamo il quadro! (attilio)
H7-25 (asdf)
Passione Elettrica (massimob)
Elettroni a spasso (guidob)
Bloguerra (guerra)




