Ciao a tutti, devo usare un PT1000 per acquisire una temperatura da 10°C a 70°C. Vorrei avere una tensione pari a 0 V con 10°C e una tensione di 5 V con 70°C. Mi potete dare una mano?
Graie in anticipo.
PT1000
Moderatori:
carloc,
g.schgor,
BrunoValente,
IsidoroKZ
14 messaggi
• Pagina 1 di 2 • 1, 2
1
voti
[2] Re: PT1000
Allora, devi cominciare calcolando i valori della resistenza alle temperature estreme dell'intervallo che ti interessa.
Poi pilota la resistenza con un generatore di corrente costante, il valore della corrente dipende dal massimo autoriscaldamento che puoi tollerare.
Una volta fatto questo avrai che la tensione ai capi del sensore sarà:


una volta fatto questo possiamo continuare
P.S. puoi linkare il datasheet del sensore?
Poi pilota la resistenza con un generatore di corrente costante, il valore della corrente dipende dal massimo autoriscaldamento che puoi tollerare.
Una volta fatto questo avrai che la tensione ai capi del sensore sarà:


una volta fatto questo possiamo continuare
P.S. puoi linkare il datasheet del sensore?
Atlant.
Behind every great man is a woman rolling her eyes.
Behind every great man is a woman rolling her eyes.
0
voti
[3] Re: PT1000
Ho deciso di avere una corrente di 1 mA.
La tensione a 10 °C è di 1.080 V (R = 1079.55 ohm) mentre a 70°C è di 1.615 (R = 1614.87 ohm).
Grazie dell'aiuto che mi stai dando

La tensione a 10 °C è di 1.080 V (R = 1079.55 ohm) mentre a 70°C è di 1.615 (R = 1614.87 ohm).
Grazie dell'aiuto che mi stai dando
- Allegati
-
Tabelle PT1000.pdf- (165.6 KiB) Scaricato 215 volte
-

nicolasred
0 3 - Messaggi: 8
- Iscritto il: 5 feb 2014, 9:29
0
voti
[4] Re: PT1000
Benissimo, ora si tratta solo di collegare un amplificatore per strumentazione ai capi della resistenza, il guadagno deve essere tale da avere:

dove il duo
sono i 5V dell'intervallo di uscita che vuoi avere, mentre il
è l'intervallo della tensione di ingresso, cioè la variazione che hai ai capi del sensore.
Poi sottrai un offset, che sarà la tensione minima che hai in uscita dall'ampificatore, per portare la tensione da 0 a 5V ed è fatta.
La scelta dell'amplificatore va fatta in base alle prestazioni che vuoi ottenere, hai qualche esigenza particolare? Magari
DirtyDeeds ci può consigliare qualcosa.

dove il duo
sono i 5V dell'intervallo di uscita che vuoi avere, mentre il
è l'intervallo della tensione di ingresso, cioè la variazione che hai ai capi del sensore.Poi sottrai un offset, che sarà la tensione minima che hai in uscita dall'ampificatore, per portare la tensione da 0 a 5V ed è fatta.
La scelta dell'amplificatore va fatta in base alle prestazioni che vuoi ottenere, hai qualche esigenza particolare? Magari
Atlant.
Behind every great man is a woman rolling her eyes.
Behind every great man is a woman rolling her eyes.
1
voti
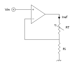
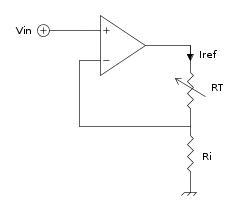
[5] Re: PT1000
Lo schema dovrebbe essere qualcosa del genere, per il momento ho tralasciato la parte di generazione della corrente costante per il pilotaggio del sensore
dove:


con questo guadagno la tensione dovrebbe essere
che dovresti generare tramite un partitore resistivo, prevedendo un trimmer per la taratura.
dove:


con questo guadagno la tensione dovrebbe essere
che dovresti generare tramite un partitore resistivo, prevedendo un trimmer per la taratura.Atlant.
Behind every great man is a woman rolling her eyes.
Behind every great man is a woman rolling her eyes.
0
voti
[6] Re: PT1000
Scusa mi sono accorto di aver sbagliato i valore di RT e quindi le tensioni. La V a 10°C è di 1,039 V (1039 Ohm) mentre a 70°C è di 1,2708 V (1270,8 Ohm).
Non ho capito bene il blocco G del guadagno.
Comunque per la generazione della corrente costante avevo pensato di usare il LM317.
Che ne dici?
http://elettroportale.altervista.org/Co ... st317.html
Grazie milee per l'aiuto che mi stai dando.
Non ho capito bene il blocco G del guadagno.
Comunque per la generazione della corrente costante avevo pensato di usare il LM317.
Che ne dici?
http://elettroportale.altervista.org/Co ... st317.html
Grazie milee per l'aiuto che mi stai dando.
-

nicolasred
0 3 - Messaggi: 8
- Iscritto il: 5 feb 2014, 9:29
0
voti
[7] Re: PT1000
nicolasred ha scritto:Scusa mi sono accorto di aver sbagliato i valore di RT e quindi le tensioni. La V a 10°C è di 1,039 V (1039 Ohm) mentre a 70°C è di 1,2708 V (1270,8 Ohm).
In questo caso il guadagno cambia, prova a ricalcolarlo tu come ho fatto io.
nicolasred ha scritto:Non ho capito bene il blocco G del guadagno.
È un amplificatore per strumentazione, lo vendono dentro un integrato e tu gli colleghi esternamente una resistenza per regolare il guadagno a seconda dei suoi scopi (poi ha un sacco di altre caratteristiche).
In questo caso la sua fuonzione è di espandere l'intervallo in cui varia la tensione sul sensore, da qualche centinaio di millivolt, all'intervallo che vuoi tu in uscita, ovvero una differenza di 5V tra valore minimo e massimo.
Poi per portare allo zero il valore minimo sottraiamo l'offset.
nicolasred ha scritto:Comunque per la generazione della corrente costante avevo pensato di usare il LM317.
No non ce la fai, lui vuole una corrente minima di 10mA in uscita, bisogna fare un circuitino con un altro operazionale.
Atlant.
Behind every great man is a woman rolling her eyes.
Behind every great man is a woman rolling her eyes.
0
voti
[8] Re: PT1000
Ho fatto il calcolo di G...ma viene troppo grande: 21.57.
Cosa posso fare? Ponte?
Cosa posso fare? Ponte?
-

nicolasred
0 3 - Messaggi: 8
- Iscritto il: 5 feb 2014, 9:29
0
voti
[9] Re: PT1000
Il guadagno così alto non penso che sia un problema, più che altro si alza la tensione necessaria ad alimentare tutto, ma il conto quello è, si potrebbe ridurre la corrente che pilota il sensore oppure usare una PT100 invece di una PT1000.
Per il generatore di corrente costante un circuito così dovrebbe andare bene
dove:

Per il generatore di corrente costante un circuito così dovrebbe andare bene
dove:

Atlant.
Behind every great man is a woman rolling her eyes.
Behind every great man is a woman rolling her eyes.
0
voti
[10] Re: PT1000
si che è un problema, devo avere in uscita 27V e qualcosa.
Come faccio ad alimentare un ampli op con 30V o piu??
Come faccio ad alimentare un ampli op con 30V o piu??
-

nicolasred
0 3 - Messaggi: 8
- Iscritto il: 5 feb 2014, 9:29
14 messaggi
• Pagina 1 di 2 • 1, 2
Chi c’è in linea
Visitano il forum: Nessuno e 165 ospiti

Elettrotecnica e non solo (admin)
Un gatto tra gli elettroni (IsidoroKZ)
Esperienza e simulazioni (g.schgor)
Moleskine di un idraulico (RenzoDF)
Il Blog di ElectroYou (webmaster)
Idee microcontrollate (TardoFreak)
PICcoli grandi PICMicro (Paolino)
Il blog elettrico di carloc (carloc)
DirtEYblooog (dirtydeeds)
Di tutto... un po' (jordan20)
AK47 (lillo)
Esperienze elettroniche (marco438)
Telecomunicazioni musicali (clavicordo)
Automazione ed Elettronica (gustavo)
Direttive per la sicurezza (ErnestoCappelletti)
EYnfo dall'Alaska (mir)
Apriamo il quadro! (attilio)
H7-25 (asdf)
Passione Elettrica (massimob)
Elettroni a spasso (guidob)
Bloguerra (guerra)

