Ciao a tutti,
vorrei porre alla vostra attenzione uno schema circuitale che ho preso come allenamento per l'esame.
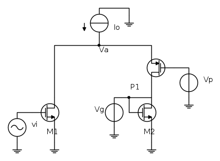
Ecco il circuito:
Il testo chiedeva di analizzare il circuito in continua per determinarne il punto di funzionamento,ipotizzando che Vi fosse un generatore di tensione costante come tutti gli altri e che i mosfet siano matched.
Ho fatto l'analisi e ho trovato che tutti i dispositivi sono accesi e funzionanti in saturazione.
Viene poi chiesto di disegnare il circuito equivalente di piccolo segnale e di trovare la tensione di uscita e il guadagno.
Ora,a questo punto ho un dubbio,per passare al piccolo segnale devo spegnere tutti i generatori di tensione o di corrente costanti sostituendoli,a seconda del caso,con un corto circuito o con un circuito aperto...dal circuito io vedo che solo M1 ha un ingresso diverso da zero ai suoi terminali di ingresso,mentre gli altri due mosfet,in piccolo segnale,non hanno alcun ingresso.
Quello che volevo chiedere io è allora,visto che non ci sono generatori di ingresso per questi due dispositivi,come si comporteranno?Non li considero e quindi ho un circuito aperto tra la drain e la massa di M1 oppure mi sto sbagliando?
E l'altra cosa che volevo chiedere è:un mosfet collegato a diodo in piccolo segnale come si comporta? Ha il solito circuito per piccolo segnale dei MOS a canale n oppure devo trattarlo come un diodo in piccolo segnale,quindi con una resistenza finita r?
Grazie :)
Mosfet e funzionamento in piccolo segnale
Moderatori:
carloc,
g.schgor,
BrunoValente,
IsidoroKZ
5 messaggi
• Pagina 1 di 1
0
voti
3
voti
MattGt86 ha scritto:... vedo che solo M1 ha un ingresso diverso da zero ai suoi terminali di ingresso,mentre gli altri due mosfet,in piccolo segnale,non hanno alcun ingresso.
...
Mica è detto
Ad esempio nel tuo circuito il MOS M? (quello sopra) ha come ingresso la corrente id1 di M1
In generale puoi vedere oppure no se un dispositivo è interessato o meno alle variazioni ma se usi il suo circuito equivalente e fai i conti non sbagli mai.
Certo sarebbe fortemente consigliabile sviluppare ed esercitare questo "occhio clinico" e ricordare alcune grandezze tipiche, tipo resistenze di ingresso, uscita e guadagni, dei collegamenti standard dei dispositivi attivi
MattGt86 ha scritto:...
E l'altra cosa che volevo chiedere è:un mosfet collegato a diodo in piccolo segnale come si comporta? ...
Grazie :)
Anche qui vale quanto appena detto
MattGt86 ha scritto:... oppure devo trattarlo come un diodo in piccolo segnale,quindi con una resistenza finita r?
Grazie :)
ecco invece quell'
fa un po' pauraoppure... resistenza finita
Questa ad esempio è una di quelle cose che vale fortemente la pena di ricordare a memoria
P.S. se il tuo schema è corretto per le variazioni non ci sono MOS collegati a diodo
Se ti serve il valore di beta: hai sbagliato il progetto!
0
voti
Il dubbio che mi è venuto nel fare il circuito per piccolo segnale sta soprattutto sul MOS a canale P:siccome la grandezza pilota del suo generatore pilotato è nulla,il generatore di corrente pilotato in tensione (che sarebbe stato pilotato da vsg) come lo tratto?Di sicuro non ci va un circuito aperto altrimenti non funzionerebbe niente nella rete...e scusate se mi dovesse scappare qualche castroneria elettronica :)
3
voti
MattGt86 ha scritto:.... sul MOS a canale P:siccome la grandezza pilota del suo generatore pilotato è nulla....
Ma sei proprio sicuro??
Se ti serve il valore di beta: hai sbagliato il progetto!
0
voti
Ciao,ho analizzato a fondo il circuito,alla fine ho trovato la soluzione,in sostanza il mosfet connesso a diodo in piccolo segnale è sostituito dalla sua resistenza 1/gm mentre il MOS p e il MOS n sono comandati dalla stessa tensione per via di come sono collegati,domattina metto il circuito :)
5 messaggi
• Pagina 1 di 1
Chi c’è in linea
Visitano il forum: Nessuno e 187 ospiti

Elettrotecnica e non solo (admin)
Un gatto tra gli elettroni (IsidoroKZ)
Esperienza e simulazioni (g.schgor)
Moleskine di un idraulico (RenzoDF)
Il Blog di ElectroYou (webmaster)
Idee microcontrollate (TardoFreak)
PICcoli grandi PICMicro (Paolino)
Il blog elettrico di carloc (carloc)
DirtEYblooog (dirtydeeds)
Di tutto... un po' (jordan20)
AK47 (lillo)
Esperienze elettroniche (marco438)
Telecomunicazioni musicali (clavicordo)
Automazione ed Elettronica (gustavo)
Direttive per la sicurezza (ErnestoCappelletti)
EYnfo dall'Alaska (mir)
Apriamo il quadro! (attilio)
H7-25 (asdf)
Passione Elettrica (massimob)
Elettroni a spasso (guidob)
Bloguerra (guerra)


