LM3914
Moderatori:
carloc,
g.schgor,
BrunoValente,
IsidoroKZ
6 messaggi
• Pagina 1 di 1
0
voti
[1] LM3914
Buonasera. Sto leggendo questo articolo sull LM3914. Non riesco a capire da dove tira fuori i valori 4,75Vin max e Vin min 3,27v se qualcuno ha voglia di spiegarmelo lo ringrazio anticipatamente
-

Gabriele440
30 3 - New entry

- Messaggi: 53
- Iscritto il: 22 giu 2013, 13:59
0
voti
[2] Re: lm 3914
è scritto tutto li.. stai leggendo l esempio di un vu meter a led per visualizzare il livello di carica di due batterie da 12v collegate in serie (range 20v-29v), per alimentare il circuito serve un partitore (due resistenze) quindi con la massima di 29v arriveranno 4,75v e con la minima 20v arriveranno 3,27v...attendiamo pareri da più esperti
non prendere per oro colato ciò che dico..
non prendere per oro colato ciò che dico..

-

andrewonfire
5 3 - Messaggi: 42
- Iscritto il: 28 ago 2013, 15:13
5
voti
[3] Re: LM3914
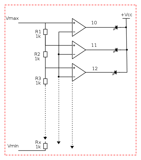
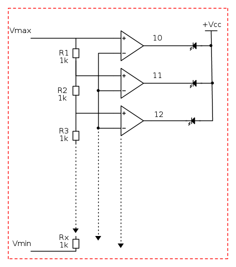
In pratica le Tensioni "Vmin" e "Vmax"vengono applicate esternamente al circuito integrato.
La catena di amplificatori operazionali che vedi nello schema,sono configurati come:
"Comparatori non invertenti".
I resistori hanno tutti lo stesso valore di 1K.
Questo assicura la linearita' del circuito,ovvero ogni "incremento" o"decremento"di tensione corrisponde all'accensione o spegnimento del led successivo.
Le tensioni quindi di "Vmax" e "Vmin" le stabilisci tu,in base ai livelli che devi controllare o visualizzare con i Led sull'uscita.
Ovviamente questo non e' sufficiente per utilizzare in modo corretto il circuito.
Mancano altri dati,tra cui la "VREF" che stabilisce un riferimento tramite un partitore di resistenze
esterne al circuito,la divisione per ogni range di tensione che accende ogni "LED"
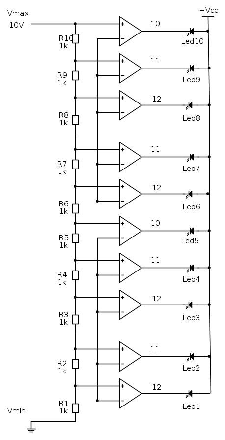
Ad esempio come illustrato in figura, se applichiamo su "Vmin" il ground e su "Vmax" 10V il "Led1" si illumina,e successivamente il "Led2" avra' bisogno di un incremento di "2V" per accendersi e cosi via....fino al "led10" che rappresenta la massima tensione applicata esternamente al circuito.
Ovviamente ci sono altri parametri da ricavare,se ti interessa ne vediamo meglio le specifiche.
La catena di amplificatori operazionali che vedi nello schema,sono configurati come:
"Comparatori non invertenti".
I resistori hanno tutti lo stesso valore di 1K.
Questo assicura la linearita' del circuito,ovvero ogni "incremento" o"decremento"di tensione corrisponde all'accensione o spegnimento del led successivo.
Le tensioni quindi di "Vmax" e "Vmin" le stabilisci tu,in base ai livelli che devi controllare o visualizzare con i Led sull'uscita.
Ovviamente questo non e' sufficiente per utilizzare in modo corretto il circuito.
Mancano altri dati,tra cui la "VREF" che stabilisce un riferimento tramite un partitore di resistenze
esterne al circuito,la divisione per ogni range di tensione che accende ogni "LED"
Ad esempio come illustrato in figura, se applichiamo su "Vmin" il ground e su "Vmax" 10V il "Led1" si illumina,e successivamente il "Led2" avra' bisogno di un incremento di "2V" per accendersi e cosi via....fino al "led10" che rappresenta la massima tensione applicata esternamente al circuito.
Ovviamente ci sono altri parametri da ricavare,se ti interessa ne vediamo meglio le specifiche.
⋮ƎlectroYou
-

stefanob70
14,1k 5 11 13 - Master EY

- Messaggi: 3190
- Iscritto il: 14 lug 2012, 13:14
- Località: Roma
0
voti
[4] Re: LM3914
ringrazio per le risposte, ho capito che Vmin e Vmax le fisso io a seconda del caso, ma parlando dell esempio specifico del link,vorrei sapere qual è il processo matematico che porta a quei valori,non so se mi sono spiegato
Grazie
Grazie
-

Gabriele440
30 3 - New entry

- Messaggi: 53
- Iscritto il: 22 giu 2013, 13:59
0
voti
[5] Re: LM3914
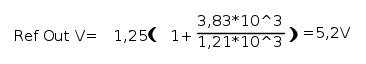
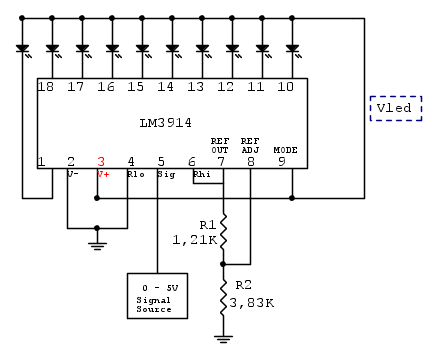
Ti faccio un esempio dal datasheet.
Con 10 Led a disposizione dobbiamo progettare un Vu-meter che ogni livello di tensione prefissato si accenda il Led corrispondente alla scala(1-10)
Abbiamo fissato i valori delle incognite "R1=1,21K" e "R2=3,83K".
A questo punto calcoliamo il valore del RIF(riferimento) che e' fissato a "1,25V"+ il rapporto tra R1 e R2.
Sostituisci:
Il livello di tensione "5,2V"ti servira' successivamente per stabilire il "Fondo Scala" ovvero l'ultimo "Led" che
si accendera' alla massima tensione applicata sul pin "5"
Adesso fissiamo la Corrente che deve scorrere nei "10 Led":(questo determina anche la luminosita')
Ora applicando un segnale positivo sul Pin "5"che varia da "0V" a "5V" dovrai dividere tutto per 10,e saprai
che ogni Led si accendera' ad ogni incremento di "500mV" di tensione:
Dimostrazione Pratica:
Con 10 Led a disposizione dobbiamo progettare un Vu-meter che ogni livello di tensione prefissato si accenda il Led corrispondente alla scala(1-10)
Abbiamo fissato i valori delle incognite "R1=1,21K" e "R2=3,83K".
A questo punto calcoliamo il valore del RIF(riferimento) che e' fissato a "1,25V"+ il rapporto tra R1 e R2.
Sostituisci:
Il livello di tensione "5,2V"ti servira' successivamente per stabilire il "Fondo Scala" ovvero l'ultimo "Led" che
si accendera' alla massima tensione applicata sul pin "5"
Adesso fissiamo la Corrente che deve scorrere nei "10 Led":(questo determina anche la luminosita')
Ora applicando un segnale positivo sul Pin "5"che varia da "0V" a "5V" dovrai dividere tutto per 10,e saprai
che ogni Led si accendera' ad ogni incremento di "500mV" di tensione:
Dimostrazione Pratica:
⋮ƎlectroYou
-

stefanob70
14,1k 5 11 13 - Master EY

- Messaggi: 3190
- Iscritto il: 14 lug 2012, 13:14
- Località: Roma
0
voti
[6] Re: LM3914
Riprendo in mano il discorso......se imposto r1 1,2k ( come esempio datasheet e stefanob70) r2 come la calcolo? in poche parole chiedo la formula inversa.......grazie
-

Gabriele440
30 3 - New entry

- Messaggi: 53
- Iscritto il: 22 giu 2013, 13:59
6 messaggi
• Pagina 1 di 1
Chi c’è in linea
Visitano il forum: Nessuno e 168 ospiti

Elettrotecnica e non solo (admin)
Un gatto tra gli elettroni (IsidoroKZ)
Esperienza e simulazioni (g.schgor)
Moleskine di un idraulico (RenzoDF)
Il Blog di ElectroYou (webmaster)
Idee microcontrollate (TardoFreak)
PICcoli grandi PICMicro (Paolino)
Il blog elettrico di carloc (carloc)
DirtEYblooog (dirtydeeds)
Di tutto... un po' (jordan20)
AK47 (lillo)
Esperienze elettroniche (marco438)
Telecomunicazioni musicali (clavicordo)
Automazione ed Elettronica (gustavo)
Direttive per la sicurezza (ErnestoCappelletti)
EYnfo dall'Alaska (mir)
Apriamo il quadro! (attilio)
H7-25 (asdf)
Passione Elettrica (massimob)
Elettroni a spasso (guidob)
Bloguerra (guerra)





