Ciao a tutti, sto cercando di realizzare un circuito che azioni un elettrovalvola per mezzo di una fotocellula (interruttore ottico a taglio).
Per azionare l’elettrovalvola ho optato per un relè allo stato solido, così da evitare potenziali problemi meccanici o di deterioramento dei contatti.
In pratica in condizioni di attesa, l’elettrovalvola non è azionata, mentre quando un oggetto attraversa la fotocellula la valvola si deve attivare.
Come fotocellula ho questa
http://optekinc.com/datasheets/opb815.pdf
mentre il relè ssd è questo:
http://www.avagotech.com/pages/en/optoc ... 1611-001e/
l’elettrovalvola è alimentata a 12 volt (ed assorbe circa 250ma) mentre il resto del circuito a 5v
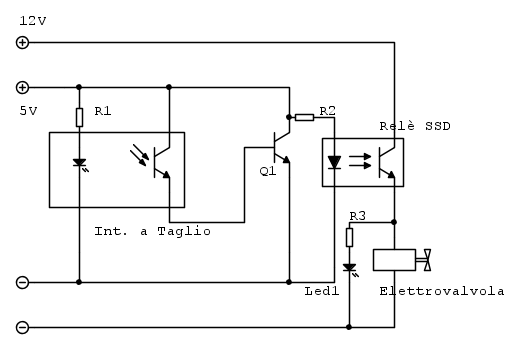
Ho disegnato uno schema di base, ma avrei bisogno di aiuto per capire se è corretto, quali valori utilizzare per le resistenze e se manca qualcosa prima di montare il tutto. E danneggiare qualcosa…..
Grazie a tutti in anticipo
Azionare un SSR tramite fotocellula
Moderatori:
carloc,
g.schgor,
BrunoValente,
IsidoroKZ
22 messaggi
• Pagina 1 di 3 • 1, 2, 3
1
voti
4
voti
Ciao,
nello schema che hai disegnato quando Q1 va in conduzione non c'è nessuna resistenza che limiti la corrente di collettore e il transistor si brucia. Credo che il circuito si possa risolvere anche eliminando del tutto Q1.
Con la resistenza da 560Ω la differenza di tensione che si ha tra il fototransistor dell'interruttore a taglio in saturazione e la Vf minima del led interno al relé SSR dovrebbe essere sufficiente ad evitare che l'elettrovalvola possa eccitarsi quando l'interruttore a taglio non è oscurato. In aggiunta, per sicurezza, monterei un diodo in antiparallelo alla bobina dell'elettrovalvola per evitare che le sovratensioni possano danneggiare il relé SSR.
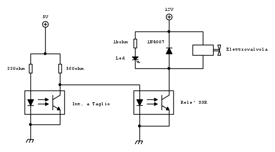
Io proverei così:
nello schema che hai disegnato quando Q1 va in conduzione non c'è nessuna resistenza che limiti la corrente di collettore e il transistor si brucia. Credo che il circuito si possa risolvere anche eliminando del tutto Q1.
Con la resistenza da 560Ω la differenza di tensione che si ha tra il fototransistor dell'interruttore a taglio in saturazione e la Vf minima del led interno al relé SSR dovrebbe essere sufficiente ad evitare che l'elettrovalvola possa eccitarsi quando l'interruttore a taglio non è oscurato. In aggiunta, per sicurezza, monterei un diodo in antiparallelo alla bobina dell'elettrovalvola per evitare che le sovratensioni possano danneggiare il relé SSR.
Io proverei così:
0
voti
Grazie mille, provo a metterlo su una breadboard e poi riferisco
1
voti
un po' in ritardo ma eccomi di nuovo...
Ho realizzato il circuito, però con la resistenza da 560ohm l'elettrovalvola è sempre azionata.
Ho quindi alzato il valore di R2 a 1,2Kohm (questo il valore che avevo a portata di mano) e così funziona correttamente.
qui sotto riporto i valori delle tensioni misurate nelle due condizioni (on/off) e la corrente assorbita sul pin 1 del relè SSR che è di 1mA.
Nel datasheet del relè però vedo che le condizioni operative riportano un valore che va da 5mA min a 20mA max e un valore per Voff di 0v min sino a 0,8v max
Devo quindi calcolare il valore della resistenza per avere la giusta corrente e restando entro i 0,8v di tensione per Voff ?
Immagino di si, ma come procedo ?
Ho realizzato il circuito, però con la resistenza da 560ohm l'elettrovalvola è sempre azionata.
Ho quindi alzato il valore di R2 a 1,2Kohm (questo il valore che avevo a portata di mano) e così funziona correttamente.
qui sotto riporto i valori delle tensioni misurate nelle due condizioni (on/off) e la corrente assorbita sul pin 1 del relè SSR che è di 1mA.
Nel datasheet del relè però vedo che le condizioni operative riportano un valore che va da 5mA min a 20mA max e un valore per Voff di 0v min sino a 0,8v max
Devo quindi calcolare il valore della resistenza per avere la giusta corrente e restando entro i 0,8v di tensione per Voff ?
Immagino di si, ma come procedo ?
0
voti
Nell'ultimo schema vedo che hai messo la massa in comune. In tal caso basterebbe un transistor invece che l'SSR, meglio ancora a mio parere un classico relay elettromeccanico, ma qui bisognerebbe discutere sui vari pro e contro andando forse fuori tema.
Manca tutta la parte che gestisce il momento in cui la fotocellula scatta di continuo quando l'evento è sulla soglia critica. Il motore che fa si ferma e riparte di continuo :)? Serve un temporizzatore tipo un circuitino RC, un vecchio 555 oppure un micro qualunque
Manca tutta la parte che gestisce il momento in cui la fotocellula scatta di continuo quando l'evento è sulla soglia critica. Il motore che fa si ferma e riparte di continuo :)? Serve un temporizzatore tipo un circuitino RC, un vecchio 555 oppure un micro qualunque
0
voti
Ciao, grazie per le indicazioni.
le masse sono volutamente separate, anche se nello schema si legge il contrario.
La scelta è ricaduta sullo SSR proprio per evitare problemi meccanici o di deterioramento dei contatti di un comune relè, visto il tipo di carico induttivo e anche perché avrà un uso piuttosto pesante in termini di "azionamenti" giornalieri.
Da prove sul prototipo realizzato con questo schema non ho notato problemi di mancanza di un circuito di isteresi.
Credo del resto che questo problema venga evitato grazie al fatto che la tensione di OFF dello SSR utilizzato è < 0,8v e quindi con il valore da me misurato con R2 = 1,2kohm c'è ampio margine.
La domanda è come calcolare R2 per ottenere una corrente minima di 5mA, senza stravolgere il circuito
PS: nello schema ho riportato su R2 il valore di 0,001mA, ovviamente è un errore, si tratta di 1mA
le masse sono volutamente separate, anche se nello schema si legge il contrario.
La scelta è ricaduta sullo SSR proprio per evitare problemi meccanici o di deterioramento dei contatti di un comune relè, visto il tipo di carico induttivo e anche perché avrà un uso piuttosto pesante in termini di "azionamenti" giornalieri.
Da prove sul prototipo realizzato con questo schema non ho notato problemi di mancanza di un circuito di isteresi.
Credo del resto che questo problema venga evitato grazie al fatto che la tensione di OFF dello SSR utilizzato è < 0,8v e quindi con il valore da me misurato con R2 = 1,2kohm c'è ampio margine.
La domanda è come calcolare R2 per ottenere una corrente minima di 5mA, senza stravolgere il circuito
PS: nello schema ho riportato su R2 il valore di 0,001mA, ovviamente è un errore, si tratta di 1mA
0
voti
bigjump ha scritto:La domanda è come calcolare R2 per ottenere una corrente minima di 5mA, senza stravolgere il circuito
PS: nello schema ho riportato su R2 il valore di 0,001mA, ovviamente è un errore, si tratta di 1mA
Se questo circuito lo vuoi realizzare veramente allora quel valore lo determini in 10 secondi con un Ohm-ranger
http://www.ebay.it/itm/Ohmite-Ohm-Ranger-Stock-3420-Variable-Resistor-Test-Box-/171433356538?pt=LH_DefaultDomain_0&hash=item27ea396cfa e un amperometro (multimetro da 20 euro) lavorando sulla breadboard.
0
voti
bigjump ha scritto:Ciao, grazie per le indicazioni.
le masse sono volutamente separate, anche se nello schema si legge il contrario.
Se l'alimentazione dell'optoisolatore a forcella è 5V, la resistenza in serie al led del relé SSR è da 1,2kohm e la caduta di tensione su quel led è di 1,36V dovresti misurare 3mA...
0
voti
davidde ha scritto:bigjump disegna lo schema esatto, da quello che scrivi i conti non mi tornano, come hai misurato 1mA?
Lo schema è esattamente quello riportato da cui manca solo la parte dell'alimentazione, ottenuta con un 7805.
Ho ricontrollato i valori e sono quelli riportati. L'alimentazione per la verità mi da 4,95v anziché 5v
Il valore dell'assorbimento del led del SSR lo misuro in serie al led a valle di R2 e mi da appunto 1mA
1
voti
Allora non hai le masse separate.
Per avere le masse separate dovresti avere due alimentatori indipendenti, uno per la 5V e l'altro per la 12V.
Se invece (come credo tu abbia fatto) hai un unico alimentatore da 12V da cui derivi (tramite 7805) la 5V hai l'alimentazione in comune (va bene ugualmente).
Da quello che scrivi sembra che l'interruttore a taglio non funzioni proprio correttamente, sei sicuro di non aver invertito collettore e emettitore?
Lasciando tutto com'è devi misurare la corrente che scorre nel transistor dell'interruttore a taglio quando il fascio IR è interrotto. Dovresti misurare una corrente prossima a 0mA. Ti risulta?
Per avere le masse separate dovresti avere due alimentatori indipendenti, uno per la 5V e l'altro per la 12V.
Se invece (come credo tu abbia fatto) hai un unico alimentatore da 12V da cui derivi (tramite 7805) la 5V hai l'alimentazione in comune (va bene ugualmente).
Da quello che scrivi sembra che l'interruttore a taglio non funzioni proprio correttamente, sei sicuro di non aver invertito collettore e emettitore?
Lasciando tutto com'è devi misurare la corrente che scorre nel transistor dell'interruttore a taglio quando il fascio IR è interrotto. Dovresti misurare una corrente prossima a 0mA. Ti risulta?
22 messaggi
• Pagina 1 di 3 • 1, 2, 3
Chi c’è in linea
Visitano il forum: Nessuno e 110 ospiti

Elettrotecnica e non solo (admin)
Un gatto tra gli elettroni (IsidoroKZ)
Esperienza e simulazioni (g.schgor)
Moleskine di un idraulico (RenzoDF)
Il Blog di ElectroYou (webmaster)
Idee microcontrollate (TardoFreak)
PICcoli grandi PICMicro (Paolino)
Il blog elettrico di carloc (carloc)
DirtEYblooog (dirtydeeds)
Di tutto... un po' (jordan20)
AK47 (lillo)
Esperienze elettroniche (marco438)
Telecomunicazioni musicali (clavicordo)
Automazione ed Elettronica (gustavo)
Direttive per la sicurezza (ErnestoCappelletti)
EYnfo dall'Alaska (mir)
Apriamo il quadro! (attilio)
H7-25 (asdf)
Passione Elettrica (massimob)
Elettroni a spasso (guidob)
Bloguerra (guerra)






