Buongiorno a tutti,
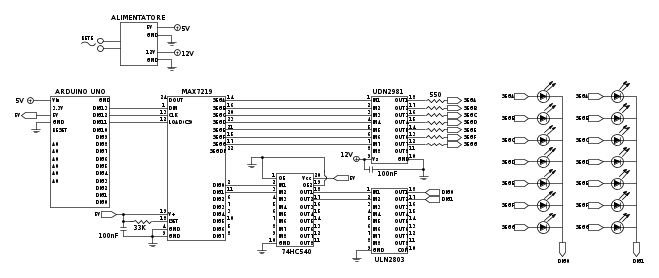
sto realizzando un progetto simile a quello visibile a QUESTO link, il mio circuito è quello mostrato di seguito (rispetto al progetto del link cambia solo l'alimentazione, effettuata con un alimentatore con doppia uscita 12V e USB), per effettuare le mie prove sto usando solo un led per segmento e due soli digit, ma il progetto finale prevede più led.
Lo sketch caricato su arduino prevede l'accensione in sequenza di un led alla volta, per 5s ognuno. Ebbene il mio problema è il seguente: nel momento in cui uno qualsiasi dei led si accende (secondo sequenza), anche i led degli altri digit, che corrispondono allo stesso segmento di quello acceso, si accendono in maniera lieve, quando invece dovrebbero essere totalmente spenti. In seguito trovate una foto esplicativa del problema (non badate alla seconda fila di resistenze che si vede perché è stata successivamente rimossa).
Le ho provate tutte, cambiando inverters, sostituendo l'ULN2803 con ULN2003 e con due transistor NPN, rimuovendo l'UDN2981, mettendo delle resistenze di pull-down, ma nulla .... eppure il progetto originale credo funzioni, a me invece da questo problema.
Grazie per il vostro aiuto.
Problema driver display 7 segmenti ad alta tensione
Moderatori:
carloc,
g.schgor,
BrunoValente,
IsidoroKZ
8 messaggi
• Pagina 1 di 1
0
voti
Ultima modifica di
PietroBaima il 5 nov 2014, 22:24, modificato 2 volte in totale.
Motivazione: Immagine allegata direttamente al post, senza l' uso di server esterni.
Motivazione: Immagine allegata direttamente al post, senza l' uso di server esterni.
-

fgiorgio90
15 6 - Frequentatore

- Messaggi: 118
- Iscritto il: 14 dic 2012, 0:54
0
voti
Ciao
fgiorgio90.
Le immagini vanno allegate ai post, senza usare server esterni, con una dimensione massima di 640X480.
La tua immagina l' ho allegata dirattamente al post.
Se avrai la necessità di allegare altre immagini cerca di seguire le indicazioni di cui sopra.
Le immagini vanno allegate ai post, senza usare server esterni, con una dimensione massima di 640X480.
La tua immagina l' ho allegata dirattamente al post.
Se avrai la necessità di allegare altre immagini cerca di seguire le indicazioni di cui sopra.
0
voti
-

fgiorgio90
15 6 - Frequentatore

- Messaggi: 118
- Iscritto il: 14 dic 2012, 0:54
1
voti
ad un primo sguardo mi pare che il problema potrebbe essere dovuto al driver 2803, magari ad una piccola corrente circolante anche quando esso è a livello basso. per fare una prova metti una resistenza da 1K tra il ramo Dig0 ed il +5V, se cambia qualcosa il problema può essere qua.
altrimenti potrebbe essere per qualche motivo un'impulso molto stretto, che accende i led, ma senza una verifica con oscilloscopio sarà difficile da scovare.
mi pare che il blanking tra un ramo e l'altro sia gestito dal controller PWM della potenza, datasheets pagina8, magari prova a ridurre la luminosità del display, questo dovrebbe aumentare il tempo morto tra l'accensione di un ramo e l'altro.
ti chiedevo se ti servono solo due display, perché potresti realizzare il tutto senza il 7219, controllando dalle porte il multiplex, potendo gestire anche il blanking del ramo direttamente da software.
saluti.
altrimenti potrebbe essere per qualche motivo un'impulso molto stretto, che accende i led, ma senza una verifica con oscilloscopio sarà difficile da scovare.
mi pare che il blanking tra un ramo e l'altro sia gestito dal controller PWM della potenza, datasheets pagina8, magari prova a ridurre la luminosità del display, questo dovrebbe aumentare il tempo morto tra l'accensione di un ramo e l'altro.
ti chiedevo se ti servono solo due display, perché potresti realizzare il tutto senza il 7219, controllando dalle porte il multiplex, potendo gestire anche il blanking del ramo direttamente da software.
saluti.
-

lelerelele
4.899 3 7 9 - Master

- Messaggi: 5505
- Iscritto il: 8 giu 2011, 8:57
- Località: Reggio Emilia
0
voti
Ho provato tra gli inverter e l'ULN2803 sia delle resistenze di pull-down che di pull-up, senza risolvere nulla.
Devo provare a ridurre la luminosità, farò sapere.
Purtroppo mi servono almeno 5 digit, e la possibilità di regolare la luminosità dei display, utilizzando come alimentazione 12V perché ogni segmento sarà formato da più led e il MAX7219 non potrebbe gestirne così tanti.
Con un oscilloscopio mi sarebbe più facile trovare il problema ma ne sono sprovvisto, sto pensando di acquistarne uno, ho anche chiesto nell'apposita sezione riaprendo un vecchio topic riguardo il Rigol DS1052E ma non ho ottenuto risposta. Se supero il mio prossimo esame universitario me lo autoregalo
Devo provare a ridurre la luminosità, farò sapere.
Purtroppo mi servono almeno 5 digit, e la possibilità di regolare la luminosità dei display, utilizzando come alimentazione 12V perché ogni segmento sarà formato da più led e il MAX7219 non potrebbe gestirne così tanti.
Con un oscilloscopio mi sarebbe più facile trovare il problema ma ne sono sprovvisto, sto pensando di acquistarne uno, ho anche chiesto nell'apposita sezione riaprendo un vecchio topic riguardo il Rigol DS1052E ma non ho ottenuto risposta. Se supero il mio prossimo esame universitario me lo autoregalo
-

fgiorgio90
15 6 - Frequentatore

- Messaggi: 118
- Iscritto il: 14 dic 2012, 0:54
1
voti
fgiorgio90 ha scritto:Purtroppo mi servono almeno 5 digit, e la possibilità di regolare la luminosità dei display, utilizzando come alimentazione 12 V perché ogni segmento sarà formato da più LED e il MAX7219 non potrebbe gestirne così tanti.
con le tue 16 uscite avresti la possibilità di controllare in multiplex i tuoi 5 display, così come fa il 7219, la luminosità la controlleresti attraverso il ritardo imposto alle porte di controllo dei rami, lasciando i due driver per il pilotaggio a 12V.
prova con il ritardo poi vedremo.
saluti.
-

lelerelele
4.899 3 7 9 - Master

- Messaggi: 5505
- Iscritto il: 8 giu 2011, 8:57
- Località: Reggio Emilia
0
voti
Mi sono attenuto al progetto visibile nel link, nessun particolare motivo. Proverò a inserirla, tanto male non gli fa.
-

fgiorgio90
15 6 - Frequentatore

- Messaggi: 118
- Iscritto il: 14 dic 2012, 0:54
8 messaggi
• Pagina 1 di 1
Chi c’è in linea
Visitano il forum: Nessuno e 59 ospiti

Elettrotecnica e non solo (admin)
Un gatto tra gli elettroni (IsidoroKZ)
Esperienza e simulazioni (g.schgor)
Moleskine di un idraulico (RenzoDF)
Il Blog di ElectroYou (webmaster)
Idee microcontrollate (TardoFreak)
PICcoli grandi PICMicro (Paolino)
Il blog elettrico di carloc (carloc)
DirtEYblooog (dirtydeeds)
Di tutto... un po' (jordan20)
AK47 (lillo)
Esperienze elettroniche (marco438)
Telecomunicazioni musicali (clavicordo)
Automazione ed Elettronica (gustavo)
Direttive per la sicurezza (ErnestoCappelletti)
EYnfo dall'Alaska (mir)
Apriamo il quadro! (attilio)
H7-25 (asdf)
Passione Elettrica (massimob)
Elettroni a spasso (guidob)
Bloguerra (guerra)



