Salve,
di seguito ho fatto un circuito usando un 7805. Ho dei dubbi sul circuito e vorrei chiedere il vostro aiuto al riguardo.
Il tutto e alimentato da un trasformatore da 12V 1A, ma in uscita non ho i 12V che il trasformatore dovrebbe darmi ma ne ho 15,52V.
Quindi ho una Vi=15,52V
In uscita in base allo schema qui sotto, ho 4.92V, quindi Vo=4.92V (sempre in base allo schema in fondo)
Il mio carico e una lampada a led che ha le seguenti caratteristiche:
Vc=3.6V
Ic=1.2A
Dunque di solito i trasformatori, hanno un bel margine, e forse riesce a erogare gli 1.2A anche se ce scritto 1A.
Il mio problema si presenta qui quando attacco il carico , allora le tensioni in gioco cambiano cosi:
Vo=2.36V e Vi=13.24 V
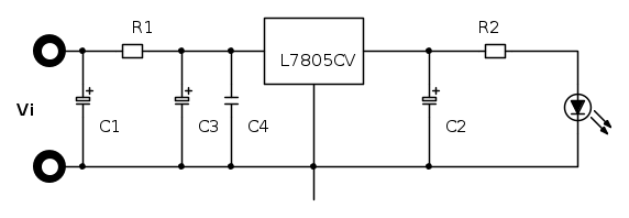
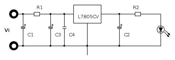
C1 sta nel circuito del condensatore che e da 2200uF e io ci ho messo come C2 uno da 1000uF.
Sinceramente, non so se ho fatto bene...dove sbaglio?
Io quando attacco il carico dovrei avere all'ingresso del Carico 3.6V giusto? Oppure e normale che la tensione scada cosi tanto?
Mi date una mano perfavore?
Vi allego lo schema:
Regolatore di Tensione 7805
Moderatori:
carloc,
g.schgor,
BrunoValente,
IsidoroKZ
39 messaggi
• Pagina 1 di 4 • 1, 2, 3, 4
0
voti
in quelle condizioni, il 7805 deve dissipare molta potenza, probabilmente il dissipatore non è sufficiente e interviene una protezione termica, prova a aggiungere una resistenza da 4,7ohm 10W tra il C1 e l'integrato e misurare la tensione sul C1, sull'ingresso dell'integrato e sull'uscita.
ATTENZIONE, in serie al led ci vuole una resistenza da 1,2 ohm 3W, altrimenti bruci il led, per ora ti è andata bene che la tensione si sia abbassata
ATTENZIONE, in serie al led ci vuole una resistenza da 1,2 ohm 3W, altrimenti bruci il led, per ora ti è andata bene che la tensione si sia abbassata
-

SediciAmpere
4.187 5 5 8 - Master

- Messaggi: 4847
- Iscritto il: 31 ott 2013, 15:00
0
voti
Cseven ha scritto:C1 sta nel circuito del condensatore che e da 2200uF e io ci ho messo come C2 uno da 1000uF.
[/fcd]
non avevo capito questa parte, c1 deve essere da 2200uF (meglio se con un poliestere in parallelo), c2 deve essere molto più piccolo: 10uF o 22uF , 1000 sono troppi
-

SediciAmpere
4.187 5 5 8 - Master

- Messaggi: 4847
- Iscritto il: 31 ott 2013, 15:00
2
voti
Indipendentemente dal resto, un trasformatore da 1A nominali - dopo ponte e condensatore di livellamento - puo' rendere un massimo di 750mA, del tutto insufficienti a quel carico.
Da qui la caduta di tensione eccessiva.
Da qui la caduta di tensione eccessiva.
marco
0
voti
La caduta di tensione eccessiva, secondo le misure di Cseven, sarebbe dopo il regolatore
per chiarezza ho rifatto lo schema:
C1=1000uF 25V
C2=10uF 16V (saldato vicino all'integrato)
C3=1000uF 25V
C4=1uF poliestere (saldato vicino all'integrato)
R1= 4,7ohm 10W
R2=1,2ohm 3W
I valori dei condesatori non sono critici, i valori delle resistenze invece devono essere prprio quelli
per chiarezza ho rifatto lo schema:
C1=1000uF 25V
C2=10uF 16V (saldato vicino all'integrato)
C3=1000uF 25V
C4=1uF poliestere (saldato vicino all'integrato)
R1= 4,7ohm 10W
R2=1,2ohm 3W
I valori dei condesatori non sono critici, i valori delle resistenze invece devono essere prprio quelli
-

SediciAmpere
4.187 5 5 8 - Master

- Messaggi: 4847
- Iscritto il: 31 ott 2013, 15:00
0
voti
e' normale che un alimentatore non regolato, se nominalmente è da 12V, se misurato a vuoto dia una tensione maggiore ( i 15V rientrano nella casistica). Cosi' come poi è normale che si abbassi (anche di molto) se si mette un carico che assorbe molta corrente.
Beh, si ... parlando di Ampere ... stai tirando un po' troppo il collo alla gallina
per il LED, li stai proprio sbagliando, non si pilota in tensione (altrimenti si rompe), ma in corrente... ma tanto ti hanno gia' detto come fare.
Beh, si ... parlando di Ampere ... stai tirando un po' troppo il collo alla gallina
per il LED, li stai proprio sbagliando, non si pilota in tensione (altrimenti si rompe), ma in corrente... ma tanto ti hanno gia' detto come fare.
0
voti
Visto che nel caso si tratta di alimentare una lampada a led, non vedo la necessita' di mettere tutti quei condensatori, cosi' come non mi sembra logico mettere una resistenza a dissipare in ingresso.
Il circuito e' complessivamente mal progettato a partire dal trasformatore; e' quindi inutile farlo funzionare per forza.
Il circuito e' complessivamente mal progettato a partire dal trasformatore; e' quindi inutile farlo funzionare per forza.
marco
-1
voti
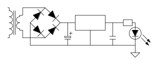
viste le misure di Vi con carico collegato (molto alta, 13,62V) a me viene il dubbio che abbia fatto letteralmente quanto dice, cioè trasformatore e quindi AC in ingresso senza nessun ponte di diodi... 

0
voti
E' possibile che abbia fatto cosi' comunque il circuito dovrebbe essere questo:
E' naturalmente da dimensionare visto che i valori esposti sono completamente sballati.
Anche il regolatore, se deve reggere 1.2A, non va bene e ci vorrebbe al limite un 7805CV ampiamente dissipato.
La cosa migliore che posso consigliarti e' quella di prendere un alimentatore gia' fatto di quelli a commutazione da 5V 2A.
Ho alcuni dubbi anche sui valori esposti circa la lampada a led; ma questa e' un'altra storia.
E' naturalmente da dimensionare visto che i valori esposti sono completamente sballati.
Anche il regolatore, se deve reggere 1.2A, non va bene e ci vorrebbe al limite un 7805CV ampiamente dissipato.
La cosa migliore che posso consigliarti e' quella di prendere un alimentatore gia' fatto di quelli a commutazione da 5V 2A.
Ho alcuni dubbi anche sui valori esposti circa la lampada a led; ma questa e' un'altra storia.
marco
0
voti
come ti hanno già spiegato, se nel 7805 passassero veramente 1,2 A dissiperebbe troppa potenza perché la tensione in entrata è troppo elevata rispetto a quella di uscita, per questo come aveva ipotizzato anche sediciampere,il dispositivo probabilmente va in protezione abbassando la tensione di uscita per limitare la corrente erogata in modo tale che il prodotto VxI sul regolatore rientri nei dati di overload del dispositivo.
Una soluzione alternativa a quella esposta da marco è quella di acquistare un 7809 e metterlo in cascata al 7505 che comunque va alettato perché la corrente è troppo alta per non farlo
Una soluzione alternativa a quella esposta da marco è quella di acquistare un 7809 e metterlo in cascata al 7505 che comunque va alettato perché la corrente è troppo alta per non farlo
39 messaggi
• Pagina 1 di 4 • 1, 2, 3, 4
Chi c’è in linea
Visitano il forum: Nessuno e 69 ospiti

Elettrotecnica e non solo (admin)
Un gatto tra gli elettroni (IsidoroKZ)
Esperienza e simulazioni (g.schgor)
Moleskine di un idraulico (RenzoDF)
Il Blog di ElectroYou (webmaster)
Idee microcontrollate (TardoFreak)
PICcoli grandi PICMicro (Paolino)
Il blog elettrico di carloc (carloc)
DirtEYblooog (dirtydeeds)
Di tutto... un po' (jordan20)
AK47 (lillo)
Esperienze elettroniche (marco438)
Telecomunicazioni musicali (clavicordo)
Automazione ed Elettronica (gustavo)
Direttive per la sicurezza (ErnestoCappelletti)
EYnfo dall'Alaska (mir)
Apriamo il quadro! (attilio)
H7-25 (asdf)
Passione Elettrica (massimob)
Elettroni a spasso (guidob)
Bloguerra (guerra)









