Rilevatore segnale PWM
Moderatori:
carloc,
g.schgor,
BrunoValente,
IsidoroKZ
14 messaggi
• Pagina 1 di 2 • 1, 2
1
voti
vediamo se l'idea ti piace
mandi il segnale PWM ad una porta AND prima di arrivare al tuo LED
mandi anche il segnale PWM ad un passabasso, e poi ad un comparatore, cosi' potrai confrontare con la soglia del 10%
Il comparatore lo mandi sull'altro ingresso della AND
conclusione, se stai sopra la soglia il comparatore rende la porta AND attiva e il segnale PWM passa fino al tuo LED, se invece il PWM è sotto soglia allora il comparatore andra' 'basso' e allora la porta AND viene disabilitata spegnendo definitivamente il tuo LED
ok?
mandi il segnale PWM ad una porta AND prima di arrivare al tuo LED
mandi anche il segnale PWM ad un passabasso, e poi ad un comparatore, cosi' potrai confrontare con la soglia del 10%
Il comparatore lo mandi sull'altro ingresso della AND
conclusione, se stai sopra la soglia il comparatore rende la porta AND attiva e il segnale PWM passa fino al tuo LED, se invece il PWM è sotto soglia allora il comparatore andra' 'basso' e allora la porta AND viene disabilitata spegnendo definitivamente il tuo LED
ok?
1
voti
puoi certamente pensare la soluzione con il classico passabasso implementato con l'operazionale.... comunque anche quello passivo con semplice reisstenza e condensatore dovrebbe andare bene, tanto non dovresti creare particolari interferenze con il resto del circuito.
Devi solo stare attento alla frequenza di taglio, che dovrà essere piuttosto bassa per eliminare eventuari fluttuazioni dovuti alla PWM stessa.
Infatti quando sei vicino alla soglia potresti avere strane instabilità del comparatore e la porta AND e potresti trovarti in uscita una PWM a singhiozzo.
se il tuo segnale PWM è realizzato alla frequenza ad es di 1 kHz, e il tuo filtro lo realizzi con C=100uF e R=100KOhm dovresti aver un filtro ad un polo con frequenza di taglio 0.1Hz, non male visto che le 3-4 decadi che ti separano dalla portante della PWM garantiranno vari dB di attenuazione. Se fai un doppio stadio magari è anche meglio, raddoppi l'attenuazione... prova magari con qualche test.
Devi solo stare attento alla frequenza di taglio, che dovrà essere piuttosto bassa per eliminare eventuari fluttuazioni dovuti alla PWM stessa.
Infatti quando sei vicino alla soglia potresti avere strane instabilità del comparatore e la porta AND e potresti trovarti in uscita una PWM a singhiozzo.
se il tuo segnale PWM è realizzato alla frequenza ad es di 1 kHz, e il tuo filtro lo realizzi con C=100uF e R=100KOhm dovresti aver un filtro ad un polo con frequenza di taglio 0.1Hz, non male visto che le 3-4 decadi che ti separano dalla portante della PWM garantiranno vari dB di attenuazione. Se fai un doppio stadio magari è anche meglio, raddoppi l'attenuazione... prova magari con qualche test.
0
voti
Molto interessante. Se poi si può regolare il valore di soglia a piacere con un comando, e visualizzarlo in qualche modo, andrà bene anche a me. Aspetto con fremente entusiasmo lo schema proposto.
-

StefanGrenzer
169 5 - Frequentatore

- Messaggi: 147
- Iscritto il: 17 gen 2015, 1:47
0
voti
StefanGrenzer ha scritto:. Se poi si può regolare il valore di soglia a piacere con un comando, e visualizzarlo in qualche modo,
certo che si puo' regolare: il valore di soglia si stabilisce mediante un partitore di 2 resistenze, una delle quali sarà variabile mediante un potenziometro.
Per visualizzarlo basta un voltmetro. Volendo una installazione definitiva e dotata di display potresti usare quei voltmetri cinesi da 3 euro con display 7 segmenti.
[resta il fatto che si visualizzerà una tensione in volt, mentre probabilmente sarebbe piu' chiara una qualche forma di percentuale... ma non si puo' avere facilmente tutto]
0
voti
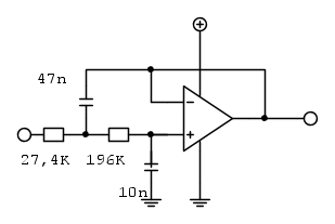
I componenti che hai indicato: 100KOhm e 100uF sono per un filtro RC o per un filtro attivo del 2o ordine ?
Come hai ricavato la ft di 0,1 Hz ?
Allego un idea di filtro attivo (100Hz) per il segnale PWM che e' piu' rapido nella risposta di un normale RC.
Come hai ricavato la ft di 0,1 Hz ?
Allego un idea di filtro attivo (100Hz) per il segnale PWM che e' piu' rapido nella risposta di un normale RC.
14 messaggi
• Pagina 1 di 2 • 1, 2
Chi c’è in linea
Visitano il forum: Nessuno e 43 ospiti

Elettrotecnica e non solo (admin)
Un gatto tra gli elettroni (IsidoroKZ)
Esperienza e simulazioni (g.schgor)
Moleskine di un idraulico (RenzoDF)
Il Blog di ElectroYou (webmaster)
Idee microcontrollate (TardoFreak)
PICcoli grandi PICMicro (Paolino)
Il blog elettrico di carloc (carloc)
DirtEYblooog (dirtydeeds)
Di tutto... un po' (jordan20)
AK47 (lillo)
Esperienze elettroniche (marco438)
Telecomunicazioni musicali (clavicordo)
Automazione ed Elettronica (gustavo)
Direttive per la sicurezza (ErnestoCappelletti)
EYnfo dall'Alaska (mir)
Apriamo il quadro! (attilio)
H7-25 (asdf)
Passione Elettrica (massimob)
Elettroni a spasso (guidob)
Bloguerra (guerra)





