Schema alimentatore da 13,5V 1A
Moderatori:
carloc,
g.schgor,
BrunoValente,
IsidoroKZ
21 messaggi
• Pagina 1 di 3 • 1, 2, 3
0
voti
Salve a tutti. Sono un appassionato di elettronica alle prime armi e avrei bisogno di uno schema per costruirmi un alimentatore che funga anche da carica batterie per moto. Dovrebbe erogare 13,5V e un corrente da 1/ 1,2A max, che sia stabile sia in tensione che in corrente. Ringrazio anticipatamente.
0
voti
sono due cose leggermente diverse. un conto è un alimentatore stabilizzato a 13,5 V con una corrente max di 1,2 A e un conto è un caricabatterie che non deve essere stabilizzato.
0
voti
Ti rispondo da motociclista.
La corrente del carica batteria va considerata in funzione della sua capacità.
Di solito un decimo della sua corrente di erogazione(almeno io faccio così).
Forse la mia batteria avrà concluso la sua vita ma per ottenere la suddetta condizione la tensione del carica batterie raggiunge anche 14 V.
Comunque per stare tranquilli, a batteria scarica, do al massimo una corrente di 1 A.
La corrente del carica batteria va considerata in funzione della sua capacità.
Di solito un decimo della sua corrente di erogazione(almeno io faccio così).
Forse la mia batteria avrà concluso la sua vita ma per ottenere la suddetta condizione la tensione del carica batterie raggiunge anche 14 V.
Comunque per stare tranquilli, a batteria scarica, do al massimo una corrente di 1 A.
Se quello che funziona basta non lo tocca' sennò te lassa!
0
voti
Grazie per le risposte, le batterie delle moto da caricare sono del tipo Yuasa da 12V 10/11A, quindi con 1/1,2A ci siamo con il "decimo" della capacità. Bhè, fate voi......stabilizzato o no, vorrei realizzarne uno di buona qualità.
2
voti
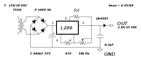
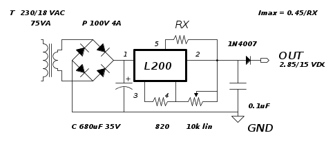
Vista la corrente da erogare, suggerirei il circuito che segue:
E' basato sul regolatore L200, in grado di supportare correnti di 2A se opportunamente dissipato; al circuito andra' poi aggiunto un idoneo trasformatore ( indicativamente 18VAC 4A), un ponte raddrizzatore (4A 100V) ed un condensatore di livellamento.
Con questo circuito avrai a disposizione un alimentatore stabilizzato regolabile in tensione da 2.85 a circa 15V e limitabile in corrente tramite il resistore indicato come RX.
Regolando la tensione e limitando la corrente ai valori d targa indicati dal costruttore della batteria, potrai agevolmente ricaricarla.
E' basato sul regolatore L200, in grado di supportare correnti di 2A se opportunamente dissipato; al circuito andra' poi aggiunto un idoneo trasformatore ( indicativamente 18VAC 4A), un ponte raddrizzatore (4A 100V) ed un condensatore di livellamento.
Con questo circuito avrai a disposizione un alimentatore stabilizzato regolabile in tensione da 2.85 a circa 15V e limitabile in corrente tramite il resistore indicato come RX.
Regolando la tensione e limitando la corrente ai valori d targa indicati dal costruttore della batteria, potrai agevolmente ricaricarla.
marco
0
voti
Grazie Marco, posseggo già un alimentatore regolabile con quelle caratteristiche. Io volevo farne uno specifico al mio scopo, cioè, che funga solo da caricabatteria da tenere in garage all'occorrenza.
1
voti
sasa53 ha scritto:..... avrei bisogno di uno schema per costruirmi un alimentatore che funga anche da carica batterie per moto.
Mah, stando a quanto hai scritto, mi pare che il circuito postato abbia le caratteristiche che richiedi.
Una batteria al piombo deve essere ricaricata a tensione costante e corrente limitata ad 1/10C e tali caratteristiche si ritrovano nello schema indicato.
Forse sono io che non ho capito che cosa vuoi; in tal caso specifica meglio.
marco
0
voti
marco438 ha scritto:... mi pare che il circuito postato abbia le caratteristiche...
Non sarò un fenomeno ma sembra anche a me!
Se quello che funziona basta non lo tocca' sennò te lassa!
0
voti
Scusatemi......sicuramente sono io che mi spiego male. Lo schema é per un alimentatore a tensione variabile tramite potenziometro giusto? Io ne vorrei uno non variabile, senza potenziometro, cioè fisso, con uscita 13/13,5/v e 1/1,2A. Attacco spina, attacco morsetti e via....
Domanda da neofita.....se a quello schema si elimina il potenziometro, lo alimento con trasformatore da 15v 2A, che uscita avrò?
Domanda da neofita.....se a quello schema si elimina il potenziometro, lo alimento con trasformatore da 15v 2A, che uscita avrò?
0
voti
E' sufficiente sostituire il potenziometro con un trimmer o con una resistenza fissa di adeguato valore.
Non e' detto peraltro che 13/13.5V siano sufficienti per una corretta ricarica; occorrerebbe conoscere con precisione le istruzioni in merito del costruttore.
Mediamente, comunque la tensione di ricarica e' di 13.8V.
Non e' detto peraltro che 13/13.5V siano sufficienti per una corretta ricarica; occorrerebbe conoscere con precisione le istruzioni in merito del costruttore.
Mediamente, comunque la tensione di ricarica e' di 13.8V.
marco
21 messaggi
• Pagina 1 di 3 • 1, 2, 3
Chi c’è in linea
Visitano il forum: Nessuno e 47 ospiti

Elettrotecnica e non solo (admin)
Un gatto tra gli elettroni (IsidoroKZ)
Esperienza e simulazioni (g.schgor)
Moleskine di un idraulico (RenzoDF)
Il Blog di ElectroYou (webmaster)
Idee microcontrollate (TardoFreak)
PICcoli grandi PICMicro (Paolino)
Il blog elettrico di carloc (carloc)
DirtEYblooog (dirtydeeds)
Di tutto... un po' (jordan20)
AK47 (lillo)
Esperienze elettroniche (marco438)
Telecomunicazioni musicali (clavicordo)
Automazione ed Elettronica (gustavo)
Direttive per la sicurezza (ErnestoCappelletti)
EYnfo dall'Alaska (mir)
Apriamo il quadro! (attilio)
H7-25 (asdf)
Passione Elettrica (massimob)
Elettroni a spasso (guidob)
Bloguerra (guerra)






