Salve a tutti,
devo fare un circuito alimentato con una batteria a 9V che gestisce tramite un micro ATmega8 una tastiera 4x3 che inserendo la combinazione giusta attiva una mini serratura elettrica...
Per far durare la batteria il più possibile, c'è un sistema diverso dal classico 7805 per portare i 9V della batteria a 5V necessari per il microP.?
Basso consumo
Moderatori:
carloc,
g.schgor,
BrunoValente,
IsidoroKZ
29 messaggi
• Pagina 1 di 3 • 1, 2, 3
0
voti
Prova a dare un'occhiata a qualche regolatore DC/DC switching che per di più è isolato.
Prova a dare un'occhiata a quello che ti offre la RECOM. Li ho usati in passato e sono ottimi prodotti.
Considera però che, utilizzando questo tipo di componenti ti occorrerà aggiungere dei filtri.
Prova a dare un'occhiata a quello che ti offre la RECOM. Li ho usati in passato e sono ottimi prodotti.
Considera però che, utilizzando questo tipo di componenti ti occorrerà aggiungere dei filtri.
0
voti
Sì, ma la serratura elettrica sarebbe alimentata con la stessa piletta oppure ha una alimentazione a parte?
-

FedericoSibona
5.022 3 5 8 - Master

- Messaggi: 3951
- Iscritto il: 19 mar 2013, 11:43
1
voti
Atomo ha scritto:Per far durare la batteria il più possibile, c'è un sistema diverso dal classico 7805 per portare i 9V della batteria a 5 V necessari per il microP.?
In un'applicazione del genere di solito il tempo in stand-by è di gran lunga superiore al tempo attivo. Quindi non vale molto la pena cercare di ottimizzare l'efficienza del circuito in fase di lavoro, conviene concentrarsi sulle perdite durante lo standby.
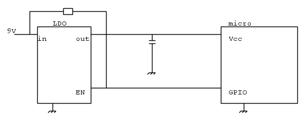
Verifica se l'Atmega (microcontroller che non conosco) può andare in un qualche modo sonnolento profondo e risvegliarsi quando il Brown-Out detector genera un interrupt. In tal caso prendi un LDO con ingresso enable e lo fai gestire dal microcontroller. Per gli intervalli tra un enable e l'altro ti serve un condensatore dimensionato adeguatamente e con poco leakage.
All'accensione del circuito devi avere un metodo per generare il primo enable (bootstrapping). Il metodo piú semplice è "tirar sú" il pin con una resistenza di valore ultra-immondo (di solito il threshold di questi ingressi è bello basso e la corrente d'ingresso sotto al microampere). Il consumo in stand-by diventa così il consumo del micro che dorme, il consumo dell'LDO che dorme e la corrente che entra nel pin GPIO tirato giú.
Boiler
0
voti
per quanto riguarda il consumo del micro già lo avevo ottimizzato portandolo in power down in standby e risvegliandolo con interrupt quando si digita sulla tastiera
ma x stabilizzare la tensione a 5V non c'è niente di meglio in termini di consumo di corrente del 7805 ?
ma x stabilizzare la tensione a 5V non c'è niente di meglio in termini di consumo di corrente del 7805 ?
1
voti
Atomo ha scritto:ma per stabilizzare la tensione a 5 V non c'è niente di meglio in termini di consumo di corrente del 7805 ?
Ma la mia risposta l'hai letta?
Se ti serve un esempio di detto LDO: MIC5205-5.0YM5
Boiler
2
voti
[10] Re: Basso consumo
L'esempio c'è sulla prima (dicasi prima!) pagina del datasheet
http://www.micrel.com/_PDF/mic5205.pdf
Ne deduco che nemmeno l'hai cercato, il datasheet...
Boiler
http://www.micrel.com/_PDF/mic5205.pdf
Ne deduco che nemmeno l'hai cercato, il datasheet...
Boiler
29 messaggi
• Pagina 1 di 3 • 1, 2, 3
Chi c’è in linea
Visitano il forum: Nessuno e 223 ospiti

Elettrotecnica e non solo (admin)
Un gatto tra gli elettroni (IsidoroKZ)
Esperienza e simulazioni (g.schgor)
Moleskine di un idraulico (RenzoDF)
Il Blog di ElectroYou (webmaster)
Idee microcontrollate (TardoFreak)
PICcoli grandi PICMicro (Paolino)
Il blog elettrico di carloc (carloc)
DirtEYblooog (dirtydeeds)
Di tutto... un po' (jordan20)
AK47 (lillo)
Esperienze elettroniche (marco438)
Telecomunicazioni musicali (clavicordo)
Automazione ed Elettronica (gustavo)
Direttive per la sicurezza (ErnestoCappelletti)
EYnfo dall'Alaska (mir)
Apriamo il quadro! (attilio)
H7-25 (asdf)
Passione Elettrica (massimob)
Elettroni a spasso (guidob)
Bloguerra (guerra)







