Cos'è ElectroYou | Login Iscriviti

ElectroYou - la comunità dei professionisti del mondo elettrico

dubbio "catena" di inverter

Elettronica lineare e digitale: didattica ed applicazioni

Moderatori: Foto Utentecarloc, Foto Utenteg.schgor, Foto UtenteBrunoValente, Foto UtenteIsidoroKZ

0
voti

[1] dubbio "catena" di inverter

Messaggioda Foto Utentephase » 25 giu 2015, 18:10

Ciao a tutti! :D

Ho un dubbio riguardo ad un problema di elettronica digitale...
Voi come rispondereste questa domanda:
"Supponete di avere una catena di 3 invertitori CMOS di dimensioni minime, uno dopo l'altro. Se raddoppiate la LUNGHEZZA dei transistor di quello in mezzo, il ritardo della catena" ?

Io risponderei quadruplica però non sono sicuro :? :?

Grazie ;)
Avatar utente
Foto Utentephase
50 4
New entry
New entry
 
Messaggi: 82
Iscritto il: 23 apr 2013, 16:28

0
voti

[2] Re: dubbio "catena" di inverter

Messaggioda Foto Utentegotthard » 25 giu 2015, 18:50

Ciao Foto Utentephase!
phase ha scritto:Io risponderei quadruplica però non sono sicuro :? :?

Puoi scrivere il tuo ragionamento? :-P
...\frac{\mathrm{d} p}{\mathrm{d} t}=JCM... :!:
Avatar utente
Foto Utentegotthard
4.611 2 5 9
Expert EY
Expert EY
 
Messaggi: 1357
Iscritto il: 5 lug 2013, 14:01

0
voti

[3] Re: dubbio "catena" di inverter

Messaggioda Foto Utentephase » 25 giu 2015, 19:17

Non volevo influenzare il ragionamento... Io pensavo che la capacità del secondo stadio vista dall'ingresso raddoppiasse e quindi raddoppiasse il primo tempo di propagazione, e aumentasse anche la resistenza del secondo stadio e quindi raddoppiasse anche il secondo tempo e si quadruplica in totale...
Avatar utente
Foto Utentephase
50 4
New entry
New entry
 
Messaggi: 82
Iscritto il: 23 apr 2013, 16:28

0
voti

[4] Re: dubbio "catena" di inverter

Messaggioda Foto Utentegotthard » 25 giu 2015, 19:30

Puoi scrivere qui sotto le formule (fatte a scuola/prese dal libro in cui stai studiando) della capacità di ingresso e della capacità di uscita di un singolo inverter, relazionate entrambe alle dimensioni dei due mosfet (uno p e l' altro n, costituenti l' inverter)?
...\frac{\mathrm{d} p}{\mathrm{d} t}=JCM... :!:
Avatar utente
Foto Utentegotthard
4.611 2 5 9
Expert EY
Expert EY
 
Messaggi: 1357
Iscritto il: 5 lug 2013, 14:01

0
voti

[5] Re: dubbio "catena" di inverter

Messaggioda Foto Utentephase » 25 giu 2015, 20:36

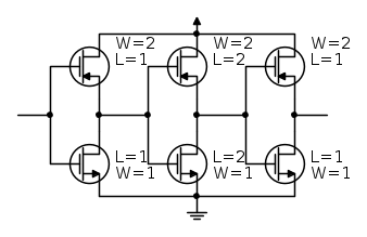
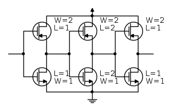
Allora il circuito è questo



le dimensioni W e L sono normalizzate rispetto al minimo realizzabile in base alla tecnologia utilizzata (\beta=2)...

questo è il modello che pensavo di usare (e anche qui i valori di resistenza e capacità sono normalizzate rispetto alla resistenza iniziale)


Le formule penso possano essere tralasciate se consideriamo che C_l\propto \dfrac{W}{L} e R\propto \dfrac{W}{L}, comunque la formula C_{l1}= C_{gateN2}+C_{gateP2}=2(C_{gateN1}+C_{gateP1}).

Il ritardo lo considero proporzionale ad RC, quindi

ritardo della catena "normale"t_{p_{tot1}}=t_{p1}+t_{p2}= R_{on1}C_{L1}+R_{on2}C_{L2}
ritardo della catena con l'inverter più lungo t_{p_{tot2}}=t_{p1}+t_{p2}= R_{on1}2C_{L1}+2R_{on2}C_{L2}=2t_{p_{tot1}}

quindi si raddoppia? :?

EDIT: R\propto \dfrac{L}{W}
Ultima modifica di Foto Utentephase il 25 giu 2015, 21:14, modificato 1 volta in totale.
Avatar utente
Foto Utentephase
50 4
New entry
New entry
 
Messaggi: 82
Iscritto il: 23 apr 2013, 16:28

0
voti

[6] Re: dubbio "catena" di inverter

Messaggioda Foto Utentegotthard » 25 giu 2015, 20:56

Mi sbaglio, o manca il ritardo di propagazione del terzo stadio (t_{p3})?
...\frac{\mathrm{d} p}{\mathrm{d} t}=JCM... :!:
Avatar utente
Foto Utentegotthard
4.611 2 5 9
Expert EY
Expert EY
 
Messaggi: 1357
Iscritto il: 5 lug 2013, 14:01

0
voti

[7] Re: dubbio "catena" di inverter

Messaggioda Foto Utentephase » 25 giu 2015, 20:59

Diciamo che è ignota la capacità di carico e quindi si può dire che il ritardo associato al terzo inverter è trascurabile...

Anche la domanda era una domanda a scelta multipla dove la risposta può essere presa con come una approssimazione (diciamo che la risposta giusta è quella che si avvicina di più a quella analiticamnte corretta)

Sempre che non stia sbagliando in pieno :mrgreen:
Avatar utente
Foto Utentephase
50 4
New entry
New entry
 
Messaggi: 82
Iscritto il: 23 apr 2013, 16:28

0
voti

[8] Re: dubbio "catena" di inverter

Messaggioda Foto Utenteboiler » 25 giu 2015, 21:05

phase ha scritto:R\propto \dfrac{W}{L}


Sicuro? ;-)

Boiler
Avatar utente
Foto Utenteboiler
26,4k 5 9 13
G.Master EY
G.Master EY
 
Messaggi: 5601
Iscritto il: 9 nov 2011, 12:27

0
voti

[9] Re: dubbio "catena" di inverter

Messaggioda Foto Utentephase » 25 giu 2015, 21:06

#-o #-o #-o #-o
R\propto\dfrac{L}{W}
ctrl+c ctrl+v :oops:
Avatar utente
Foto Utentephase
50 4
New entry
New entry
 
Messaggi: 82
Iscritto il: 23 apr 2013, 16:28

0
voti

[10] Re: dubbio "catena" di inverter

Messaggioda Foto Utenteboiler » 25 giu 2015, 21:07

phase ha scritto:R\propto\dfrac{L}{W}


:ok:

Quindi...
Avatar utente
Foto Utenteboiler
26,4k 5 9 13
G.Master EY
G.Master EY
 
Messaggi: 5601
Iscritto il: 9 nov 2011, 12:27

Prossimo

Torna a Elettronica generale

Chi c’è in linea

Visitano il forum: Nessuno e 180 ospiti