Salve,
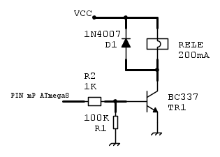
vorrei una conferma sul valore della resistenza di base che ho usato per il transistor BC337 considerando che la tensione VBE può andare da 5V a 3,5V e il carico sul collettore assorbe con VCC=9V circa 200mA
Perche' non fai gli schemi in FidoCadJ? Leggi le regole del forum.
Ib = Ic / hfe = 0.2A / 50 = 0.004A
Rb = (5V - 0.7V) / 0.004A = 1075 Ohm
Valore resistenza base transistor
Moderatori:
carloc,
g.schgor,
BrunoValente,
IsidoroKZ
3 messaggi
• Pagina 1 di 1
1
voti
Avendo preso l'hfe=50 il minimo dichiarato da data sheet è 60 hai tenuto un margine del 20% per l'andata in saturazione , è ok , va usata però la minima tensione di comando ch è 3,5v e quando approssimi la Rb ai valori commerciali usa quella inferiore per un'ulteriore margine di sicurezza sull'andata in saturazione.
(3,5-0,7)/(0,2/50)= 700 hom.
(3,5-0,7)/(0,2/50)= 700 hom.
Scopo principale della nostra vita , è dare prosieguo alla vita , come tutti gli esseri viventi fanno.
3 messaggi
• Pagina 1 di 1
Chi c’è in linea
Visitano il forum: Google [Bot] e 147 ospiti

Elettrotecnica e non solo (admin)
Un gatto tra gli elettroni (IsidoroKZ)
Esperienza e simulazioni (g.schgor)
Moleskine di un idraulico (RenzoDF)
Il Blog di ElectroYou (webmaster)
Idee microcontrollate (TardoFreak)
PICcoli grandi PICMicro (Paolino)
Il blog elettrico di carloc (carloc)
DirtEYblooog (dirtydeeds)
Di tutto... un po' (jordan20)
AK47 (lillo)
Esperienze elettroniche (marco438)
Telecomunicazioni musicali (clavicordo)
Automazione ed Elettronica (gustavo)
Direttive per la sicurezza (ErnestoCappelletti)
EYnfo dall'Alaska (mir)
Apriamo il quadro! (attilio)
H7-25 (asdf)
Passione Elettrica (massimob)
Elettroni a spasso (guidob)
Bloguerra (guerra)


