Salve sto cercando di realizzare un riscaldatore seguendo un circuito suggeritomi da IsidoroKZ per un riscaldatore ma ho qualche problema, ho analizzato le connessioni e i vari componenti e ho notato che il problema è un op amp (mcp6021). L'uscita di questo op amp è sempre zero o rumorosissima, ho provato a testare solo lui e a sostituirlo ma non cambia.
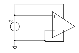
Il circuito per testarlo è questo.In questa configurazione mi aspetterei in uscita 3.3V. Forse non è possibile testarlo così. Come si fa?
Testare un op_amp
Moderatori:
carloc,
g.schgor,
BrunoValente,
IsidoroKZ
4 messaggi
• Pagina 1 di 1
0
voti
Qual era il problema?
Per usare proficuamente un simulatore, bisogna sapere molta più elettronica di lui
Plug it in - it works better!
Il 555 sta all'elettronica come Arduino all'informatica! (entrambi loro malgrado)
Se volete risposte rispondete a tutte le mie domande
Plug it in - it works better!
Il 555 sta all'elettronica come Arduino all'informatica! (entrambi loro malgrado)
Se volete risposte rispondete a tutte le mie domande
1
voti
Se si cerca il componente su farnell (il sito dove ho acquistato il componente) il sito indica un data sheet sbagliato. Invece del MCP6021/1R/2/3/4 ( trovato sul sito della microchip) porta il MCP601/1R/2/3/4 e come lo scemo mi sono fidato del sito senza fare troppa attenzione. In conclusione i pin non coincidevano.
4 messaggi
• Pagina 1 di 1
Chi c’è in linea
Visitano il forum: Nessuno e 196 ospiti

Elettrotecnica e non solo (admin)
Un gatto tra gli elettroni (IsidoroKZ)
Esperienza e simulazioni (g.schgor)
Moleskine di un idraulico (RenzoDF)
Il Blog di ElectroYou (webmaster)
Idee microcontrollate (TardoFreak)
PICcoli grandi PICMicro (Paolino)
Il blog elettrico di carloc (carloc)
DirtEYblooog (dirtydeeds)
Di tutto... un po' (jordan20)
AK47 (lillo)
Esperienze elettroniche (marco438)
Telecomunicazioni musicali (clavicordo)
Automazione ed Elettronica (gustavo)
Direttive per la sicurezza (ErnestoCappelletti)
EYnfo dall'Alaska (mir)
Apriamo il quadro! (attilio)
H7-25 (asdf)
Passione Elettrica (massimob)
Elettroni a spasso (guidob)
Bloguerra (guerra)



