Salve a tutti ragazzi, sono nuovo del forum, del mondo dell'elettronica e dell'elettrotecnica. Innanzitutto mi presento, sono Ledo e sono molto felice di far parte di questo Forum, fatto di gente estremamente preparata. Scorrendo i vari argomenti, ho trovato tutte persone molto disponibili che sanno perfettamente di ciò che stanno parlando e spero di poter imparare molto da voi.
Vi scrivo perché ho deciso di provare a costruire da solo una piccola torcia con funzione stroboscopica. Un progetto semplice per cercare di comprendere i rudimenti di questo bellissimo mondo. su indicazione di un amico ho cercato un po' su internet quello che mi potrebbe servire per realizzare il mio piccolo progetto e grazie ad un software ho "disegnato" un circuito che vi allego; in pratica il mio scopo è realizzare un circuito che lavori con la funzione strobo, cercando su internet ho visto che mi serve un chip NE555, un trimmer che fa in modo che il led lampeggi con una frequenza fissa, resistenze e condesatori.
ecco la lista degli oggetti che credo di dover utilizzare per questo progetto:
1 x alimentazione 12 v;
1 x NE555;
2 x resistenza da 1 k ohm;
1 x resistenza da 30 k ohm;
1 x trimmer da 1 k ohm;
1 x diodo N4148
1 x condensatore da 1 uf (microfarad)
1 x condesatore da 10 nf (nanofared)
i led che vorrei utilizzare sono (da scegliere tra l'uno o l'altro):
1) http://www.ledworld.it/prodotto-144191/ ... clusa.aspx
2) http://www.tecnoaffiliazioni.it/home/pr ... 00k-240lm/
spero di poter inserire i link e che questo non comporti alcuna violazione.
i miei problemi fondamentali sono:
1) trovare i watt giusti per ogni componente, dato che quando sono andato in negozio il commesso (giustamente), mi ha chiesto le resistenze a quanti watt (1/2 o 1/4 o 1w ), idem per il condensatore;
2) se fosse possibile avere delle formule matematiche che mi consentano di ricavare da solo questi dati;
3) eventuali correzioni al mio progetto;
vi Ringrazio in anticipo per i consigli e la pazienza che vorrete dimostrarmi
Strobo con luce a led
Moderatori:
carloc,
g.schgor,
BrunoValente,
IsidoroKZ
44 messaggi
• Pagina 1 di 5 • 1, 2, 3, 4, 5
1
voti
Ciao e benvenuto nel forum.
Innanzitutto, gli schemi vanno creati usando FidoCadJ e poi postati direttamente nel corpo del messaggio utilizzando il tasto fcd che trovi nella barra strumenti (assieme a B, i, u, Quote, Code, List e così via).
I due LED che hai postato sono profondamente diversi fra loro, sia come tecnologia che come utilizzo.
Il primo è un LED singolo o al massimo un LED array, cioè un unico pezzo di silicio con integrati diversi dices in questo caso collegati in parallelo, ed ha una tensione di funzionamento che va da 3,4 a 3,8V @ 700mA di corrente, e a fronte di una potenza assorbita di 3W genera appena 200 lumen (cioè meno di 70lumen/watt, mi sembra piuttosto poco).
Il secondo è un gruppo di LED precollegati come parallelo di 3 serie da 3 LED ciascuna, e funziona a 12V dissipando 4W. Anche qui come flusso luminoso siamo malino, 240lumen (cioè 60 lumen/watt).
Comunque, indipendentemente dal flusso luminoso in uscita, nei due casi il circuito va dimensionato in modo differente e in nessuno dei due casi va bene come l'hai disegnato. innanzitutto, l'NE555 non eroga in uscita più di 200mA, insufficienti per entrambi i LED. Devi quindi come minimo mettere un transistor per prendere il comando di accensione e chiudere il circuito in cui ci sarà il LED.
Inoltre:
- il trimmer ti server per aggiustare la frequenza di lampeggio dello strobo
- il calcolo della potenza dissipata da una resistenza in un circuito è semplice:

così ottieni la potenza che una resistenza deve essere in grado di dissipare in una particolare confugurazione circuitale. Il risultato lo moltiplichi per due e poi comperi quella di potenza superiore più vicina. Esempio: se ottieni 120mW, la prendi da 250mW, se ottieni 150mW, la prendi da 500mW (ti prendi un bel margine, ma per i primi progetti va bene e ancor di più è meglio se poi tutto dovrà funzionare chiuso in una scatola che non permette scambio termico con l'esterno).
- Per i condensatori il commesso ti avrà chiesto la tensione di funzionamento, che è un termine improprio ma purtroppo ormai diffuso (avrebbe dovuto domandarti: quale vuole che sia la massima differenza di potenziale applicabile ai capi del condensatore senza che questi si rompa o vari in modo significativo la sua capacità? ...forse in effetti è un po' prolisso così
)
In questo caso, la risposta non sarebbe così semplice e dipende dal tipo di condensatore e dalla funzione che si vuole svolga. In generale, sempre a spanne, moltiplica per 2 la massima ddp ai capi del condensatore e poi compera un condensatore che tenga almeno quella. Esempio: se al massimo il tuo condensatore si caricherà a 12V, prendine uno da 25V e stai tranquillo. Qualcuno potrebbe dirti eh, ma ne esistono anche da 16V! e avrebbe ragione, uno da 16V andrebbe bene nel senso che non si romperebbe, ma allo stesso tempo non avresti la garanzia che il suo valore di capacità sia quello dichiarato, anzi (soprattutto per i ceramici da alta capacità) avresti la certezza che non lo sia.
Se ti impegni a rifare lo schema in fidocadJ, poi modifichiamo quello per inserire le correzioni (serve proprio a questo, se posti lo schema come testo nel corpo del messaggio poi lo possiamo prendere e modificare).
Ciao
Innanzitutto, gli schemi vanno creati usando FidoCadJ e poi postati direttamente nel corpo del messaggio utilizzando il tasto fcd che trovi nella barra strumenti (assieme a B, i, u, Quote, Code, List e così via).
I due LED che hai postato sono profondamente diversi fra loro, sia come tecnologia che come utilizzo.
Il primo è un LED singolo o al massimo un LED array, cioè un unico pezzo di silicio con integrati diversi dices in questo caso collegati in parallelo, ed ha una tensione di funzionamento che va da 3,4 a 3,8V @ 700mA di corrente, e a fronte di una potenza assorbita di 3W genera appena 200 lumen (cioè meno di 70lumen/watt, mi sembra piuttosto poco).
Il secondo è un gruppo di LED precollegati come parallelo di 3 serie da 3 LED ciascuna, e funziona a 12V dissipando 4W. Anche qui come flusso luminoso siamo malino, 240lumen (cioè 60 lumen/watt).
Comunque, indipendentemente dal flusso luminoso in uscita, nei due casi il circuito va dimensionato in modo differente e in nessuno dei due casi va bene come l'hai disegnato. innanzitutto, l'NE555 non eroga in uscita più di 200mA, insufficienti per entrambi i LED. Devi quindi come minimo mettere un transistor per prendere il comando di accensione e chiudere il circuito in cui ci sarà il LED.
Inoltre:
- il trimmer ti server per aggiustare la frequenza di lampeggio dello strobo
- il calcolo della potenza dissipata da una resistenza in un circuito è semplice:

così ottieni la potenza che una resistenza deve essere in grado di dissipare in una particolare confugurazione circuitale. Il risultato lo moltiplichi per due e poi comperi quella di potenza superiore più vicina. Esempio: se ottieni 120mW, la prendi da 250mW, se ottieni 150mW, la prendi da 500mW (ti prendi un bel margine, ma per i primi progetti va bene e ancor di più è meglio se poi tutto dovrà funzionare chiuso in una scatola che non permette scambio termico con l'esterno).
- Per i condensatori il commesso ti avrà chiesto la tensione di funzionamento, che è un termine improprio ma purtroppo ormai diffuso (avrebbe dovuto domandarti: quale vuole che sia la massima differenza di potenziale applicabile ai capi del condensatore senza che questi si rompa o vari in modo significativo la sua capacità? ...forse in effetti è un po' prolisso così
In questo caso, la risposta non sarebbe così semplice e dipende dal tipo di condensatore e dalla funzione che si vuole svolga. In generale, sempre a spanne, moltiplica per 2 la massima ddp ai capi del condensatore e poi compera un condensatore che tenga almeno quella. Esempio: se al massimo il tuo condensatore si caricherà a 12V, prendine uno da 25V e stai tranquillo. Qualcuno potrebbe dirti eh, ma ne esistono anche da 16V! e avrebbe ragione, uno da 16V andrebbe bene nel senso che non si romperebbe, ma allo stesso tempo non avresti la garanzia che il suo valore di capacità sia quello dichiarato, anzi (soprattutto per i ceramici da alta capacità) avresti la certezza che non lo sia.
Se ti impegni a rifare lo schema in fidocadJ, poi modifichiamo quello per inserire le correzioni (serve proprio a questo, se posti lo schema come testo nel corpo del messaggio poi lo possiamo prendere e modificare).
Ciao
_______________________________________________________
Gli oscillatori non oscillano mai, gli amplificatori invece sempre
Io HO i poteri della supermucca, e ne vado fiero!
Gli oscillatori non oscillano mai, gli amplificatori invece sempre
Io HO i poteri della supermucca, e ne vado fiero!
1
voti
ciao Obiuan;
Innanzitutto grazie di avermi risposto, lo apprezzo molto, sto facendo una fatica bestiale per trovare qualche risposta alle mie domande e sapere che c'è qualcuno che ha abbastanza pazienza da rispondere ad un novelinno fa piacere.
Allora come da precedenti istruzioni ho provveduto a creare il circuito cn fidocadj, spero di averlo fatto bene e di aver inserito tutto quello che serve; mi rendo conto che 200 lumen non sono tantissimi ma sono una intensità luminosa più che sufficente per ciò che devo fare, infatti dopo i 140 lumen, l'occhio inizia a non vedere più bene e con una potenza eccessiva rischierei di accecare qualcuna
premesso tutto ciò, nel post precedente mi hai segnalato che è necessario inserire un transistor per dare maggiore potenza al circuito così da far funzionare il led correttamente. se potessi indicarmi dove correggere lo schema te ne sarei molto grato, inoltre non credo di aver compreso a quali valori si fa riferimento nella formula ossia V= la differenza di potenziale (12V di partenza 3.4 quella di arrivo), R = resistenza poi V= differenza di potenziale I= corrente che transita nel componente (700 ma nel caso del primo led). spero sia tutto giusto e spero che tu possa darmi una mano. per il resto dei componenti credo di esserci, ossia i condensatori li prenderò da 25V, per i transistor devo ancora capire come funziona la cosa ma cercherò di scoprirlo da solo perché non posso scocciarti per ogni minima cosa, già l'aiuto che vorrai darmi sarà molto prezioso e molto ben accetto.
Innanzitutto grazie di avermi risposto, lo apprezzo molto, sto facendo una fatica bestiale per trovare qualche risposta alle mie domande e sapere che c'è qualcuno che ha abbastanza pazienza da rispondere ad un novelinno fa piacere.
Allora come da precedenti istruzioni ho provveduto a creare il circuito cn fidocadj, spero di averlo fatto bene e di aver inserito tutto quello che serve; mi rendo conto che 200 lumen non sono tantissimi ma sono una intensità luminosa più che sufficente per ciò che devo fare, infatti dopo i 140 lumen, l'occhio inizia a non vedere più bene e con una potenza eccessiva rischierei di accecare qualcuna
premesso tutto ciò, nel post precedente mi hai segnalato che è necessario inserire un transistor per dare maggiore potenza al circuito così da far funzionare il led correttamente. se potessi indicarmi dove correggere lo schema te ne sarei molto grato, inoltre non credo di aver compreso a quali valori si fa riferimento nella formula ossia V= la differenza di potenziale (12V di partenza 3.4 quella di arrivo), R = resistenza poi V= differenza di potenziale I= corrente che transita nel componente (700 ma nel caso del primo led). spero sia tutto giusto e spero che tu possa darmi una mano. per il resto dei componenti credo di esserci, ossia i condensatori li prenderò da 25V, per i transistor devo ancora capire come funziona la cosa ma cercherò di scoprirlo da solo perché non posso scocciarti per ogni minima cosa, già l'aiuto che vorrai darmi sarà molto prezioso e molto ben accetto.
1
voti
Ciao
ledo,
ti passo questo link http://www.sebaseraelettronica.altervista.org/faro-stroboscopico-a-led-multifunzione/
in cui sono incappato per caso ieri.
Mi sembra, ma non sono assolutamente sicuro, che l'autore sia anche un partecipante del forum, ma non ricordo chi...
ti passo questo link http://www.sebaseraelettronica.altervista.org/faro-stroboscopico-a-led-multifunzione/
in cui sono incappato per caso ieri.
Mi sembra, ma non sono assolutamente sicuro, che l'autore sia anche un partecipante del forum, ma non ricordo chi...
Alberto
La vita è come una bicicletta, devi sempre pedalare per rimanere in equilibrio
Annuncio sempre valido: http://www.electroyou.it/forum/viewtopic.php?f=10&t=62668
La vita è come una bicicletta, devi sempre pedalare per rimanere in equilibrio
Annuncio sempre valido: http://www.electroyou.it/forum/viewtopic.php?f=10&t=62668
-

AlbertoBianchi
2.009 3 5 - Master

- Messaggi: 836
- Iscritto il: 4 dic 2014, 18:30
- Località: Lastra a Signa (FI)
0
voti
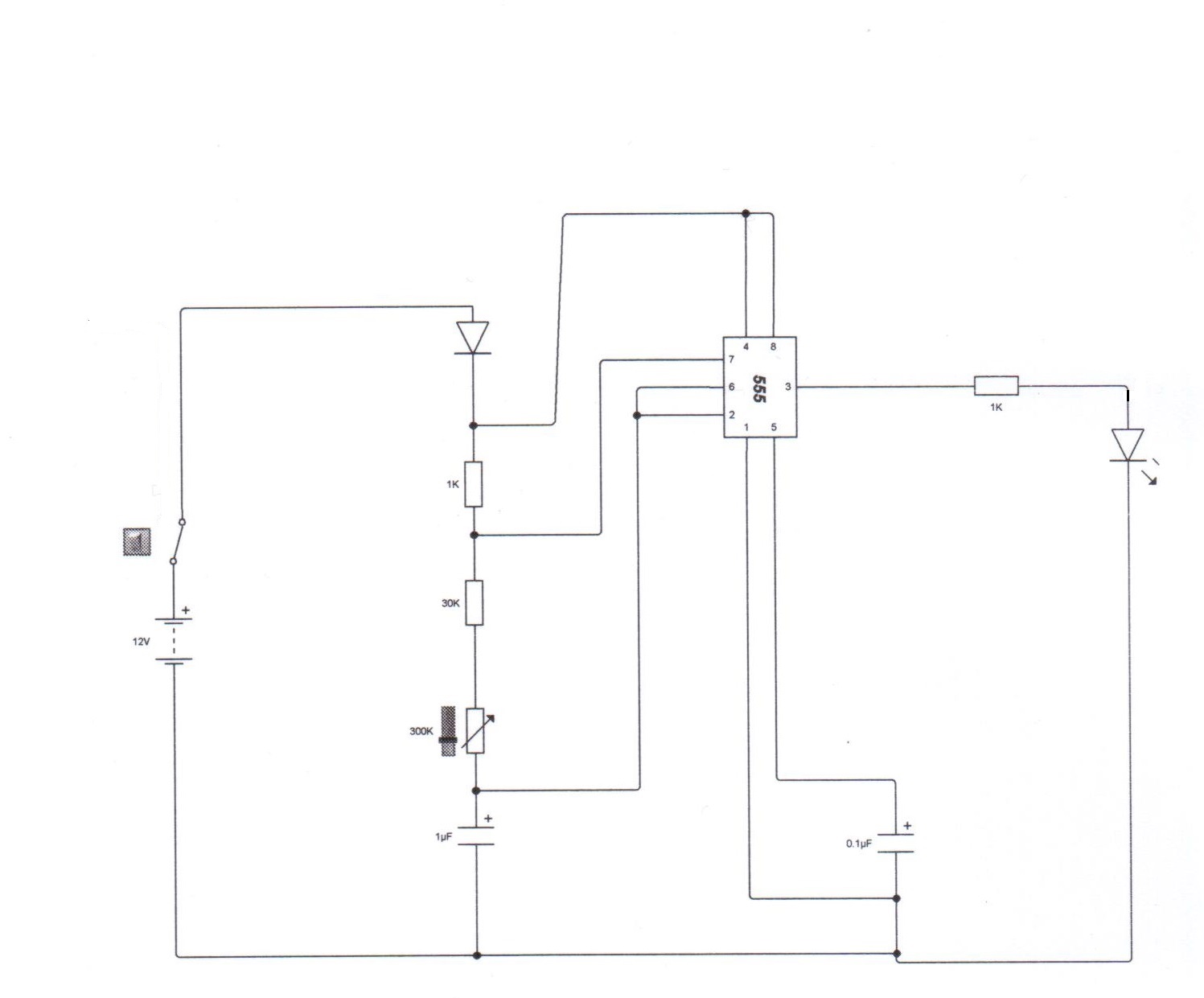
Ciao Ragazzi, ho provveduto a modificare qualche cosa nel circuito spero che ora vada bene;
come si può notare ho inserito un transitor bipolare NPN così da portare la potenza di uscita dell'NE555 (piedino 3) da 200 mA a 700 mA, necessari per far funzionare il led, inoltre, sempre all'uscita 3 ho aggiunto un resistore da 240 ohm e 3 W, necessario per abbassare la tensione da 12 V a 3.5 V a cui funziona il led.. spero che sia tutto corretto e spero che qualcuno di buon cuore mi possa rispondere- grazie
come si può notare ho inserito un transitor bipolare NPN così da portare la potenza di uscita dell'NE555 (piedino 3) da 200 mA a 700 mA, necessari per far funzionare il led, inoltre, sempre all'uscita 3 ho aggiunto un resistore da 240 ohm e 3 W, necessario per abbassare la tensione da 12 V a 3.5 V a cui funziona il led.. spero che sia tutto corretto e spero che qualcuno di buon cuore mi possa rispondere- grazie
0
voti
Visto che vuoi "cercare di comprendere i rudimenti di questo bellissimo mondo", credo sia meglio riflettere sullo schema che darti una soluzione delle quali (giuste e meno giuste) è pieno il web.
Sperando di non dire cavolate:
-C1 non è collegato a massa e quindi su quel ramo del circuito non puo scorrere corrente, ma quella credo sia una dimenticanza.
-Il transistor deve fornire al led un' alimentazione separata che non passi per l' NE555, il quale pilotera solo la base del BJT.
Cerca come si usa un BJT come interruttore in configurazione emettitore comune.
Non vuole essere un modo per "tagliarti", quindi se non capisci chiedi.
Il forum è pieno di persone assai piu competenti di me che ti aiuteranno sicuramente.
Sperando di non dire cavolate:
-C1 non è collegato a massa e quindi su quel ramo del circuito non puo scorrere corrente, ma quella credo sia una dimenticanza.
-Il transistor deve fornire al led un' alimentazione separata che non passi per l' NE555, il quale pilotera solo la base del BJT.
Cerca come si usa un BJT come interruttore in configurazione emettitore comune.
Non vuole essere un modo per "tagliarti", quindi se non capisci chiedi.
Il forum è pieno di persone assai piu competenti di me che ti aiuteranno sicuramente.
0
voti
ciao lucaking;
innanzitutto ti ringrazio davvero molto per avermi risposto, lo apprezzo davvero perché sto cercando di conoscere questo mondo, ed è davvero complicato. Anche per questo ho deciso di inizare con un progetto semplice come una piccola strobo. in effetti hai ragione C1 non è a massa, ed in effetti ha ancora più ragione, me ne sono dimenticato
poi volevo dirti grazie per la notazione sul transistor, mi documenterò immediatamente e poi vedrò di postare un ulteriore schema.
innanzitutto ti ringrazio davvero molto per avermi risposto, lo apprezzo davvero perché sto cercando di conoscere questo mondo, ed è davvero complicato. Anche per questo ho deciso di inizare con un progetto semplice come una piccola strobo. in effetti hai ragione C1 non è a massa, ed in effetti ha ancora più ragione, me ne sono dimenticato
poi volevo dirti grazie per la notazione sul transistor, mi documenterò immediatamente e poi vedrò di postare un ulteriore schema.1
voti
Vorrei precisare innanzitutto che lo schema che hai postato non e' un circuito che produca una luce stroboscopica, ma un semplice oscillatore fatto usando un NE55 in astabile che, in particolari condizioni di frequenza, lo imita.
Detto questo, come primo esperimento, quello che hai postato puo' bastare ma deve essere corretto sia per quanto riguarda la parte finale che per il ramo che stabilisce la frequenza dell'impulso.
Con i valori da te impostati (non si capiscono, ma immagino 1k/30+1k/100nF) la frequenza e' troppo elevata ed il led si percepirebbe sempre acceso.
La parte finale con transistor e led poi, pare tu te la sia inventata in un incubo notturno.
Lo schema da seguire, quindi, sarebbe il seguente:
Ho lasciato, come vedi, i valori in bianco in modo da ragionarci sopra.
Per iniziare potresti cominciare a calcolarti i valori di R1/R2/C1 al fine di ottenere frequenza dell'ordine di una decina di Hz.
Poi, vedremo come implementare la parte finale.
Detto questo, come primo esperimento, quello che hai postato puo' bastare ma deve essere corretto sia per quanto riguarda la parte finale che per il ramo che stabilisce la frequenza dell'impulso.
Con i valori da te impostati (non si capiscono, ma immagino 1k/30+1k/100nF) la frequenza e' troppo elevata ed il led si percepirebbe sempre acceso.
La parte finale con transistor e led poi, pare tu te la sia inventata in un incubo notturno.
Lo schema da seguire, quindi, sarebbe il seguente:
Ho lasciato, come vedi, i valori in bianco in modo da ragionarci sopra.
Per iniziare potresti cominciare a calcolarti i valori di R1/R2/C1 al fine di ottenere frequenza dell'ordine di una decina di Hz.
Poi, vedremo come implementare la parte finale.
marco
0
voti
Ciao Marco438;
ringrazio molto per avermi risposto, considerando che sono giorni di festa significa molto. in effetti la parte finale me la sono inventata provando ad arrivarci per ragionamento, il mondo dell'elettronica e dell'elettrotecnica è un coacervo infinito di formule algebriche e minuscoli dettagli che davvero fanno venir voglia di erigere una statua a chiunque si cimenti con una materia così difficile. Detto questo sono consapevole che l'NE555 serva solo a creare un'onda che da energia a intervalli al Led il quale si accende e si spegne in base al valore prescelto, (almeno questo sono riuscito a capirlo per fortuna
), purtroppo ci sono delle cose che non mi sono perfettamente chiare:
1) dove vi è la R2 vi è una freccia che collide con il centro di R2, ma non so cosa significhi questo simbolo
2) dove vi è il Transistor questo è indicato con TR1, ma non vi è più il trimmer che a questo punto sia stato eliminato perché modificando i valori delle due resistenze posso ottenere la frequenza di lampeggiamento ed il tempo di luce accesa (se non sbaglio, questo si chiama duty cycle) è corretto?
3) nel mio "progetto" (il ché è tutto da ridere), C2 era un condensatore elettrolitico, ma vedo che tu ne hai inserito uno normale, devo supporre che sia più adatto allo scopo?
sono consapevole di fare domande elementari per Voi
che con queste cose ci lavorate in maniera continuativa, ma purtroppo sono un nabbo (per usare un termine videoludico) e quindi cerco di apprendere da chi è migliore di me
Grazie
ringrazio molto per avermi risposto, considerando che sono giorni di festa significa molto. in effetti la parte finale me la sono inventata provando ad arrivarci per ragionamento, il mondo dell'elettronica e dell'elettrotecnica è un coacervo infinito di formule algebriche e minuscoli dettagli che davvero fanno venir voglia di erigere una statua a chiunque si cimenti con una materia così difficile. Detto questo sono consapevole che l'NE555 serva solo a creare un'onda che da energia a intervalli al Led il quale si accende e si spegne in base al valore prescelto, (almeno questo sono riuscito a capirlo per fortuna
1) dove vi è la R2 vi è una freccia che collide con il centro di R2, ma non so cosa significhi questo simbolo
2) dove vi è il Transistor questo è indicato con TR1, ma non vi è più il trimmer che a questo punto sia stato eliminato perché modificando i valori delle due resistenze posso ottenere la frequenza di lampeggiamento ed il tempo di luce accesa (se non sbaglio, questo si chiama duty cycle) è corretto?
3) nel mio "progetto" (il ché è tutto da ridere), C2 era un condensatore elettrolitico, ma vedo che tu ne hai inserito uno normale, devo supporre che sia più adatto allo scopo?
sono consapevole di fare domande elementari per Voi
Grazie
44 messaggi
• Pagina 1 di 5 • 1, 2, 3, 4, 5
Chi c’è in linea
Visitano il forum: Nessuno e 32 ospiti

Elettrotecnica e non solo (admin)
Un gatto tra gli elettroni (IsidoroKZ)
Esperienza e simulazioni (g.schgor)
Moleskine di un idraulico (RenzoDF)
Il Blog di ElectroYou (webmaster)
Idee microcontrollate (TardoFreak)
PICcoli grandi PICMicro (Paolino)
Il blog elettrico di carloc (carloc)
DirtEYblooog (dirtydeeds)
Di tutto... un po' (jordan20)
AK47 (lillo)
Esperienze elettroniche (marco438)
Telecomunicazioni musicali (clavicordo)
Automazione ed Elettronica (gustavo)
Direttive per la sicurezza (ErnestoCappelletti)
EYnfo dall'Alaska (mir)
Apriamo il quadro! (attilio)
H7-25 (asdf)
Passione Elettrica (massimob)
Elettroni a spasso (guidob)
Bloguerra (guerra)







