Salve a tutti ragazzi,avrei bisogno di una info.
Ho ordinato un controllo remoto per accensione luci,il dispositivo è alimentato a 12 volt (non è un problema perché ho un alimentatore).Ora prima che il tutto arrivi vorrei essere spiegato a cosa corrispondono le varie voci.
Allora da foto vedo le seguenti scritte:
Dcc= Dovrebbe essere il positivo dei 12 volt giusto??
Gnd= Negativo sempre dei 12 volt??
No= Credo sia il normalmente aperto
Com= Credo significhi comune
Correggetemi se sbaglio,allora io a dcc metto il positivo,a gnd il negativo,però non so tra No e Com dove andrà la corrente alternata in ingresso e dove andrà l'uscita (ovvero quella che poi andrà ad alimentare la lampadina di casa)
Ancora una cosa,dato che il suddetto alimentatore è cinese e non vorrei che per un surriscaldamento possa bruciarsi e creare danni dovrei mettere tipo qualcosa che faccia da protezione,magari un fusibile.Ovviamente lo dovrei inserire sulla corrente di rete che lo alimenta,ma i fusibili funzionano anche per correnti alternate??E di che corrente dovrei prenderlo??
Chiedo scusa se ho detto cose inesatte e aspetto ogni tipo di correzione.
Un saluto a tutti voi e grazie a chi mi risponderà.
PS Qualcuno ha avuto esperienza con i ricevitori cinesi??I relè montati sono sicuri??Non è che potrebbero creare problemi??Io in realtà non volevo acquistarlo però la cosa che mi ha convinto è stata che viene spedito dall'inghilterra ed ho pensato che se gli inglesi lo vendono magari li hanno testati,avrò sbagliato??
Guida collegare relè ricevitore
Moderatori:
carloc,
g.schgor,
BrunoValente,
IsidoroKZ
11 messaggi
• Pagina 1 di 2 • 1, 2
0
voti
Per capirsi un'immagine vale 100 parole, posta un link dove si veda il foglietto istruzioni cui fai riferimento
Dubito molto che qualcuno lo faccia, in genere si tratta solo di depositi in GB (per evitare le dogane) ma il venditore è sempre cinese, staremo a vedere cosa succederà adesso, vista la brexit
K
...... viene spedito dall'inghilterra ed ho pensato che se gli inglesi lo vendono magari li hanno testati ........
Dubito molto che qualcuno lo faccia, in genere si tratta solo di depositi in GB (per evitare le dogane) ma il venditore è sempre cinese, staremo a vedere cosa succederà adesso, vista la brexit
K
-

Kagliostro
6.396 4 5 7 - Master

- Messaggi: 4830
- Iscritto il: 19 set 2012, 11:32
0
voti
Grazie mille per la risposta,alla fine ho annullato l'ordine perché nella descrizione c'era scritto che la scheda poteva funzionare con 220 V mentre nelle immagini si vedeva che il relè funzionava a 125v quindi ho deciso di non rischiare ed ho ordinato un prodotto differente stavolta anche alimentato a 220 V e non più a 12v.Ad ogni modo mi farebbe piacere ugualmente una spiegazione delle precedenti domande,stavolta allego link dell'acquisto.
http://cgi.ebay.it/ws/eBayISAPI.dll?Vie ... 2110780436
Ah vorrei sapere una ulteriore cosa,praticamente vorrei capire se il dispositivo nel link può funzionare nel seguente modo.
Esempio:
Collego la scheda ad una lampadina,in casa,prima di entrare accendo con telecomando poi però spengo la stessa luce con un normale interruttore,esco e spengo con telcomando o interruttore.Praticamente vorrei che interruttore e telecomando funzionassero come deviatori della stessa lampadina.
Grazie a chi mi risponderà.
http://cgi.ebay.it/ws/eBayISAPI.dll?Vie ... 2110780436
Ah vorrei sapere una ulteriore cosa,praticamente vorrei capire se il dispositivo nel link può funzionare nel seguente modo.
Esempio:
Collego la scheda ad una lampadina,in casa,prima di entrare accendo con telecomando poi però spengo la stessa luce con un normale interruttore,esco e spengo con telcomando o interruttore.Praticamente vorrei che interruttore e telecomando funzionassero come deviatori della stessa lampadina.
Grazie a chi mi risponderà.
-

ernguevara
0 2 - Messaggi: 10
- Iscritto il: 21 nov 2015, 21:21
0
voti
...... Praticamente vorrei che interruttore e telecomando funzionassero come deviatori della stessa lampadina.
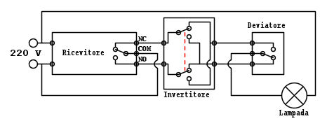
il tutto dovrebbe essere possibile seguendo i normali schemi usati per l'illuminazione
(due deviatori oppure due deviatori + invertitore/invertitori se i punti luce sono più di due)
vedi qui https://it.wikipedia.org/wiki/Deviatore
il ricevitore in sé ha installato un deviatore (le tre uscite marcate COM-NO-NC)
NON devi usare lo schema proposto nel link di vendita
DEVI invece usare la tipologia di schema riportata qui sotto, questo presupponendo tu abbia al momento già in uso un circuito con deviatori
(la connessione HOT sul deviatore corrisponde al COM sul ricevitore, le altre due connessioni corrispondono a NO ed NC)
(Estratto dall'articolo su Wikipedia linkato più sopra, fare riferimento lì per le spiegazioni)
Per essere più precisi serve che tu ci dica come è la situazione al momento attuale
K
-

Kagliostro
6.396 4 5 7 - Master

- Messaggi: 4830
- Iscritto il: 19 set 2012, 11:32
0
voti
Alla fine per utilizzarlo come deviatore devi realizzare questo
-

BrunoValente
39,6k 7 11 13 - G.Master EY

- Messaggi: 7796
- Iscritto il: 8 mag 2007, 14:48
0
voti
Prima di tutto grazie a tutti voi,grazie soprattutto nella pazienza per aver fatto anche i disegni.
In effetti quello che volevo fare è più o meno quello che dice bruno.
Unica cosa la corrente non la posso prendere direttamente da prima dell'alimentazione della scheda stessa e portarlo all'ingresso com??
In effetti ci ho pensato un po' ma anche volendo usare il ricevitore in maniera normale a me sembrava sbagliato il collegamento che propone il venditore poiché,usando quel collegamento,ci mettessi una lampadina a led questa avrebbe lo sfarfallio anche da spenta,giusto??Secondo voi cosa è sbagliato nel collegamento disegnato??A me non ha convinto fin dall'inizio,è un fatto di curiosità.Grazie a tutti voi.
In effetti quello che volevo fare è più o meno quello che dice bruno.
Unica cosa la corrente non la posso prendere direttamente da prima dell'alimentazione della scheda stessa e portarlo all'ingresso com??
In effetti ci ho pensato un po' ma anche volendo usare il ricevitore in maniera normale a me sembrava sbagliato il collegamento che propone il venditore poiché,usando quel collegamento,ci mettessi una lampadina a led questa avrebbe lo sfarfallio anche da spenta,giusto??Secondo voi cosa è sbagliato nel collegamento disegnato??A me non ha convinto fin dall'inizio,è un fatto di curiosità.Grazie a tutti voi.
-

ernguevara
0 2 - Messaggi: 10
- Iscritto il: 21 nov 2015, 21:21
0
voti
Vuoi dire così ?
Lo schema fornito dal venditore non è sbagliato, solo usa il relè interno come interruttore e non come deviatore
Non hai ancora detto se la lampada attualmente si accende con un interruttore, con un deviatore o con un sistema ad interruttori che comanda un relé e per sapere come devi collegare il ricevitore all'impianto esistente bisogna saperlo, l'esempio che ti ho fatto presupponeva tu usassi già un sistema a deviatori, nel qual caso uno dovrebbe essere sostituito con un invertitore ed a questo dovresti collegare il ricevitore in configurazione deviatore (quella dello schemino fidocadj)
K
Lo schema fornito dal venditore non è sbagliato, solo usa il relè interno come interruttore e non come deviatore
Non hai ancora detto se la lampada attualmente si accende con un interruttore, con un deviatore o con un sistema ad interruttori che comanda un relé e per sapere come devi collegare il ricevitore all'impianto esistente bisogna saperlo, l'esempio che ti ho fatto presupponeva tu usassi già un sistema a deviatori, nel qual caso uno dovrebbe essere sostituito con un invertitore ed a questo dovresti collegare il ricevitore in configurazione deviatore (quella dello schemino fidocadj)
K
-

Kagliostro
6.396 4 5 7 - Master

- Messaggi: 4830
- Iscritto il: 19 set 2012, 11:32
0
voti
Esatto volevo dire proprio così!!
Scusate se non sono stato chiaro,in realtà il circuito non esiste ancora,vorrei solo comandare due led che si trovano sotto al mensolone della cucina,in maniera che posso accendere le luci prima di entrare e non entrare completamente al buio per cercare poi a tastoni l'interruttore (tengo a precisare che i due led si accenderebbero e si spegnerebbero contemporaneamente).Ovviamente poi i suddetti faretti servirebbero anche per illuminare il piano cottura,quindi ecco la necessità di usare anche l'interruttore (deviatore) anche con cavo oltre che quello con telecomando.
Secondo voi quindi lo schema proposto dal venditore è corretto volendo usare il ricevitore solo come interruttore??Secondo me qualcosa non quadra,io non lo avrei collegato così.
Ad ogni modo grazie a tutti per la vostra cortesia siete stati davvero gentili.
Scusate se non sono stato chiaro,in realtà il circuito non esiste ancora,vorrei solo comandare due led che si trovano sotto al mensolone della cucina,in maniera che posso accendere le luci prima di entrare e non entrare completamente al buio per cercare poi a tastoni l'interruttore (tengo a precisare che i due led si accenderebbero e si spegnerebbero contemporaneamente).Ovviamente poi i suddetti faretti servirebbero anche per illuminare il piano cottura,quindi ecco la necessità di usare anche l'interruttore (deviatore) anche con cavo oltre che quello con telecomando.
Secondo voi quindi lo schema proposto dal venditore è corretto volendo usare il ricevitore solo come interruttore??Secondo me qualcosa non quadra,io non lo avrei collegato così.
Ad ogni modo grazie a tutti per la vostra cortesia siete stati davvero gentili.
-

ernguevara
0 2 - Messaggi: 10
- Iscritto il: 21 nov 2015, 21:21
0
voti
Lo schema fornito dal venditore funziona, ovviamente parliamo di un utilizzo della scheda come interruttore e basta, il che significherebbe comandare una lampada esclusivamente col telecomando, e non con altro deviatori.
Se guardi lo schema, infatti, linea e neutro vengono forniti alla scheda per la sua alimentazione, mentre la lampada è collegata in maniera che uno dei due venga interrotto dal relè, passando per il contatto normalmente aperto.
Quello schema va quindi bene per utilizzare la scheda come interruttore, mentre se vuoi utilizzarla assieme ai deviatori hai gli schemi che ti hanno proposto!
Se guardi lo schema, infatti, linea e neutro vengono forniti alla scheda per la sua alimentazione, mentre la lampada è collegata in maniera che uno dei due venga interrotto dal relè, passando per il contatto normalmente aperto.
Quello schema va quindi bene per utilizzare la scheda come interruttore, mentre se vuoi utilizzarla assieme ai deviatori hai gli schemi che ti hanno proposto!
-

outatime121
35 1 4 - Messaggi: 16
- Iscritto il: 6 ago 2016, 19:46
0
voti
Se vuoi solo accendere e spegnere da telecomando usi lo schema proposto dal venditore

Se vuoi accendere e spegnere dal telecomando e da un punto luce usi lo schema che è stato postato prima
Se vuoi accendere e spegnere da telecomando e da due punti luce usi questo schema
Se vuoi accendere e spegnere dal telecomando e da più di due punti luce usi lo schema qui sopra ed aggiungi un invertitore per ogni punto luce aggiunto
K
Se vuoi accendere e spegnere dal telecomando e da un punto luce usi lo schema che è stato postato prima
Se vuoi accendere e spegnere da telecomando e da due punti luce usi questo schema
Se vuoi accendere e spegnere dal telecomando e da più di due punti luce usi lo schema qui sopra ed aggiungi un invertitore per ogni punto luce aggiunto
K
-

Kagliostro
6.396 4 5 7 - Master

- Messaggi: 4830
- Iscritto il: 19 set 2012, 11:32
11 messaggi
• Pagina 1 di 2 • 1, 2
Chi c’è in linea
Visitano il forum: Nessuno e 55 ospiti

Elettrotecnica e non solo (admin)
Un gatto tra gli elettroni (IsidoroKZ)
Esperienza e simulazioni (g.schgor)
Moleskine di un idraulico (RenzoDF)
Il Blog di ElectroYou (webmaster)
Idee microcontrollate (TardoFreak)
PICcoli grandi PICMicro (Paolino)
Il blog elettrico di carloc (carloc)
DirtEYblooog (dirtydeeds)
Di tutto... un po' (jordan20)
AK47 (lillo)
Esperienze elettroniche (marco438)
Telecomunicazioni musicali (clavicordo)
Automazione ed Elettronica (gustavo)
Direttive per la sicurezza (ErnestoCappelletti)
EYnfo dall'Alaska (mir)
Apriamo il quadro! (attilio)
H7-25 (asdf)
Passione Elettrica (massimob)
Elettroni a spasso (guidob)
Bloguerra (guerra)

