Circuito amplificatore a Banda limitata a due BJT
Moderatori:
carloc,
g.schgor,
BrunoValente,
IsidoroKZ
1
voti
Salve a tutti, sto facendo questo progetto per un esame di elettronica ed ho un po' di confusione, premetto che non sono un mostro di elettronica anche perché sto facendo la magistrale di ingegneria delle telecomunicazioni a Padova. Questo è il testo:
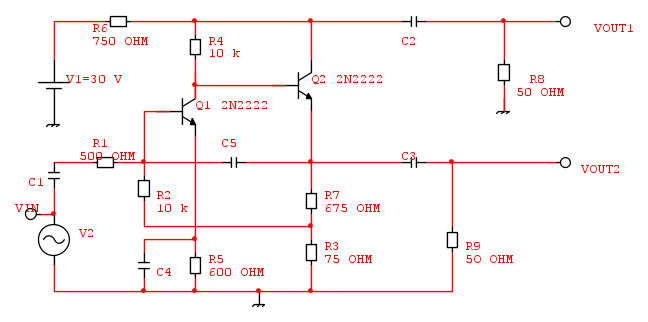
Lo schema di figura mostra uno stadio amplificatore a BJT. Utilizzando il metodo delle costanti
di tempo per la bassa frequenza, definire i valori di capacità di C1, C2, C3 e C4 per ottenere una
frequenza di taglio inferiore pari a 250Hz sull’uscita Vout_2. La scelta delle capacità va effettuata
almeno nelle due modalità: valori di capacità tutti uguali; costanti di tempo tutte uguali.
Per la risposta in alta frequenza considerare il contributo di C5 e determinarne il valore per
avere una frequenza di taglio superiore di 220kHz.
Il mio problema non è nell'applicare il metodo delle costanti di tempo ma nell'esprimere questo circuito nel modello a piccoli segnali, prima devo fare uno studio sul punto di lavoro?. Io vorrei una guida per procedere passo dopo passo lo studio di questo circuito e poi un altro dubbio è i valori di gm, r_pigreco, come si determinano? Che ipotesi devo fare?
Attendo una vostra risposta.
0
voti
Sono tosti a Padova!
Si` ti serve prima conoscere il punto di lavoro. Dalla corrente di collettore dei due transistori ricavi la loro transconduttanza e con il beta ricavi la r pi greco. Poi con due di questi tre valori puoi calcolare "facilmente" i valori delle impedenze viste dai condensatori.
Hai qualche indizio su come trattare C2?
Chi e` il professore?
Si` ti serve prima conoscere il punto di lavoro. Dalla corrente di collettore dei due transistori ricavi la loro transconduttanza e con il beta ricavi la r pi greco. Poi con due di questi tre valori puoi calcolare "facilmente" i valori delle impedenze viste dai condensatori.
Hai qualche indizio su come trattare C2?
Chi e` il professore?
Per usare proficuamente un simulatore, bisogna sapere molta più elettronica di lui
Plug it in - it works better!
Il 555 sta all'elettronica come Arduino all'informatica! (entrambi loro malgrado)
Se volete risposte rispondete a tutte le mie domande
Plug it in - it works better!
Il 555 sta all'elettronica come Arduino all'informatica! (entrambi loro malgrado)
Se volete risposte rispondete a tutte le mie domande
0
voti
Il professore è Leopoldo Rossetto, è troppo bravo lui.
0
voti
Quindi in sostanza per trovare il punto di lavoro dei due BJT li' devo considerare contemporaneamente o posso studiarli uno alla volta?
0
voti
Mi sembrava di riconoscere la mano di Rossetto 
La polarizzazione va calcolata contemporaneamente per i due transistori perche' i due stadi sono accoppiati in continua. Da quello che vedo del testo che mi hai mandato, sembra che dobbiate valutare le impedenze con il simulatore. In questo caso basta fare una analisi AC e ci pensa il simulatore a calcolare il bias point e a trovare il modello di piccolo segnale.
Con l'analisi in AC si trovano le impedenze viste dai condensatori: conviene mettere un generatore di corrente e far calcolare a spice la tensione ai suoi capi, con gli altri condensatori... dipende se cerchi l'alta o la bassa frequenza.
La polarizzazione va calcolata contemporaneamente per i due transistori perche' i due stadi sono accoppiati in continua. Da quello che vedo del testo che mi hai mandato, sembra che dobbiate valutare le impedenze con il simulatore. In questo caso basta fare una analisi AC e ci pensa il simulatore a calcolare il bias point e a trovare il modello di piccolo segnale.
Con l'analisi in AC si trovano le impedenze viste dai condensatori: conviene mettere un generatore di corrente e far calcolare a spice la tensione ai suoi capi, con gli altri condensatori... dipende se cerchi l'alta o la bassa frequenza.
Per usare proficuamente un simulatore, bisogna sapere molta più elettronica di lui
Plug it in - it works better!
Il 555 sta all'elettronica come Arduino all'informatica! (entrambi loro malgrado)
Se volete risposte rispondete a tutte le mie domande
Plug it in - it works better!
Il 555 sta all'elettronica come Arduino all'informatica! (entrambi loro malgrado)
Se volete risposte rispondete a tutte le mie domande
0
voti
Però i valori dei condensatori me li devo ricavare a mano quindi devono farmi a mano il M.C.T. e analisi per il punto di lavoro, Giusto?
Un ultima cosa: sapresti dirmi come impostare i valori su spice. Come devo procedere?
Un ultima cosa: sapresti dirmi come impostare i valori su spice. Come devo procedere?
0
voti
Se sei capace di fare l'analisi a mano del bias e trovare le impedenze che servono per le costanti di tempo sei un drago!
E` vero che Leopoldo e` di quelli tosti, ma non credo sia anche sadico
. Devi trovare con spice le resistenze che servono per il calcolo delle costanti di tempo. Poi con queste resistenze fai il conto a mano.
E` vero che Leopoldo e` di quelli tosti, ma non credo sia anche sadico
Per usare proficuamente un simulatore, bisogna sapere molta più elettronica di lui
Plug it in - it works better!
Il 555 sta all'elettronica come Arduino all'informatica! (entrambi loro malgrado)
Se volete risposte rispondete a tutte le mie domande
Plug it in - it works better!
Il 555 sta all'elettronica come Arduino all'informatica! (entrambi loro malgrado)
Se volete risposte rispondete a tutte le mie domande
0
voti
Io avevo pensato che la corrente di collettore in Q1 sia data dalla tensione ai capi di R4 fratto R4 dove VR4 è il partitore di tensione cioè V_R4=V1*(R4)/(R4+R6)=0.9*30=27.9 volt. Quindi IC_Q1=V_R4/R4=2.79 mA.
gm=IC_Q1/Vt=111.16 mS, r_pigreco=Beta/gm. Il beta come lo ricavo?
gm=IC_Q1/Vt=111.16 mS, r_pigreco=Beta/gm. Il beta come lo ricavo?
Ultima modifica di
nandotp il 5 gen 2017, 14:51, modificato 2 volte in totale.
0
voti
Ti consiglierei di usare LATEX: quelle formule sono incomprensibili... comunque, ponendo che tutti i calcoli siano corretti (non lo so: non riesco a leggerli!
), puoi ricavare la
del transistor (o più che altro, la sua fascia di variabilità) dal suo datasheet.
del transistor (o più che altro, la sua fascia di variabilità) dal suo datasheet.-

rugweri
5.948 2 7 11 - CRU - Account cancellato su Richiesta utente
- Messaggi: 1366
- Iscritto il: 25 nov 2016, 18:46
0
voti
nandotp ha scritto:Il beta come lo ricavo?
Il beta (o Hfe), una volta che sai a che correnti lavorano i transistori, lo ricavi dal datasheet dei transistiori (il 2N2222 è uno dei più antichi e strausati transistori al silicio e lo producono praticamente tutti; quindi scaricati il datasheet di un produttore qualunque che abbia anche i grafici) e, usando il grafico Hfe vs Ic, prendi il valore che il grafico ti da alla corrente di lavoro che hai trovato in precedenza. Il beta rappresentato nel grafico è un cosiddetto "valore tipico" che non serve a un tubo tranne che a fare i conti "tipici" per un circuito del genere. Per un esercizio va benone! Se nel grafico vi sono più curve riferite a temperature di lavoro diverse, prendi quella riferita alla temperatura di 25 °C e sei a posto.
Ciao
Piercarlo
Chi c’è in linea
Visitano il forum: Nessuno e 87 ospiti

Elettrotecnica e non solo (admin)
Un gatto tra gli elettroni (IsidoroKZ)
Esperienza e simulazioni (g.schgor)
Moleskine di un idraulico (RenzoDF)
Il Blog di ElectroYou (webmaster)
Idee microcontrollate (TardoFreak)
PICcoli grandi PICMicro (Paolino)
Il blog elettrico di carloc (carloc)
DirtEYblooog (dirtydeeds)
Di tutto... un po' (jordan20)
AK47 (lillo)
Esperienze elettroniche (marco438)
Telecomunicazioni musicali (clavicordo)
Automazione ed Elettronica (gustavo)
Direttive per la sicurezza (ErnestoCappelletti)
EYnfo dall'Alaska (mir)
Apriamo il quadro! (attilio)
H7-25 (asdf)
Passione Elettrica (massimob)
Elettroni a spasso (guidob)
Bloguerra (guerra)




