Cos'è ElectroYou | Login Iscriviti

ElectroYou - la comunità dei professionisti del mondo elettrico

Consigli Caricabatterie deviatore

Elettronica lineare e digitale: didattica ed applicazioni

Moderatori: Foto Utentecarloc, Foto Utenteg.schgor, Foto UtenteBrunoValente, Foto UtenteIsidoroKZ

1
voti

[1] Consigli Caricabatterie deviatore

Messaggioda Foto Utentecicciwanci » 20 feb 2017, 15:59

Ciao ragazzi,
ho bisogno di un vostro consiglio, premetto che non sono esperto.
ho una sistema con 3 batterie in serie da 12 V cad.una (14 aH Ah), voltaggio- tensione totale nominale 36 V .
Per evitare autoscarica quando non le utilizzo, ho appena applicato 2 interruttori che scollegano tra loro le 3 batterie (penso di aver fatto bene).
Esiste e/o è possibile costruire un dispositivo che carica le 3 batterie a 12 V una alla volta?
il mio caricabatteria 40 V sembra non sia idoneo, limita molto la vita delle batterie stesse, avendo necessita di caricarle la notte non posso caricarle singolarmente in "manuale".
Grazie in ogni caso per il vostro aiuto.
Avatar utente
Foto Utentecicciwanci
10 2
 
Messaggi: 9
Iscritto il: 20 feb 2017, 12:09

0
voti

[2] Re: Consigli Caricabatterie deviatore

Messaggioda Foto UtenteAntonino2017 » 20 feb 2017, 19:04

Ho l'impressione che tu abbia bisogno di 4 batterie: A;B;C;D.
Rendiamo ai minimi termini.
La batteria A è in carica mentre le batterie B;C;D sono in serie ed alimentano il circuito.
Dopo 2 ore la batteria A viene inserita nel circuitomentre B viene scollegata dal circuito e messa sotto carica.
Dopo 2 ore si collega B e si scollega C
Dopo 2 ore si collega C e si scollega D.
Con un timer ed un contatore decimale CD40160 ed un bel po' di relè è fattibile.

Oppure si munisce ciascuna batteria di un controllo di carica: quando si accende il led rosso di batteria carica il contatore decimale avanza di una unità innescando e disennescando i relè.

Ora non rimane che ridurre al minimo i relè e quindi i costi
Avatar utente
Foto UtenteAntonino2017
65 3
New entry
New entry
 
Messaggi: 85
Iscritto il: 24 gen 2017, 20:22

1
voti

[3] Re: Consigli Caricabatterie deviatore

Messaggioda Foto UtenteMariX » 20 feb 2017, 20:28

cicciwanci ha scritto:Per evitare autoscarica quando non le utilizzo, ho appena applicato 2 interruttori che scollegano tra loro le 3 batterie

Non serve aprire la serie per eliminare l'autoscarica. L' autoscarica c' è e basta. Per batterie al piombo l' ordine di grandezza perché si perda il 50% della carica è di circa 3 ... 6 mesi e dipende in modo pesante dalla temperatura dell'ambiente nel quale si trova.

Foto UtenteAntonino2017 non credo sia una buona idea usare una serie di batterie con valori di carica differenti. E' un buon metodo per accorciare la vita delle batterie a causa delle differenti resistenze interne.
Avatar utente
Foto UtenteMariX
658 4
Frequentatore
Frequentatore
 
Messaggi: 171
Iscritto il: 14 dic 2016, 23:37

0
voti

[4] Re: Consigli Caricabatterie deviatore

Messaggioda Foto Utentecicciwanci » 21 feb 2017, 11:28

diciamo una soluzione "veloce" è quella di interrompere il collegamento in serie e caricarle con 3 caricabatterie contermporaneamente. Se non c'è altra soluzione mi sà che dovrò per forza fare così. ovviamente poco economico.
Avatar utente
Foto Utentecicciwanci
10 2
 
Messaggi: 9
Iscritto il: 20 feb 2017, 12:09

0
voti

[5] Re: Consigli Caricabatterie deviatore

Messaggioda Foto UtenteMariX » 21 feb 2017, 12:18

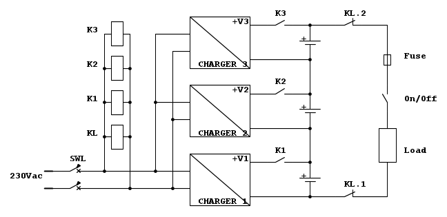
Questo potrebbe essere lo schema di principio

Con la presenza del 230Vac il relè KL apre i contatti e stacca il carico, mentre gli altri tre collegano le uscite dei caricabatteria alle batterie.
Sarebbe meglio attivare i relè K1, K2 e K3 con un po' di ritardo, cioè quando i contatti di KL sono stabili.
Attenzione a scegliere i relè sulla base alle correnti in giuoco.
Ciao
Marix
Avatar utente
Foto UtenteMariX
658 4
Frequentatore
Frequentatore
 
Messaggi: 171
Iscritto il: 14 dic 2016, 23:37

0
voti

[6] Re: Consigli Caricabatterie deviatore

Messaggioda Foto Utentecicciwanci » 21 feb 2017, 16:46

Ottimo!
Secondo voi, quali sono le differenze di caricare le batterie in serie, parallelo o singolarmente?
Avatar utente
Foto Utentecicciwanci
10 2
 
Messaggi: 9
Iscritto il: 20 feb 2017, 12:09

0
voti

[7] Re: Consigli Caricabatterie deviatore

Messaggioda Foto UtenteAntonino2017 » 21 feb 2017, 17:45

Antonino2017 non credo sia una buona idea usare una serie di batterie con valori di carica differenti. E' un buon metodo per accorciare la vita delle batterie a causa delle differenti resistenze interne.

Io mi riferivo principalmente alla carica delle batterie:mentre tre lavorano una viene ricaricata
Avatar utente
Foto UtenteAntonino2017
65 3
New entry
New entry
 
Messaggi: 85
Iscritto il: 24 gen 2017, 20:22

0
voti

[8] Re: Consigli Caricabatterie deviatore

Messaggioda Foto UtenteMariX » 21 feb 2017, 19:53

Per l'appunto.
Ammettiamo che tutte è tre le batterie siano cariche al 100%.
Nelle due ore che ipotizzi la quarta batteria si carica e supponiamo che raggiunga il 100%.
Ma nelle stesse due ore, le prime tre batterie forniscono energia e quindi si scaricano; ipotizziamo che perdano il 15% di carica.
Trascorse le due ore una delle tre batterie viene scambiata con la quarta cioè quella carica al 100% e quindi ti trovi ad avere la serie formata da due batterie cariche all'85% e una al 100%.
Continuando il ciclo la cosa peggiora perché ti troveresti ad avere una batteria carica al 70% una all'85% e una al 100%.
Ma questo non va bene, se vuoi che le batterie durino a lungo.

Ciao e buona serata
MariX
Avatar utente
Foto UtenteMariX
658 4
Frequentatore
Frequentatore
 
Messaggi: 171
Iscritto il: 14 dic 2016, 23:37

0
voti

[9] Re: Consigli Caricabatterie deviatore

Messaggioda Foto Utentecicciwanci » 22 feb 2017, 11:50

Si tratta di una bici elettrica, quindi non posso aggiungere una quarta batteria, in ogni modo quando la bici è in funzione ovviamente non posso caricarla, quindi la carica è destianata nelle ore notturne.
Sono disposto a fare qualsiasi modifica per caricarle al meglio, secondo voi qual è il miglior modo per caricarle? in parallelo? in serie oppure singolarmente?
Avatar utente
Foto Utentecicciwanci
10 2
 
Messaggi: 9
Iscritto il: 20 feb 2017, 12:09

0
voti

[10] Re: Consigli Caricabatterie deviatore

Messaggioda Foto Utentegammaci » 22 feb 2017, 11:56

Sono disposto a fare qualsiasi modifica per caricarle al meglio, secondo voi qual è il miglior modo per caricarle? in parallelo? in serie oppure singolarmente?


Dipende dalla chimica delle stesse, cosa sono hai idea? Una foto del pacco?

In genere caricarle singolarmente è sempre la miglior cosa. Nei pacchi LiPo ad esempio sono derivati i singoli elementi su un connettore che viene detto "di balancing" il caricatore manda maggiore o minor corrente su queste derivazioni affinchè alla fine della carica tutte le celle abbiano la stessa tensione.
Da soli conosciamo alcune cose.
In molti ne conosceremo molte di più.
Avatar utente
Foto Utentegammaci
3.838 2 4 7
Master
Master
 
Messaggi: 1040
Iscritto il: 27 feb 2014, 12:20

Prossimo

Torna a Elettronica generale

Chi c’è in linea

Visitano il forum: Nessuno e 76 ospiti