Ciao a tutti
Questo è un pezzo di circuito che sul campo dà problemi:
Dopo un po', il resistore sale di valore e il tutto non funziona piú come dovrebbe.
Il sospetto è che quando a monte dell'interruttore i 24 V sono molto ben stabilizzati (alimentazione) la corrente impulsiva iniziale "consuma" il resistore.
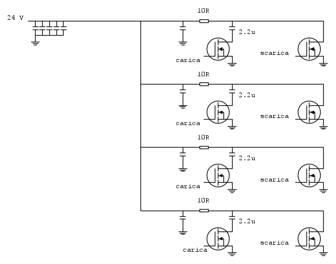
Per verificare che effettivamente questo è il problema e per testare degli altri resistori (anti-surge) vorrei costruire un accrocchio:
Qui si vedono solo 4 rami, ma in totale sarebbero una ventina.
Carica e scarica le controllo con un generatore di segnale a due canali.
I gates del canale di scarica li posso collegare tutti assieme e metterci una bella resistenza in serie. Se si scaricano lentamente non è un problema.
Per la carica vorrei però un fianco bello ripido.
So che ci sono i gate drivers, ma non ne ho mai usato uno. Devo usarne uno per canale oppure se prendo Kolossus (https://www.fairchildsemi.com/datasheet ... N3121C.pdf) riesce a pilotarmi tutti e quanti i miei miseri FET (http://ww1.microchip.com/downloads/en/D ... vn3205.pdf)?
So anche che ci sono diodi/transistor a effetto valanga, ma qui ho ancora meno esperienza. Si potrebbero usare?
Grazie e saluti, Boiler
Accendere un transistor, VELOCEMENTE!
Moderatori:
carloc,
g.schgor,
BrunoValente,
IsidoroKZ
46 messaggi
• Pagina 1 di 5 • 1, 2, 3, 4, 5
0
voti
Non ho mai sentito di resistori con questo comportamento, ottimo spunto per andare a cercare.
Mi pare però che 2,4 A di corrente impulsiva non dovrebbero fare danni. Che potenza ha il resistore?
Di sicuro fanno molti più danni gli oltre 50 W che devono dissipare quando scarichi il condensatore.
Mi pare però che 2,4 A di corrente impulsiva non dovrebbero fare danni. Che potenza ha il resistore?
Di sicuro fanno molti più danni gli oltre 50 W che devono dissipare quando scarichi il condensatore.
0
voti
Boiler
0
voti
Ti consiglio di utilizzare uno dei 'gate-driver' che trovi in commercio. Non credo che qualche Euro cambi qualcosa su una macchina di test.
Ti chiedo ancora, le R da 10 ohm che modello sono? mi piacerebbe vedere il datasheet.
Ti chiedo ancora, le R da 10 ohm che modello sono? mi piacerebbe vedere il datasheet.
1
voti
Sui gate driver c'è un'ottima application note,
Design And Application Guide For High Speed MOSFET Gate Drive Circuits di Laszlo Balogh.
Design And Application Guide For High Speed MOSFET Gate Drive Circuits di Laszlo Balogh.
I don't fight weather - Woodrow W. Smith
0
voti
venexian ha scritto:Ti chiedo ancora, le R da 10 ohm che modello sono? mi piacerebbe vedere il datasheet.
È uno 0603 da 1% e 1/4W.
Chi sia il produttore non lo so, questo tipo di componenti normalmente non lo specifichiamo e lo sceglie l'assemblatore (a meno di casi particolari, come probabilmente lo diventerà questo).
Boiler
0
voti
So anche che ci sono diodi/transistor a effetto valanga, ma qui ho ancora meno esperienza. Si potrebbero usare?
Forse, ma io non mi impegolerei.
Perché non usare un Thyristor? Ad esempio Littlefuse sk655.
Stiamo parlando di 150 A/usec, lo accendi con 70 mA, costa poco.
Il condensatore è superfluo da un certo punto di vista, se lo togli e aumenti la durata di impulso (qui ti serve un BJT) potresti anche far prima, non dico di bruciarle per forza, solo avere un po di margine rispetto all'impiego sul campo.
Da soli conosciamo alcune cose.
In molti ne conosceremo molte di più.
In molti ne conosceremo molte di più.
5
voti
Non ti serve fare la prova. Se leggi un datasheet di un resistore 0603, ad esempio Vishay, trovi il grafico della massima dissipazione di potenza impulsiva e vedi che sei abbondantemente oltre il limite. La potenza di picco è quasi 60 W, mentre quella massima sopportabile per un singolo impulso è poco più di dieci. Sei 6 volte oltre senza avere nessun margine. Ti allego il grafico.
0
voti
beh non proprio, non è un impulso quadro ma un'esponenziale, in 2,4*10-5 s scende a 1/e.
E' fuori come corrente massima ma di un fattore 3 non 6. E credo che quelle curve siano molto conservative
E' fuori come corrente massima ma di un fattore 3 non 6. E credo che quelle curve siano molto conservative
46 messaggi
• Pagina 1 di 5 • 1, 2, 3, 4, 5
Chi c’è in linea
Visitano il forum: Google [Bot] e 246 ospiti

Elettrotecnica e non solo (admin)
Un gatto tra gli elettroni (IsidoroKZ)
Esperienza e simulazioni (g.schgor)
Moleskine di un idraulico (RenzoDF)
Il Blog di ElectroYou (webmaster)
Idee microcontrollate (TardoFreak)
PICcoli grandi PICMicro (Paolino)
Il blog elettrico di carloc (carloc)
DirtEYblooog (dirtydeeds)
Di tutto... un po' (jordan20)
AK47 (lillo)
Esperienze elettroniche (marco438)
Telecomunicazioni musicali (clavicordo)
Automazione ed Elettronica (gustavo)
Direttive per la sicurezza (ErnestoCappelletti)
EYnfo dall'Alaska (mir)
Apriamo il quadro! (attilio)
H7-25 (asdf)
Passione Elettrica (massimob)
Elettroni a spasso (guidob)
Bloguerra (guerra)








