Cos'è ElectroYou | Login Iscriviti

ElectroYou - la comunità dei professionisti del mondo elettrico

Thévenin ai capi di un transistor

Elettronica lineare e digitale: didattica ed applicazioni

Moderatori: Foto Utentecarloc, Foto Utenteg.schgor, Foto UtenteBrunoValente, Foto UtenteIsidoroKZ

0
voti

[1] Thévenin ai capi di un transistor

Messaggioda Foto UtentePeternek » 30 ott 2017, 8:55

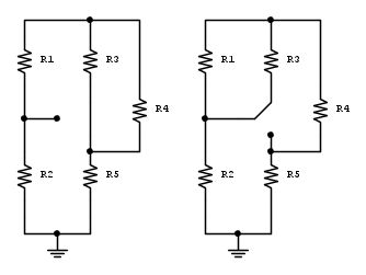
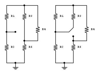
Ciao a tutti! Vi chiedo per favore una mano a togliermi un dubbio. Stavo svolgendo degli esercizi e ho notato dalla soluzione che Thévenin si può applicare ai capi dei transistor considerando l'ingresso un circuito aperto dando origine in questo modo a trasformazioni simili a questa:

Di coseguenza i dati sono:
RTH1=R1//R2
RTH2=R4//R5
EQ1=Vcc\frac{R2}{R1+R2}
EQ2=Vcc\frac{R5}{R4+R5}

Dove i primi componenti equivalenti sono il risultato di Thevenin ai capi base/massa, mentre quelli di destra ai capi emettitore/massa (considerando ogni volta gli ingressi del transistor in aperto).

Mi sembra strano però considerare il transistor come un circuito aperto quando si calcola il generatore equivalente dato che c'è corrente che entra ed esce. C'è qualche motivo che non conosco? Inoltre mi chiedevo se questo vale sempre quando si applica Thévenin ai capi del transistor (e magari se vale anche per i MOSFET)?
Avatar utente
Foto UtentePeternek
50 1 5
Utente disattivato per decisione dell'amministrazione proprietaria del sito
 
Messaggi: 94
Iscritto il: 17 ott 2017, 22:38

1
voti

[2] Re: Thévenin ai capi di un transistor

Messaggioda Foto Utentedadduni » 30 ott 2017, 9:50

hai fatto thevenin due volte:
- sul bipolo "base-massa" in cui hai calcolato la tensione del partitore in base e ci hai collegato la resistenza in ingresso

-bipolo "emettitore-massa" in cui hai calcolato la tensione di emettitore e la resistenza vista sull'emettitore.

Non è un teorema diverso in cui consideri il BJT come un aperto ma sempicemente fai thevenin una volta prima del BJT e una volta dopo il BJT.
Avatar utente
Foto Utentedadduni
2.073 2 7 12
Expert EY
Expert EY
 
Messaggi: 1370
Iscritto il: 23 mag 2014, 16:26

0
voti

[3] Re: Thévenin ai capi di un transistor

Messaggioda Foto UtentePeternek » 30 ott 2017, 10:42

Grazie per la risposta. Non capisco però in che senso "prima del transistor" ? cioè i componenti sono tutti collegati, quando calcolo la resistenza equivalente e il generatore equivalente, il transistor deve in qualche modo influenzarli (a meno che appunto io non consideri le coppie BE, CB, CE in aperto). Cioè voglio dire perché ad esempio quando calcolo i componenti equivalenti di destra (per i capi emettitore massa) non compare nessuno dei resistori in base come se considerassi il contatto tra la base e l'emettitore aperto, ma in tutti i modelli dei BJT (cioè generatore pilotato di corrente etc) la corrente che attraversa l'emettitore è almeno pari a quella in base cioè vengono in qualche modo "connessi" a parte il caso dell'interdizione... Come fanno a separarsi così le due parti del circuito?

PS: Non ho mai fatto Thevenin con transistor o altre giunzioni polari
Avatar utente
Foto UtentePeternek
50 1 5
Utente disattivato per decisione dell'amministrazione proprietaria del sito
 
Messaggi: 94
Iscritto il: 17 ott 2017, 22:38

5
voti

[4] Re: Thévenin ai capi di un transistor

Messaggioda Foto Utentedadduni » 30 ott 2017, 11:07

Questo è esattamente il punto di forza di Thevenin.
In maniera pratica (poi della teoria se vuoi ne parialiamo):
- scegli un bipolo
- staccalo da tutto il resto e calcola così la tensione a vuoto
- annulla i generatori di continua su quel pezzo di circuito che hai isolato e calcola la resistenza che si vede ai capi del bipolo.
- Sostituisci tutto il pezzo di circuito selezionato con una serie tra il generatore di tensione a vuoto e la resitenza calcolati


dico che c'è un "prima" del BJT perché, dal momento che thevenin ti fa staccare completamente la parte di circuito da analizzare dal resto del circuito, quello che si collega in base non è nient'altro che un partitore di tensione (serie di due resistenze).
Calcolando la tensione a vuoto del partitore il BJT diventa ininfluente (al suo posto poteva starci anche un reattore nucleare, per adesso thevevnin sta considerando solo il partitore di tensione).
La tensione a vuoto la si conosce, è quella del partitore e la resistenza è vista da Thevenin è il parallelo delle due resistenze.

In uscita è esattamente la stessa cosa, R4 ed R5 sono in serie e poste tra alimentazione e massa. li stacchi dal resto del circuito, ti accorgi che anche quelli formano un partitore di tensione, cacoli la tensione a vuoto e la resistnza vista e solo a quel punto li riattacchi. Nel momento in cui li stacchi anche per loro il BJT è assolutamente indifferente.

Tu giustamente dici: non posso mica far finta che il BJT non ci sia!! Esatto. Se tu prendessi il partitore di tensione in ingresso e ti limitassi a sostituirlo con un generatore di tensione allora in quel caso staresti ignorando il BJT: la tensione di base dipenderebbe solo dal partitore e l'effetto del transistor sarebbe nullo ma infatti non è cosi!
la tensione di base dopo aver fatto Thevenin non è quella del generatore che hai calcolato perché in mezzo c'è una resistenza! La tensione della base dipende dal generatore che hai calcolato ma anche da quanta corrente scorre nella resistenza che ci sta in serie e quella dipende dal resto del circuito quindi a tutti gli effetti NON stai ignorando il transistor, ci stai solo girando intorno per scrivere le stesse identiche cose in maniera più facile. Non a caso si chiama equivalente il circuito non cambia di una virgola, lo scrivi solo in fora più bella
Avatar utente
Foto Utentedadduni
2.073 2 7 12
Expert EY
Expert EY
 
Messaggi: 1370
Iscritto il: 23 mag 2014, 16:26

0
voti

[5] Re: Thévenin ai capi di un transistor

Messaggioda Foto UtentePeternek » 30 ott 2017, 11:23

Adesso mi è più chiaro. Per quanto riguarda il generatore di tensione ci sono, ma per la resistenza equivalente RTH1 : chi mi dice che non viene fuori uno dei seguenti casi quando spengo il generatore Vcc ?

RTH1:


Forse il primo case posso anche dire di no perché seguendo il modello del transistor c'è un generatore di corrente che si trasforma in un aperto, ma il secondo caso? Perché sono sicuro che non vale?
Avatar utente
Foto UtentePeternek
50 1 5
Utente disattivato per decisione dell'amministrazione proprietaria del sito
 
Messaggi: 94
Iscritto il: 17 ott 2017, 22:38

5
voti

[6] Re: Thévenin ai capi di un transistor

Messaggioda Foto UtentePietroBaima » 30 ott 2017, 11:31

Il transistor li influenza di sicuro, ma non è questo che dice Thevenin.

Con Thevenin tu estrai un pezzo di circuito dalla rete esterna, indipendentemente dal fatto che questa assorba o meno corrente.
Poi re-inserisci il pezzo estratto e continui a risolvere la rete.
E’ quanto hai fatto tu: hai estratto Vcc e le due resistenze di base, le hai sostituite con un equivalente e poi hai estratto Vcc e le resistenze della maglia di uscita e le hai sostituite con un equivalente e hai riportato il tutto in una nuova rete più semplice.

Potresti obiettare che il transistore è un elemento non lineare mentre fra le ipotesi di Thevenin insiste la linearità della rete, ma la risposta corretta è che la linearità della rete si riferisce unicamente al pezzo che estrai.
Questo ti vieta unicamente quindi di estrarre un pezzo di rete che contenga il transistore, non un pezzo di rete esterna al medesimo, che è quanto invece hai fatto tu.

Ciao,
Pietro.
Generatore codice per articoli:
nomi
Sul forum:
[pigreco]=π
[ohm]=Ω
[quadrato]=²
[cubo]=³
Avatar utente
Foto UtentePietroBaima
90,7k 7 12 13
G.Master EY
G.Master EY
 
Messaggi: 12206
Iscritto il: 12 ago 2012, 1:20
Località: Londra

6
voti

[7] Re: Thévenin ai capi di un transistor

Messaggioda Foto UtenteBrunoValente » 31 ott 2017, 10:24

Non ha importanza cosa fa il transistor che di fatto vede e risponde solo a correnti e tensioni ai suoi piedini e se ne frega da dove provengono, non ha occhi per vedere il resto del circuito che sta oltre i suoi piedini.

Le trasformazioni del circuito che hai eseguito utilizzando Thevenin servono solo a far credere al transistor che esternamente ad esso non sia cambiato nulla e ci riescono perché tensioni e correnti, quindi anche impedenze, viste dal transistor dall'interno del suo case attraverso i suoi piedini restano le stesse di prima, indipendentemente dal suo comportamento.

Immagina di togliere il transistor e di sostituirlo con un contenitore vuoto dove all'interno ci sei tu munito di voltmetro ed amperometro.



Dall'interno dei contenitori vedi solo i 3 conduttori che entrano e puoi quindi eseguire solo delle misure su di essi.

Se misuri le tensioni tra i conduttori in tutte le combinazioni possibili ti accorgi che nei due circuiti i risultati sono gli stessi, ugualmente se misuri le correnti cortocircuitando i conduttori in tutte le combinazioni.

Insomma dall'interno dei contenitori non c'è modo di capire che i due circuiti sono diversi.

Questo significa che non solo un transistor ma qualsiasi dispositivo, lineare o non lineare che sia, che dall'interno del contenitore utilizzasse quei tre conduttori per alimentarsi e per funzionare si comporterebbe identicamente nelle due disposizioni.
Avatar utente
Foto UtenteBrunoValente
39,6k 7 11 13
G.Master EY
G.Master EY
 
Messaggi: 7796
Iscritto il: 8 mag 2007, 14:48

0
voti

[8] Re: Thévenin ai capi di un transistor

Messaggioda Foto UtentePiercarlo » 31 ott 2017, 12:25

Il transistor di Einstein! ;-)
Avatar utente
Foto UtentePiercarlo
24,0k 6 11 13
G.Master EY
G.Master EY
 
Messaggi: 6719
Iscritto il: 30 mar 2010, 19:23
Località: Milano

5
voti

[9] Re: Thévenin ai capi di un transistor

Messaggioda Foto UtenteIsidoroKZ » 31 ott 2017, 14:41

Io la vedo in questo modo, ma e` solo il mio modo di vedere il problema. Comincio a suddividere i generatori di tensione, che talvolta danno problemi di comprensione



Poi trovo l'equivalente Thevenin a quanto e` dentro all'ellisse rossa. Che cosa ci sia fuori non ha importanza, l'equivalente Thevenin e` sempre lo stesso indipendentemente da quanto c'e` fuori. E per trovare l'eq. Thevenin bisogna trovare la tensione a vuoto, quindi niente collegato ai morsetti di uscita, e la resistenza che si vede guardando dentro al circuito che si thevenizza (questo lo dicono gli americani!). Per entrambi i conti quello che c'e` fuori non ha importanza, quando si calcola l'equivalente si considera solo quello che e` DENTRO al circuito che viene thevenato.

Stesso discorso per l'altro eq. Thevenin incluso dalla linea gialla. Si calcola l'equivalente di cosa c'e`dentro, tutto il resto non conta e non deve entrare nel calcolo, qualsiasi cosa ci fosse fuori dalla parte di cui si fa l'equivalente non ha importanza.

Poi si sostituiscono i due pezzi di circuiti con i loro equivalenti, e la restante parte del circuito, in questo caso il transistore, non si accorge di nessuna differenza.
Per usare proficuamente un simulatore, bisogna sapere molta più elettronica di lui
Plug it in - it works better!
Il 555 sta all'elettronica come Arduino all'informatica! (entrambi loro malgrado)
Se volete risposte rispondete a tutte le mie domande
Avatar utente
Foto UtenteIsidoroKZ
121,2k 1 3 8
G.Master EY
G.Master EY
 
Messaggi: 21059
Iscritto il: 17 ott 2009, 0:00

0
voti

[10] Re: Thévenin ai capi di un transistor

Messaggioda Gidl » 31 ott 2017, 15:52

Mi limito a dire che mi avete fatto venire nostalgia del corso di Elettrotecnica :D
Gidl
327 2 4 5
---
 

Prossimo

Torna a Elettronica generale

Chi c’è in linea

Visitano il forum: Nessuno e 53 ospiti