Buongiorno, sono nuovo a lavorare con l'elettronica,
ma per un progetto avrei bisogno di un componente che mi permetta di controllare il valore di una resistenza, da inserire in un circuito, ad alte frequenze (max 5 kHz). Penso di aver individuato il potenziometro digitale, montabile su una breadboard, come una possibile soluzione (ma se ce ne sono di migliori i consigli sono ben accetti).
Il segnale che devo trattare (input a un terminale del potenziometro, il terminale di output del potenziometro viene messo a terra) oscilla fra +5V e -5V. Ho visto i componenti disponibili e molti mi sembra abbiano una limitazione nel tensione applicabile dovuto all'alimentazione (7 V di range massimo solitamente).
E' possibile trovare potenziometri che lavorino con tensioni maggiori, montabili su una breadboard? Oppure ho capito male e questo limite non è come penso io?
Grazie
Se ho pubblicato nel posto sbagliato vi prego di reindirizzarmi
Funzionamento potenziometro digitale e limiti di tensione
Moderatori:
carloc,
g.schgor,
BrunoValente,
IsidoroKZ
29 messaggi
• Pagina 1 di 3 • 1, 2, 3
0
voti
Partiamo dall'inizio.
Spiega bene cosa vuoi fare.
1. Vuoi misurare una resistenza?
2. Se sì: da sola o inserita in un circuito?
3. Se no: cosa d'altro?
Spiega bene cosa vuoi fare.
1. Vuoi misurare una resistenza?
2. Se sì: da sola o inserita in un circuito?
3. Se no: cosa d'altro?
-

PietroBaima
90,7k 7 12 13 - G.Master EY

- Messaggi: 12206
- Iscritto il: 12 ago 2012, 1:20
- Località: Londra
3
voti
Aggiungo alle domande di
PietroBaima un proverbio cinese:
Se tu ambedue polalila volele, lesistore con dual supply complale devi.
http://www.analog.com/media/en/technica ... AD5290.pdf
Ma spiega cosa vuoi fare di preciso, magari mettici uno schema.
Boiler
Se tu ambedue polalila volele, lesistore con dual supply complale devi.
http://www.analog.com/media/en/technica ... AD5290.pdf
Ma spiega cosa vuoi fare di preciso, magari mettici uno schema.
Boiler
0
voti
1
voti
Allora vuoi un PGA (Programmable Gain Amplifier), immaginando che hai invertito i morsetti invertente e non.
Ce ne sono diversi già pronti, non hai che da cercare su google.
Il condensatore a cosa serve? Vuoi costruire un integratore?
Ce ne sono diversi già pronti, non hai che da cercare su google.
Il condensatore a cosa serve? Vuoi costruire un integratore?
-

PietroBaima
90,7k 7 12 13 - G.Master EY

- Messaggi: 12206
- Iscritto il: 12 ago 2012, 1:20
- Località: Londra
0
voti
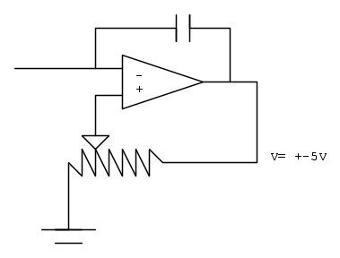
Spero si capisca anche se esteticamente non è il massimo.
Io vorrei controllare il wiper del potenziometro ad alte frequenze( 1-5 kHz) con la tensione in uscita dall'op amp che oscilla fra +5V e -5V.
Ho trovato potenziometri digitali da montare sulla breadboard che hanno un range di 7 V, mentre quelli con un range maggiore solo "surface mounted". Volevo sapere per prima cosa se sto andando in una direzione sensata, e poi se fosse possibile avere un range di tensione applicabile maggiore per i potenziometri con montaggio "through hole" per la breadboard.
Grazie
Io vorrei controllare il wiper del potenziometro ad alte frequenze( 1-5 kHz) con la tensione in uscita dall'op amp che oscilla fra +5V e -5V.
Ho trovato potenziometri digitali da montare sulla breadboard che hanno un range di 7 V, mentre quelli con un range maggiore solo "surface mounted". Volevo sapere per prima cosa se sto andando in una direzione sensata, e poi se fosse possibile avere un range di tensione applicabile maggiore per i potenziometri con montaggio "through hole" per la breadboard.
Grazie
0
voti
In teoria è una capacità negativa sintetica, e i pin sono connessi come nel disegno.
0
voti
PietroBaima ha scritto:Il condensatore a cosa serve? Vuoi costruire un integratore?
Cosa voglia fare non so ;)
Ma quello è un NIC (negative impedance converter).
Boiler
0
voti
boiler ha scritto:Aggiungo alle domande diPietroBaima un proverbio cinese:
Se tu ambedue polalila volele, lesistore con dual supply complale devi.
http://www.analog.com/media/en/technica ... AD5290.pdf
Ma spiega cosa vuoi fare di preciso, magari mettici uno schema.
Boiler
Io vorrei sapere se riesco a trovarne uno con caratteristiche di analoghe a queste per applicarlo direttamente su una breadboard (configurazione PDIP se ho capito bene) e con resistenza totale minore (5-10 kohm).
Su varie pagine ho trovato che i potenziometri che supportano la dual mode a tensioni maggiori (+-15V) sono solo del tipo "surface mounted".
0
voti
TheTomas ha scritto: mentre quelli con un range maggiore solo "surface mounted".
Ti conviene comprare una piccola adapter board e saldarci il componente SMD. Ti consiglio le "surfboard", le trovi per esempio su digikey. I condensatori per l'alimentazione vanno sull'adapter, non sulla bredboard.
Boiler
29 messaggi
• Pagina 1 di 3 • 1, 2, 3
Chi c’è in linea
Visitano il forum: Google Adsense [Bot] e 516 ospiti

Elettrotecnica e non solo (admin)
Un gatto tra gli elettroni (IsidoroKZ)
Esperienza e simulazioni (g.schgor)
Moleskine di un idraulico (RenzoDF)
Il Blog di ElectroYou (webmaster)
Idee microcontrollate (TardoFreak)
PICcoli grandi PICMicro (Paolino)
Il blog elettrico di carloc (carloc)
DirtEYblooog (dirtydeeds)
Di tutto... un po' (jordan20)
AK47 (lillo)
Esperienze elettroniche (marco438)
Telecomunicazioni musicali (clavicordo)
Automazione ed Elettronica (gustavo)
Direttive per la sicurezza (ErnestoCappelletti)
EYnfo dall'Alaska (mir)
Apriamo il quadro! (attilio)
H7-25 (asdf)
Passione Elettrica (massimob)
Elettroni a spasso (guidob)
Bloguerra (guerra)
pigreco]=π
