Cos'è ElectroYou | Login Iscriviti

ElectroYou - la comunità dei professionisti del mondo elettrico

Il BJT come Amplificatore - Effetto di Re? Dubbio

Elettronica lineare e digitale: didattica ed applicazioni

Moderatori: Foto Utentecarloc, Foto Utenteg.schgor, Foto UtenteBrunoValente, Foto UtenteIsidoroKZ

0
voti

[1] Il BJT come Amplificatore - Effetto di Re? Dubbio

Messaggioda Foto Utentemsb0ne » 17 dic 2017, 16:06

Ciao ragazzi,

Ho notato l'utilità di questa community nel mio thread precedente, dove ad un piccolo dubbio siete subito accorsi a chiarirmi le idee dopo che mi sono scervellata e ve ne sono veramente grata, siete migliori di qualsiasi altro corso universitario! =D>

Come ultima attività mi viene chiesta questa analisi di un amplificatore a BJT ad emettitore comune per il corso in itinere. Il testo dice:

Per l'amplificatore mostrato nel circuito seguente, calcolare il guadagno di tensione complessivo, la resistenza di ingresso e la resistenza di uscita. Valutare inoltre l'effetto di una riduzione della resistenza sull'emettitore Re ad un valore pari a 560 ohm. Assumere inoltre Beta=100, Va = 50 V. E lo schema del circuito:

4niKpf1.png


Ecco.. praticamente ho svolto l'analisi facendo dapprima quella in Dc e risolvendo praticamente una rete a 4 resistori e mi sono trovata il punto di lavoro Q. Dopodichè ho provveduto all'analisi in Ac e mi sono trovata i parametri per il modello a piccoli segnali grazie al Q trovato al punto precendete. Alla fine mi vengono tipo una Rin=9,22 kohm, Rout=20 kohm e un guadagno di circa 42,6 dB. Spero siano esatti.

Dopo però il problema mi chiede di valutare l'effetto di una riduzione della resistenza di emettitore, quindi passando da 3 kohm a 560 ohm in valore. Praticamente sono ripartita effettuando l'analisi da capo, partendo da Dc, Ac e modello piccoli segnali ancora. Alla fine ciò che mi risulta in Dc è ovviamente un Q-point diverso, con Ib maggiore e quindi Ic maggiore e Vce minore rispetto al caso precedente. Proseguendo poi arrivo infine ad un valore di Rin e Rout leggermente minori ma un guadagno maggiore, circa 43,8 dB.

Ma in generale mi chiedevo, cosa volesse dire "Valutare l'effetto di una riduzione della resistenza di Emettitore"? :?:

Si facendo i calcoli praticamente ho notato come passando da 3 kohm a 560 ohm (tanta differenza), il fattore di amplificazione rimane quasi invariato, quindi ha effetto stabilizzante? è questo il dubbio che ho: a cosa serve in sostanza Re e una sua diminuzione cosa comporta veramente?

P.S: mi scuso per non avere utilizzato FidocadJ, non ho avuto il tempo necessario ad imparare ad usarlo ma prometto che dalla prossima volta faccio la brava!
Ultima modifica di Foto UtenteIlGuru il 18 dic 2017, 14:27, modificato 1 volta in totale.
Motivazione: Immagini su server esterni sono vietate.
Avatar utente
Foto Utentemsb0ne
179 2 5
Frequentatore
Frequentatore
 
Messaggi: 206
Iscritto il: 14 dic 2017, 15:42

0
voti

[2] Re: Il BJT come Amplificatore - Effetto di Re? Dubbio

Messaggioda Foto UtenteIlGuru » 17 dic 2017, 18:06

Non ho fatto i calcoli, ma non mi sembra che il guadagno in tensione sia praticamente lo stesso nei due casi e nemmeno la resistenza vista al'ingresso dell'amplificatore.
Quale circuito di piccolo segnale hai usato?
Mi viene il sospetto che tu abbia lasciato R6 nell'analisi, che essendo in parallelo a C2 va sostituita con un cortocircuito.
\Gamma\nu\tilde{\omega}\theta\i\ \sigma\epsilon\alpha\upsilon\tau\acute{o}\nu
Avatar utente
Foto UtenteIlGuru
5.482 2 10 13
G.Master EY
G.Master EY
 
Messaggi: 1924
Iscritto il: 31 lug 2015, 23:32

0
voti

[3] Re: Il BJT come Amplificatore - Effetto di Re? Dubbio

Messaggioda Foto Utentemsb0ne » 17 dic 2017, 19:29

IlGuru ha scritto:Non ho fatto i calcoli, ma non mi sembra che il guadagno in tensione sia praticamente lo stesso nei due casi e nemmeno la resistenza vista al'ingresso dell'amplificatore.
Quale circuito di piccolo segnale hai usato?
Mi viene il sospetto che tu abbia lasciato R6 nell'analisi, che essendo in parallelo a C2 va sostituita con un cortocircuito.
intanto grazie. Non ho detto che mi vengano uguali nei due casi, ho solo notato piccole differenze, riassumo qui i risultati che ho ottenuto:

per Re = 3 kohm --> Rin= 9,22 kohm ; Rout= 20 kohm ; A = 42,6 dB

per Re = 560 ohm --> Rin = 7,7 kohm ; Rout = 19,53 kohm ; A = 43,8 dB

Ho utilizzato questo circuito in Ac:

ORno8aF.jpg


Dove ho omesso sia Re che R6 in quanto in serie e cortocircuitati (magari ho sbagliato qui..?)
Ultima modifica di Foto UtenteIlGuru il 18 dic 2017, 14:28, modificato 1 volta in totale.
Motivazione: Immagini su server esterni sono vietate.
Avatar utente
Foto Utentemsb0ne
179 2 5
Frequentatore
Frequentatore
 
Messaggi: 206
Iscritto il: 14 dic 2017, 15:42

0
voti

[4] Re: Il BJT come Amplificatore - Effetto di Re? Dubbio

Messaggioda Foto UtenteIlGuru » 17 dic 2017, 22:01

Nel piccolo segnale è cortocircuitata solo R6, Re c'è. Noterai un guadagno minore
\Gamma\nu\tilde{\omega}\theta\i\ \sigma\epsilon\alpha\upsilon\tau\acute{o}\nu
Avatar utente
Foto UtenteIlGuru
5.482 2 10 13
G.Master EY
G.Master EY
 
Messaggi: 1924
Iscritto il: 31 lug 2015, 23:32

0
voti

[5] Re: Il BJT come Amplificatore - Effetto di Re? Dubbio

Messaggioda Foto Utentemsb0ne » 17 dic 2017, 22:42

IlGuru ha scritto:Nel piccolo segnale è cortocircuitata solo R6, Re c'è. Noterai un guadagno minore
grazie ma come la potrei includere nei calcoli Re? c'è qualche anima buona che può svolgere l'esercizio, sto impazzendo! #-o
Avatar utente
Foto Utentemsb0ne
179 2 5
Frequentatore
Frequentatore
 
Messaggi: 206
Iscritto il: 14 dic 2017, 15:42

0
voti

[6] Re: Il BJT come Amplificatore - Effetto di Re? Dubbio

Messaggioda Foto UtenteZeitung » 17 dic 2017, 22:56

Guardando così lo schema e supponendo che l´impedenza della C di bypass sia piccola alle frequenze di interesse, forse é facile intuire come il guadagno dell´amplificatore migliori se si usa una Re di 560 Ohm al posto di quella da 3 kohm



Avatar utente
Foto UtenteZeitung
55 1 2 7
Frequentatore
Frequentatore
 
Messaggi: 225
Iscritto il: 17 nov 2009, 14:13

0
voti

[7] Re: Il BJT come Amplificatore - Effetto di Re? Dubbio

Messaggioda Foto Utentemsb0ne » 17 dic 2017, 23:18

Zeitung ha scritto:Guardando così lo schema e supponendo che l´impedenza della C di bypass sia piccola alle frequenze di interesse, forse é facile intuire come il guadagno dell´amplificatore migliori se si usa una Re di 560 Ohm al posto di quella da 3 kohm



grazie, allora ci avevo visto giusto! non ho capito una cosa negli schemi, hai sommato in serie Re e R6 e poi hai messo un'altra Re con il condesatore di bypass?
Avatar utente
Foto Utentemsb0ne
179 2 5
Frequentatore
Frequentatore
 
Messaggi: 206
Iscritto il: 14 dic 2017, 15:42

0
voti

[8] Re: Il BJT come Amplificatore - Effetto di Re? Dubbio

Messaggioda Foto UtenteZeitung » 17 dic 2017, 23:26

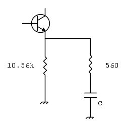
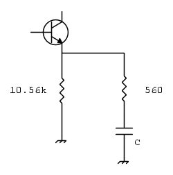
nel circuito equivalente ho voluto evidenziare i due rami, uno per la DC e l´altro per l´AC.
Alla DC chiaramente devi sommare RE e R6 mentre alla frequenze del segnale c´é solo RE che determina il guadagno.
Credo che in questo modo sia più chiara la logica di quella R6 con la capacità di bypass.
Avatar utente
Foto UtenteZeitung
55 1 2 7
Frequentatore
Frequentatore
 
Messaggi: 225
Iscritto il: 17 nov 2009, 14:13

0
voti

[9] Re: Il BJT come Amplificatore - Effetto di Re? Dubbio

Messaggioda Foto Utentemsb0ne » 17 dic 2017, 23:31

Zeitung ha scritto:nel circuito equivalente ho voluto evidenziare i due rami, uno per la DC e l´altro per l´AC.
Alla DC chiaramente devi sommare RE e R6 mentre alla frequenze del segnale c´é solo RE che determina il guadagno.
Credo che in questo modo sia più chiara la logica di quella R6 con la capacità di bypass.
ok chiaro. Comunque di solito supponiamo che le frequenze siano sufficientemente alte da poter considerare i condensatori come corto circuiti in Ac. Mi rimane il dubbio però, come inserisco Re nei calcoli del modello per piccoli segnali? Intendo matematicamente parlando. è in comune tra maglia di ingresso e di uscita. Devo solamente fare un parallelo in più per entrambe?
Avatar utente
Foto Utentemsb0ne
179 2 5
Frequentatore
Frequentatore
 
Messaggi: 206
Iscritto il: 14 dic 2017, 15:42

0
voti

[10] Re: Il BJT come Amplificatore - Effetto di Re? Dubbio

Messaggioda Foto UtentePiercarlo » 18 dic 2017, 0:01

Il guadagno che hai trovato nei due casi, se è un guadagno in tensione, è sbagliato e pure di parecchio. Posta l'intero calcolo svolto (usando LATEX, grazie) e vedremo di individuare dove stai toppando.
Avatar utente
Foto UtentePiercarlo
24,0k 6 11 13
G.Master EY
G.Master EY
 
Messaggi: 6719
Iscritto il: 30 mar 2010, 19:23
Località: Milano

Prossimo

Torna a Elettronica generale

Chi c’è in linea

Visitano il forum: Nessuno e 59 ospiti