ciao a tutti ragazzi e buon anno.
vi chiedo se potete aiutarmi per un applicazione che mi sta facendo impazzire da parecchio tempo a questa parte.
lo scopo è quello di "simulare" uno switch bidirezionale con due MOSFET.
per fare questo sto utilizzando 2 MOSFET (M1 e M2) n-channel collegati con source in comune. Al drain di M1 è collegato il positivo batteria, mentre al drain del MOSFET M2 il carico che, in prima battuta può essere semplificato con una resistenza di 1 ohm verso massa.
il mio problema è come "generare" la tensione di polarizzazione di gate dei due MOSFET (i gate dei due MOSFET sono in comune). ovvero devo generare una tensione di almeno 10V maggiore rispetto alla tensione di source. mi serve cioè un circuito in grado di generare 10V e successivamente in grado di shiftarlo della tensione di source. questo perché la tensione di batteria non è costante a 12v (valore nominale) ma può oscillare dai 6V ai 20V.
l idea sarebbe quella di usare un ldo che dalla tensione di batteria mi genera 5V in ingresso. poi con una pompa di carica di tipo 2*Vin generare i 10v. a questo punto però non so come sommare questo 10V alla tensione di source.
grazie a tutti ragazzo
circuito polarizzatore MOSFET n channel
Moderatori:
carloc,
g.schgor,
BrunoValente,
IsidoroKZ
18 messaggi
• Pagina 1 di 2 • 1, 2
1
voti
Soluzione pronta devi usare un high side driver
Uno a caso ma ti può aiutare a capire il principio
Soluzione fai da te devi crearti un oscillatore che carica un condensatore che poi colleghi tra source e gate
appnote TI
Uno a caso ma ti può aiutare a capire il principio
Soluzione fai da te devi crearti un oscillatore che carica un condensatore che poi colleghi tra source e gate
appnote TI
-

luxinterior
4.311 3 4 9 - Master EY

- Messaggi: 2690
- Iscritto il: 6 gen 2016, 17:48
0
voti
grazie del consiglio.
la mia intenzione di fatto sarebbe di usare una charge pump (della Maxim ad esempio) per non dover progettare anche la charge pump. Il mio problema è: una volta che dall' uscita della pompa di carica ho i 10 V riferiti a GND, come faccio a sommare questi 10 V alla tensione di source?in sostanza dovrei shiftare i 10V della tensione di source per avere una Vgs di 10 V e quindi polarizzare correttamente i MOSFET.
la mia intenzione di fatto sarebbe di usare una charge pump (della Maxim ad esempio) per non dover progettare anche la charge pump. Il mio problema è: una volta che dall' uscita della pompa di carica ho i 10 V riferiti a GND, come faccio a sommare questi 10 V alla tensione di source?in sostanza dovrei shiftare i 10V della tensione di source per avere una Vgs di 10 V e quindi polarizzare correttamente i MOSFET.
0
voti
Puoi leggere anchequesto
Ioi userei qualcosa di pronto cerca Si875x ma ci sono infiniti produttori e dispositivi
Ma tu cosa vui fare un interruttore statico ? I charge pump hanno bisogno di un tempo di off sul mosfet per ricaricare il condensatore. Lavorano solo in commutazione.
Ti conviene creare un circuito isolato
prova a leggere anche questa discussione
Ioi userei qualcosa di pronto cerca Si875x ma ci sono infiniti produttori e dispositivi
Ma tu cosa vui fare un interruttore statico ? I charge pump hanno bisogno di un tempo di off sul mosfet per ricaricare il condensatore. Lavorano solo in commutazione.
Ti conviene creare un circuito isolato
prova a leggere anche questa discussione
-

luxinterior
4.311 3 4 9 - Master EY

- Messaggi: 2690
- Iscritto il: 6 gen 2016, 17:48
4
voti
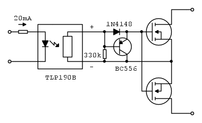
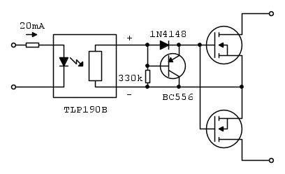
Ti consiglio di non complicarti la vita e di utilizzare un accoppiatore fotovoltaico del tipo TLP190B, si trovano a poco dalla Cina, io, se non ricordo male, li acquistai da Aliexpress.
In pratica dentro c'è un led che illumina una piccola cella fotovoltaica, quindi in uscita genera una tensione continua di 9-10V isolata dall'ingresso.
Il circuito che ti consiglio è il seguente
Tra l'altro l'ho provato proprio in questi giorni con dei mosfet STP75NF75 per gestire correnti di 10A e va benissimo.
Il diodo e il transistor servono a rendere rapido lo spegnimento, se a te non occorre puoi non metterli collegando direttamente l'uscita del fotoaccoppiatore con i mosfet e la resistenza da 330k che è importante che ci sia, leggiti il datasheet.
In pratica dentro c'è un led che illumina una piccola cella fotovoltaica, quindi in uscita genera una tensione continua di 9-10V isolata dall'ingresso.
Il circuito che ti consiglio è il seguente
Tra l'altro l'ho provato proprio in questi giorni con dei mosfet STP75NF75 per gestire correnti di 10A e va benissimo.
Il diodo e il transistor servono a rendere rapido lo spegnimento, se a te non occorre puoi non metterli collegando direttamente l'uscita del fotoaccoppiatore con i mosfet e la resistenza da 330k che è importante che ci sia, leggiti il datasheet.
-

BrunoValente
39,6k 7 11 13 - G.Master EY

- Messaggi: 7796
- Iscritto il: 8 mag 2007, 14:48
0
voti
sembra interessantissimo.
in sostanza fa circolare una corrente la quale crea una caduta sulla 330k che polarizza i MOSFET.
che tu sappia si può aumentare la tensione di polarizzazione? anziché 10 portarla a 13?
e fattibile secondo te aumentando la resistenza?
in sostanza fa circolare una corrente la quale crea una caduta sulla 330k che polarizza i MOSFET.
che tu sappia si può aumentare la tensione di polarizzazione? anziché 10 portarla a 13?
e fattibile secondo te aumentando la resistenza?
1
voti
Non dovrebbe essere necessario, i mosfet con 10V, ma anche meno, sono chiusi, comunque no, non mi pare si possa aumentare la tensione e aumentando il valore della resistenza rischi di rallentare eccessivamente lo spegnimento dei mosfet: la cella fotovoltaica quando non è illuminata è praticamente un circuito aperto, quindi resta solo la resistenza a drenare la carica dei gate per far scendere a 0V la VGS.
Se proprio ti occorre una tensione maggiore puoi collegare in serie le uscite di due accoppiatori.
Se proprio ti occorre una tensione maggiore puoi collegare in serie le uscite di due accoppiatori.
-

BrunoValente
39,6k 7 11 13 - G.Master EY

- Messaggi: 7796
- Iscritto il: 8 mag 2007, 14:48
1
voti
Dimenticavo: io ho messo anche uno zener da 12V tra gate e source, non si sa mai...
-

BrunoValente
39,6k 7 11 13 - G.Master EY

- Messaggi: 7796
- Iscritto il: 8 mag 2007, 14:48
0
voti
per quanto riguarda i tempi di accensione e spegnimento?sono fondamentali per evitare la bruciatura del MOSFET: l accensione per stare all' interno della SOA del MOSFET..e lo spegnimento in caso di cortocircuito. e pensabile secondo te usare un condensatore (quello che nel LTC7004 ad esempio è chiamato di boost) per velocizzare il tempo di accensione, senza però rallentare il tempo di spegnimento?
1
voti
qual è l'applicazione? con che frequenza devi commutarlo?
-

BrunoValente
39,6k 7 11 13 - G.Master EY

- Messaggi: 7796
- Iscritto il: 8 mag 2007, 14:48
18 messaggi
• Pagina 1 di 2 • 1, 2
Chi c’è in linea
Visitano il forum: Nessuno e 195 ospiti

Elettrotecnica e non solo (admin)
Un gatto tra gli elettroni (IsidoroKZ)
Esperienza e simulazioni (g.schgor)
Moleskine di un idraulico (RenzoDF)
Il Blog di ElectroYou (webmaster)
Idee microcontrollate (TardoFreak)
PICcoli grandi PICMicro (Paolino)
Il blog elettrico di carloc (carloc)
DirtEYblooog (dirtydeeds)
Di tutto... un po' (jordan20)
AK47 (lillo)
Esperienze elettroniche (marco438)
Telecomunicazioni musicali (clavicordo)
Automazione ed Elettronica (gustavo)
Direttive per la sicurezza (ErnestoCappelletti)
EYnfo dall'Alaska (mir)
Apriamo il quadro! (attilio)
H7-25 (asdf)
Passione Elettrica (massimob)
Elettroni a spasso (guidob)
Bloguerra (guerra)

