Cos'è ElectroYou | Login Iscriviti

ElectroYou - la comunità dei professionisti del mondo elettrico

Lampada emergenza Beghelli 1499

Elettronica lineare e digitale: didattica ed applicazioni

Moderatori: Foto Utentecarloc, Foto Utenteg.schgor, Foto UtenteBrunoValente, Foto UtenteIsidoroKZ

0
voti

[1] Lampada emergenza Beghelli 1499

Messaggioda Foto UtenteFedib » 2 ago 2019, 23:06

Salve a tutti ragazzi, sto cercando di riparare questa lampada di emergenza beghelli in quanto in mancanza di tensione non si accendono i led ma rimangono accesi molto poco(12V circa sull'uscita al posto di 20-21V), facendo delle misure di tensione mi capita una cosa strana e spero di poterla risolvere con il vostro aiuto, in breve appena metto il multimetro in misura di tensione DC con il puntale negativo su gnd e il puntale positivo sulla base del transistor BC457, mi si accendono le strip led ?% . Quale potrebbe essere il problema ?
Vi allego le foto per farvi capire meglio.

photo5917919782735295402.jpg


photo5917919782735295403.jpg
Avatar utente
Foto UtenteFedib
455 2 5 7
Sostenitore
Sostenitore
 
Messaggi: 692
Iscritto il: 4 mar 2013, 22:42

0
voti

[2] Re: Lampada emergenza Beghelli 1499

Messaggioda Foto UtenteFedib » 3 ago 2019, 10:50

Aggiungo che anche se tocco la base di questo transistor con un filo senza collegarlo a nulla, fa lo stesso effetto #-o ?%
Avatar utente
Foto UtenteFedib
455 2 5 7
Sostenitore
Sostenitore
 
Messaggi: 692
Iscritto il: 4 mar 2013, 22:42

0
voti

[3] Re: Lampada emergenza Beghelli 1499

Messaggioda Foto Utenteclaudiocedrone » 4 ago 2019, 1:55

Prova a rifare le saldature di quel terminale di base e quelle dei due resistori che sono sulla medesima piazzola; per i due resistori rifai anche le rispettive saldature degli altri due terminali.
"Non farei mai parte di un club che accettasse la mia iscrizione" (G. Marx)
Avatar utente
Foto Utenteclaudiocedrone
21,3k 4 7 9
Master EY
Master EY
 
Messaggi: 15302
Iscritto il: 18 gen 2012, 13:36

0
voti

[4] Re: Lampada emergenza Beghelli 1499

Messaggioda Foto UtenteFedib » 4 ago 2019, 2:05

Nel dubbio ho ripassato tutte le saldature sulla scheda, ma nulla purtroppo sempre lo stesso difetto
Avatar utente
Foto UtenteFedib
455 2 5 7
Sostenitore
Sostenitore
 
Messaggi: 692
Iscritto il: 4 mar 2013, 22:42

0
voti

[5] Re: Lampada emergenza Beghelli 1499

Messaggioda Foto UtenteFedib » 15 ago 2019, 18:45

Qualche altra idea?
Avatar utente
Foto UtenteFedib
455 2 5 7
Sostenitore
Sostenitore
 
Messaggi: 692
Iscritto il: 4 mar 2013, 22:42

0
voti

[6] Re: Lampada emergenza Beghelli 1499

Messaggioda Foto Utenteelektronik » 15 ago 2019, 23:24

Fedib ha scritto:Qualche altra idea?

Una volta mi capitò un televisore che se toccavo con le dita due punti si accendeva ma appena lasciavo si spengeva, non riuscendo a trovare il difetto mi misurai la resistenza fra le mani e misi una resistenza del valore che ne risultò chiusi il tutto e il televisor continuo a funzionare senza intoppi, quando lo riferii al tecnico che non riuscì a ripararlo mi disse che una cosa del genere e contro tutte le leggi dell'elettronica, gli risposi che pur essendo vero quello che dici, io so che prima il televisore non funzionava mentre adesso si. prova a saldare una resistenza su un mega e più sui due punti dove avevi messo il tester e dicci cosa succede.
Avatar utente
Foto Utenteelektronik
7.800 4 6 7
Master
Master
 
Messaggi: 3836
Iscritto il: 12 mag 2015, 22:26

0
voti

[7] Re: Lampada emergenza Beghelli 1499

Messaggioda Foto UtenteFedib » 15 ago 2019, 23:40

ho provato a metterci circa 700k perché non avevo quelle da 1 mega, niente fa lo stesso difetto
Avatar utente
Foto UtenteFedib
455 2 5 7
Sostenitore
Sostenitore
 
Messaggi: 692
Iscritto il: 4 mar 2013, 22:42

0
voti

[8] Re: Lampada emergenza Beghelli 1499

Messaggioda Foto Utenteclaudiocedrone » 16 ago 2019, 0:00

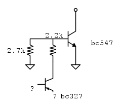
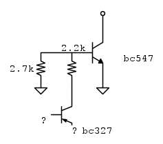
Se non ho preso una cantonata quel transistor parrebbe connesso così...

e non essendovi degenerazione di emettitore direi trattarsi di un interruttore... allora cosa potrebbe essere che lo fa funzionare parallelando la resistenza del voltmetro del multimetro al resistore da 680 k ovvero diminuendone leggermente il valore (ammesso che sia tutto efficiente), o semplicemente facendo captare rumore alla base e non lo fa funzionare coi collegamenti originari ? :roll:
"Non farei mai parte di un club che accettasse la mia iscrizione" (G. Marx)
Avatar utente
Foto Utenteclaudiocedrone
21,3k 4 7 9
Master EY
Master EY
 
Messaggi: 15302
Iscritto il: 18 gen 2012, 13:36

0
voti

[9] Re: Lampada emergenza Beghelli 1499

Messaggioda Foto UtenteFedib » 16 ago 2019, 0:11



se non sbaglio seguendo i colori delle resistenze dovrebbe essere una cosa del genere, il transistor che a noi interessa è il bc547 che ho gia sostituito per scrupolo
Avatar utente
Foto UtenteFedib
455 2 5 7
Sostenitore
Sostenitore
 
Messaggi: 692
Iscritto il: 4 mar 2013, 22:42

0
voti

[10] Re: Lampada emergenza Beghelli 1499

Messaggioda Foto Utenteclaudiocedrone » 16 ago 2019, 0:25

Vero, mi sono incasinato con la specchiatura e ho trascritto i resistori sbagliati #-o ...
hai controllato l'integrità del resistore da 2,7 k ?
Mi dispiace di non essere in grado di aiutarti ma le mie capacità sono assai molto limitate.
"Non farei mai parte di un club che accettasse la mia iscrizione" (G. Marx)
Avatar utente
Foto Utenteclaudiocedrone
21,3k 4 7 9
Master EY
Master EY
 
Messaggi: 15302
Iscritto il: 18 gen 2012, 13:36

Prossimo

Torna a Elettronica generale

Chi c’è in linea

Visitano il forum: Nessuno e 202 ospiti