Cos'è ElectroYou | Login Iscriviti

ElectroYou - la comunità dei professionisti del mondo elettrico

Scegliere diodo equivalente

Elettronica lineare e digitale: didattica ed applicazioni

Moderatori: Foto Utentecarloc, Foto Utenteg.schgor, Foto UtenteBrunoValente, Foto UtenteIsidoroKZ

0
voti

[1] Scegliere diodo equivalente

Messaggioda Foto UtenteLuridbeatle » 26 dic 2019, 20:00

Buona sera ed Auguri a tutti.
In queste feste mi sono lanciato nella ricostruzione di un vecchio e veramente mal messo Revox A77, un Reel to Reel del 1973 discretamente conosciuto ed apprezzato. Al solito mi scontro con la mia ignoranza! :mrgreen:
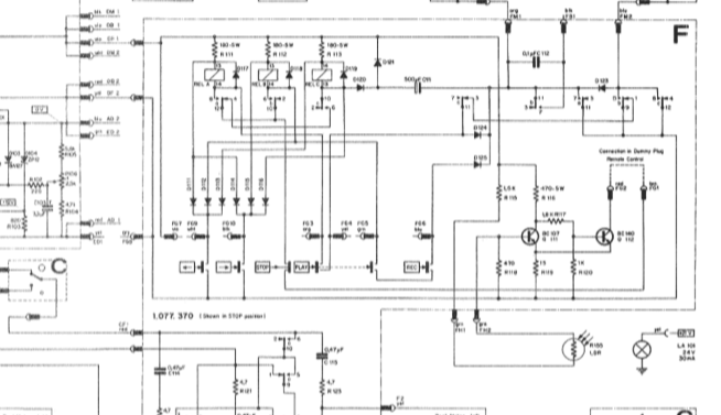
Questo è lo schema della scheda di controllo a relays dei 3 motori:
auu.PNG


Come visibile vi sono diversi diodi ma si tratta di soli 2 modelli BA127 e PAD212 con caratteristiche 50V 100mA e 50V 200mA. Da quel che ho letto si tratta di diodi per applicazioni generiche ed entrambi sostituibili con la serie 1N400x... Da qui il dubbio: ma se posso montare un solo tipo di diodo (ad esempio 1n4007) che per specifiche è ampiamente sovradimensionato rispetto alle specifiche dei modelli originali perché nel 1973 non hanno utilizzato solo il modello da 200mA invece di differenziare con anche il 100mA?
Grazie per il supporto.
Avatar utente
Foto UtenteLuridbeatle
215 2 6
Frequentatore
Frequentatore
 
Messaggi: 256
Iscritto il: 19 ago 2018, 10:34

0
voti

[2] Re: Scegliere diodo equivalente

Messaggioda Foto Utenteabusivo » 26 dic 2019, 20:43

Luridbeatle ha scritto:...Revox A77...

Puoi postare una foto?
Giusto a titolo nostalgico.
In bocca al lupo per la riesumazione!
Se quello che funziona basta non lo tocca' sennò te lassa!
Avatar utente
Foto Utenteabusivo
13,3k 4 7 10
Master
Master
 
Messaggi: 7008
Iscritto il: 16 ott 2012, 18:43
Località: L'Aquila

1
voti

[3] Re: Scegliere diodo equivalente

Messaggioda Foto UtenteUdis » 28 dic 2019, 21:55

Si che puoi sostituirli tutti e due con i 1N4007 la sostituzione è fattibile. Unico inconveniente è che se hai un domani un sovraccarico per un guasto sulla linea dei diodi che hai sostituito, se prima bastavano 100-200 mA per mandare fuori uso i diodi praticamente facevano anche da fusibile con bassa corrente ora invece mettendo gli 1N4007 ci vuole più di un amper per farli fuori e intanto ti si fonde tutto il resto. Io vedrei la sostituzione con degli 1N4148 per tutti e due altrimenti se metti gli 1N4007 devi per per fare un lavoro sicuro, mettere in serie al ogni diodo un fusibile da 100 mA e uno da 200 mA. Per quanto riguarda il funzionamento non vedo nessun problema.
Avatar utente
Foto UtenteUdis
145 3
Disattivato su sua richiesta
 
Messaggi: 98
Iscritto il: 16 set 2019, 17:03

0
voti

[4] Re: Scegliere diodo equivalente

Messaggioda Foto UtenteLuridbeatle » 29 dic 2019, 10:10

abusivo ha scritto:
Luridbeatle ha scritto:...Revox A77...

Puoi postare una foto?
Giusto a titolo nostalgico.
In bocca al lupo per la riesumazione!


Ciao, ti allego alcune foto ma penso che... RESTERAI DELUSO per il tuo amarcord :cool:
IMG_20191214_124409.jpg

IMG_20191214_124416.jpg

IMG_20191214_135530.jpg



Come vedi la mia "ricostruzione" è proprio estrema.
Questo sarebbe il ricordo del papà che non c'è più di un amico che mi ha chiesto di rimetterlo in funzione.
Gli ho chiesto dove lo tenesse e scopro: sul balcone di casa, al mare, esposto alle intemperie sotto a scatole (sciolte) di detersivi... Il telaio in legno è marcio e sgretolato. UN DISASTRO! Io l'avrei semplicemente buttato!!
Comunque posterò le foto di quanto riuscirò a fare giusto per la tua curiosità ma è probabile che diventerà un bel soprammobile!
Ciao
Avatar utente
Foto UtenteLuridbeatle
215 2 6
Frequentatore
Frequentatore
 
Messaggi: 256
Iscritto il: 19 ago 2018, 10:34

0
voti

[5] Re: Scegliere diodo equivalente

Messaggioda Foto UtenteLuridbeatle » 29 dic 2019, 10:17

Udis ha scritto:Si che puoi sostituirli tutti e due con i 1N4007 la sostituzione è fattibile. Unico inconveniente è che se hai un domani un sovraccarico per un guasto sulla linea dei diodi che hai sostituito, se prima bastavano 100-200 mA per mandare fuori uso i diodi praticamente facevano anche da fusibile con bassa corrente ora invece mettendo gli 1N4007 ci vuole più di un amper per farli fuori e intanto ti si fonde tutto il resto. Io vedrei la sostituzione con degli 1N4148 per tutti e due altrimenti se metti gli 1N4007 devi per per fare un lavoro sicuro, mettere in serie al ogni diodo un fusibile da 100 mA e uno da 200 mA. Per quanto riguarda il funzionamento non vedo nessun problema.


GRAZIE MILLE!
Ho anche gli 1N4148 quindi procedo con questi.

Quindi quando trovo situazioni analoghe la discriminante nella scelta iniziale degli amperaggi (correnti: è meglio ;-)) (diodi uguali amperaggi (correnti: è meglio ;-)) diversi) è solo per un fattore "di protezione" in caso di sovracorrente?
Avatar utente
Foto UtenteLuridbeatle
215 2 6
Frequentatore
Frequentatore
 
Messaggi: 256
Iscritto il: 19 ago 2018, 10:34

0
voti

[6] Re: Scegliere diodo equivalente

Messaggioda Foto Utenteabusivo » 29 dic 2019, 10:57

Luridbeatle ha scritto:...RESTERAI DELUSO...

E perché mai!?!?
E' una bella sfida.
Luridbeatle ha scritto:...Come vedi la mia "ricostruzione" è proprio estrema...

Intanto vedo che parti con il piede giusto, sei ottimista.
Questa è una vera propria riesumazione!
Chissà come saranno ridotti i motori ...
Luridbeatle ha scritto:...Io l'avrei semplicemente buttato!!...

Questo è un abominio, delitto, ...
Luridbeatle ha scritto:...giusto per la tua curiosità...

Seguo, grazie!
Se quello che funziona basta non lo tocca' sennò te lassa!
Avatar utente
Foto Utenteabusivo
13,3k 4 7 10
Master
Master
 
Messaggi: 7008
Iscritto il: 16 ott 2012, 18:43
Località: L'Aquila

1
voti

[7] Re: Scegliere diodo equivalente

Messaggioda Foto UtenteUdis » 29 dic 2019, 13:29

Ciao, si se sono diodi per uso generico e non veloci o particolari devi fare attenzione alle correnti per un futuro guasto che se troppo sovradimensionati faresti un danno più esteso nell'elettronica.
Avatar utente
Foto UtenteUdis
145 3
Disattivato su sua richiesta
 
Messaggi: 98
Iscritto il: 16 set 2019, 17:03

0
voti

[8] Re: Scegliere diodo equivalente

Messaggioda Foto UtenteLuridbeatle » 29 dic 2019, 16:08

Okay, grazie ancora!

Procedo con i lavori ed aggiorno con qualche foto per i curiosi del Revox.

BUON ANNO A TUTTI!
Avatar utente
Foto UtenteLuridbeatle
215 2 6
Frequentatore
Frequentatore
 
Messaggi: 256
Iscritto il: 19 ago 2018, 10:34

0
voti

[9] Re: Scegliere diodo equivalente

Messaggioda Foto UtenteLuridbeatle » 29 dic 2019, 16:18

abusivo ha scritto:Chissà come saranno ridotti i motori ...
!


Sono un blocco di ruggine!
Proverò a metterli in ammollo nella benzina!
Anche le schede sono disastrate: a parte i componenti deteriorati dal tempo la corrosione ha distrutto tutti i trimmer (ce ne saranno più di venti), danneggiato le connessioni, cariato le saldature oltre ad aver accelerato l'ossidazione dei cavi in rame che non sono OFC. Ho dovuto anche smontare i 3 relè per ripulire i contatti e risaldare tutti i fili all'interno! :?
Andiamo avanti, oggi tocca al trasformatore! O_/
Avatar utente
Foto UtenteLuridbeatle
215 2 6
Frequentatore
Frequentatore
 
Messaggi: 256
Iscritto il: 19 ago 2018, 10:34

0
voti

[10] Re: Scegliere diodo equivalente

Messaggioda Foto UtenteUdis » 31 dic 2019, 18:43

Un lavorone, se alla fine comunque riesci a rimetterlo in vita la soddisfazione poi è tanta!
Avatar utente
Foto UtenteUdis
145 3
Disattivato su sua richiesta
 
Messaggi: 98
Iscritto il: 16 set 2019, 17:03

Prossimo

Torna a Elettronica generale

Chi c’è in linea

Visitano il forum: Nessuno e 33 ospiti