Cos'è ElectroYou | Login Iscriviti

ElectroYou - la comunità dei professionisti del mondo elettrico

Dubbio sul seguente circuito semplice?

Elettronica lineare e digitale: didattica ed applicazioni

Moderatori: Foto Utentecarloc, Foto Utenteg.schgor, Foto UtenteBrunoValente, Foto UtenteIsidoroKZ

0
voti

[1] Dubbio sul seguente circuito semplice?

Messaggioda Foto UtenteOmi » 10 set 2020, 19:01

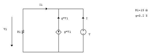
Salve a tutti ho questo circuito :


Volevo chiedere, perché se metto la V1 in questo verso la resistenza equivalente vista ai capi di V è -7.5ohm, mentre se metto la V1 e la I1 nel verso opposto, mi viene una resistenza equivalente diversa? Ecco riportati i passaggi.


I=-I1-GV1=-V1[(1/R1)+g]

V=-V1

I=V[(1/R1)+g]

Req=3.75 ohm
Avatar utente
Foto UtenteOmi
123 1 4 7
Sostenitore
Sostenitore
 
Messaggi: 512
Iscritto il: 19 dic 2016, 19:06

3
voti

[2] Re: Dubbio sul seguente circuito semplice?

Messaggioda Foto Utenteg.schgor » 11 set 2020, 9:47

La R1 non può 'erogare corrente'!
La corrente in R1 è determinata da V,
mentre la corrente del generatore dipendente
circola solo nel generatore V
Avatar utente
Foto Utenteg.schgor
57,8k 9 12 13
G.Master EY
G.Master EY
 
Messaggi: 16971
Iscritto il: 25 ott 2005, 9:58
Località: MILANO

0
voti

[3] Re: Dubbio sul seguente circuito semplice?

Messaggioda Foto UtenteOmi » 11 set 2020, 11:18

Salve, mi scusi ma i segni delle tensioni e delle correnti non possono essere scelti arbitrariamente?
Avatar utente
Foto UtenteOmi
123 1 4 7
Sostenitore
Sostenitore
 
Messaggi: 512
Iscritto il: 19 dic 2016, 19:06

2
voti

[4] Re: Dubbio sul seguente circuito semplice?

Messaggioda Foto UtenteBrunoValente » 11 set 2020, 11:41

Mi pare che il generatore di tensione V sia collegato in parallelo a R1, quindi il valore e il verso della corrente che scorre in R1 dipende solo dal valore e dal verso della tensione ai suoi capi, cioè solo dal verso e dal valore di V.

Il fatto che il generatore dipendente a sua volta sia collegato in parallelo a V e a R1 non porta alterazioni alla corrente che scorre in R1 perché, essendo V un generatore di tensione, non c'è nulla che sia in grado di alterare la tensione ai suoi capi, quindi R1 non può accorgersi della presenza del generatore dipendente, di conseguenza, come giustamente scrive Foto Utenteg.schgor, la corrente gV1 scorre tutta in V.
Avatar utente
Foto UtenteBrunoValente
39,6k 7 11 13
G.Master EY
G.Master EY
 
Messaggi: 7797
Iscritto il: 8 mag 2007, 14:48

2
voti

[5] Re: Dubbio sul seguente circuito semplice?

Messaggioda Foto Utenteadmin » 11 set 2020, 12:19

Se consideri V_1 opposta a quella del testo, devi cambiare di segno anche il generatore dipendente di corrente che da quella tensione dipende in valore e polarità
Avatar utente
Foto Utenteadmin
196,7k 9 12 17
Manager
Manager
 
Messaggi: 11953
Iscritto il: 6 ago 2004, 13:14

0
voti

[6] Re: Dubbio sul seguente circuito semplice?

Messaggioda Foto UtenteOmi » 11 set 2020, 14:12

admin ha scritto:Se consideri V_1 opposta a quella del testo, devi cambiare di segno anche il generatore dipendente di corrente che da quella tensione dipende in valore e polarità

Grazie a tutti per le risposte. Era semplice, ma la mia intuizione non mi ci ha portato a capirlo da solo. Forse anche perché abbiamo studiato solo approssimativamente i gen. controllati.
Avatar utente
Foto UtenteOmi
123 1 4 7
Sostenitore
Sostenitore
 
Messaggi: 512
Iscritto il: 19 dic 2016, 19:06

1
voti

[7] Re: Dubbio sul seguente circuito semplice?

Messaggioda Foto UtenteEdmondDantes » 13 set 2020, 13:32

I generatori pilotati ideali sono dei dispositivi non reciproci, attivi e possono amplificare le grandezze elettriche in gioco.
La convenzione dei segni e' arbitraria, ma non il segno della grandezza pilotante del generatore pilotato. Se la cambi, stai risolvendo una rete differente. Tutto questo a prescindere dai tuoi conti che non ho letto e dal problema sul valore della resistenza equivalente.

Un appunto.
Tensioni e correnti non hanno un verso. Sono degli scalari.
Non puoi scrivere espressioni tipo verso della corrente o metto la tensione in questo verso e simili.
Usando tali espressioni, un lettore smaliziato potrebbe dedurre la tua non piena comprensione dell'argomento, incluso fisica II.
Ad avere i versi sono i riferimenti assegnati a tali scalari.
Dopo aver digerito questo punto, per velocizzare il discorso, si potrebbe anche usare un linguaggio non appropriato. L'errore rimane, ma perlomeno e' studiato.
E' solo una finezza, per carita', ma segna il confine tra chi ha capito e chi no.
Il Conte di Montecristo

Se non studio un giorno, me ne accorgo io. Se non studio due giorni, se ne accorge il pubblico.

Io devo studiare sodo e preparare me stesso perché prima o poi verrà il mio momento.
Abraham Lincoln
Avatar utente
Foto UtenteEdmondDantes
11,9k 8 11 13
Disattivato su sua richiesta
 
Messaggi: 3619
Iscritto il: 25 lug 2009, 22:18
Località: Marsiglia

0
voti

[8] Re: Dubbio sul seguente circuito semplice?

Messaggioda Foto UtenteOmi » 13 set 2020, 14:18

Fortunatamente conosco bene la differenza tra campo scalare e vettoriale e forse l'uso improprio del mio linguaggio è dovuto anche al fatto che il mio professore usa lo stesso. Ti ringrazio per la correzione.
Avatar utente
Foto UtenteOmi
123 1 4 7
Sostenitore
Sostenitore
 
Messaggi: 512
Iscritto il: 19 dic 2016, 19:06

0
voti

[9] Re: Dubbio sul seguente circuito semplice?

Messaggioda Foto UtenteEdmondDantes » 13 set 2020, 14:32

Ricorda che stai lavorando su un circuito a parametri concentrati.
Il Conte di Montecristo

Se non studio un giorno, me ne accorgo io. Se non studio due giorni, se ne accorge il pubblico.

Io devo studiare sodo e preparare me stesso perché prima o poi verrà il mio momento.
Abraham Lincoln
Avatar utente
Foto UtenteEdmondDantes
11,9k 8 11 13
Disattivato su sua richiesta
 
Messaggi: 3619
Iscritto il: 25 lug 2009, 22:18
Località: Marsiglia

0
voti

[10] Re: Dubbio sul seguente circuito semplice?

Messaggioda Foto UtenteOmi » 13 set 2020, 16:15

EdmondDantes ha scritto:Ricorda che stai lavorando su un circuito a parametri concentrati.

Edmond a parametri concentrati mi manca. Ho letto un po su wikipedia che è detto tale un circuito per il quale è possibile sostituire alle equazioni di Maxwell le leggi di Kirch. A questo punto se non ti è di ulteriore disturbo, ti vorrei chiedere quand'è che vale la condizione letta su wikipedia. Grazie mille in anticipo.
Avatar utente
Foto UtenteOmi
123 1 4 7
Sostenitore
Sostenitore
 
Messaggi: 512
Iscritto il: 19 dic 2016, 19:06

Prossimo

Torna a Elettronica generale

Chi c’è in linea

Visitano il forum: Nessuno e 60 ospiti