Buongiorno ho bisogno di qualche idea per risolvere questo problema con annesso uno schema
Ho bisogno di traslare un ingresso variabile da 0 a 6 vdc
In un'uscita da -3 a +3 , 500mA
In pratica quando in ingresso ho 0 vdc devo avere in uscita -3 vdc ecc. Con 500mA di assorbimento.
Ecco la tabella
Vin 0 vout -3
Vin 1 vout -2
Vin 2 vout -1
Vin 3 vout 0
Vin 4 vout +1
Vin 5 vout +2
Vin 6 vout +3
Qualcuno può aiutarmi grazie
Traslatore di tensione
Moderatori:
carloc,
g.schgor,
BrunoValente,
IsidoroKZ
45 messaggi
• Pagina 1 di 5 • 1, 2, 3, 4, 5
0
voti
Che cosa strana . A cosa ti serve ?
I 500 mA sono costanti o variabili fra 0 e 500 ?
Che alimentazioni hai disponibili ?
1)
La soluzione più semplice ma probabilmente non realizzabile sarebbe mettere in serie alla tensione di 0 - 6 V un alimentatore stabilizzato di 3 V 0,5 A max connesso con la polarità in modo che la tensione si sottragga.
Quesito: perché probabilmente non è realizzabile ??
2)
Ti servirebbe un amplificatore operazionale di potenza, so che esistono , ma non conosco i modelli.
Oppure un OPA normale seguito da uno stadio complementare con due transistor di media potenza.
73
p.s.: come operazionale di potenza ho trovato il LM3886, forse è fin troppo potente. Ma nno ho cercato altro.
Complimenti per la stazione e il parco antenne
https://www.qrz.com/DB/IZ5DMQ
I 500 mA sono costanti o variabili fra 0 e 500 ?
Che alimentazioni hai disponibili ?
1)
La soluzione più semplice ma probabilmente non realizzabile sarebbe mettere in serie alla tensione di 0 - 6 V un alimentatore stabilizzato di 3 V 0,5 A max connesso con la polarità in modo che la tensione si sottragga.
Quesito: perché probabilmente non è realizzabile ??
2)
Ti servirebbe un amplificatore operazionale di potenza, so che esistono , ma non conosco i modelli.
Oppure un OPA normale seguito da uno stadio complementare con due transistor di media potenza.
73
p.s.: come operazionale di potenza ho trovato il LM3886, forse è fin troppo potente. Ma nno ho cercato altro.
Complimenti per la stazione e il parco antenne
https://www.qrz.com/DB/IZ5DMQ
0
voti
MarcoD ha scritto:ho trovato il LM3886, forse è fin troppo potente
Volendo c'è l'LM675 che costa poco ed è leggermente piú morigerato
Comunque sì, dipende dalle alimentazioni disponibili, aspettiamo questa informazione.
Boiler
0
voti
Se puoi riferire il carico RL alla tensione di alimentazione positiva Va+= +3 V puoi usare un LM337 come da schema.
Caveat:
- Il generatore del segnale di ingresso 0 - +6V deve poter erogare 10 mA con I valori di R1, R2 indicati
- puoi aumentare il valore delle resistenze di un fattore 10 (riduci la corrente richiesta al generatore di un fattore 10) se il carico assorbe in tutte le condizioni almeno 10 mA
- sono stati omessi I condensatori ingresso uscita del regolatore necessari per la stabilita'
- la banda del sistema e' "bassa"
Caveat:
- Il generatore del segnale di ingresso 0 - +6V deve poter erogare 10 mA con I valori di R1, R2 indicati
- puoi aumentare il valore delle resistenze di un fattore 10 (riduci la corrente richiesta al generatore di un fattore 10) se il carico assorbe in tutte le condizioni almeno 10 mA
- sono stati omessi I condensatori ingresso uscita del regolatore necessari per la stabilita'
- la banda del sistema e' "bassa"
0
voti
Grazie per le risposte, allora ciò che devo realizzare è semplicemente un circuito per adattare la tensionendi iscita di un sensore con un galvanometro di potenza , ovvero piccolo e compatto ma molto forte meccanicamente che utilizzerò per farlo scrivere su un registratore a carta scorrevole.
Il motivo dello zero e del -3/+3 è perché questo galvanometro è un ferro di recupero da un vecchio cardiografo dove appunto la lancetta registra rimanendo a riposo sullo zero centrale e poi in base al battito cardiaco si sposta a sinistra o destra.
Tale galvanometro gia lo uso per un progetto aimile dove invece che i battiti del cuore , registro quelli della terra, ivvero un sismografo, e devo dire che dopo anni di lavoro funziona a meraviglia...
Ovviamentr il nuovo sensore fornisce una tensione proporzionale alla grandezza che parte da zero mentre per poter sfruttare tutto l'arco di lavoro della lancetta ho bisogno di tensioni anche negative ai capi dello stesso.
Potrei semplicemente urilizzarlo nella "parte positiva" ma meccanicamente la lancetta si muove al massimo di 15 gradi , mentre a me ne servono almeno il doppio e una lancetta con pennino e inchiorstr lunga tale da arrivare a coprire la larghezza del rotolo di carta, ovvero 110 mm.
L'assorbimento del galvanometro e di circa 480mA a fondo scala sia che gli dia la tensione positiva , che quella negativa ma ovviamente sale proporzionalmente con l'aumentare della tensione di lavoro, quindi a 1,5 volt presuno sia quantomeno la metà.
Purtroppo in internet non ho trovato un circuito già fatto e non mi è tanto utile nemmeno "copiare" quello del canale del sismografo perché la tensione a riposo senza terremoto data dal pendolo/sensore è 5 volt per poi spostarsi da 4 a 6 quando la terra trema forte.
Posso dirvi per darvi un'idea su cui lavora quel galvanometro che quel circuito di cui non ho lo schema ha sulla basetta un LM358 , ha alimentazione duale +/-12v e due transistor finali con aletta BD 140 e 141...quel circuito inoltre ha due potenziometri multigiro, il primo serve per regolare il guadagno , il secondo per muovere manualmente la lancetta e centrarla perfettente in mezzo così da avere la classica registrazione del sismogramma perfettamente simmetrica rispetto al centro.
E questo è quanto ..potrei con pazienza ricavarne il circuito e proporvelo , poiché magari, con una replica modificata ad hoc riesco a risolvere il problema.
E per finire le antenne...
Si quello era il mio parco antenne a lucca , poi mi sono separato, la mia ex mi ha dato un calcio nel di dietro ed oggi sopravvivo con una radiolina e una antenna home made..forse in futuro avrò la voglia e il coraggio di imbarcarmi ancora in una grossa spesa e rifarmi un impianto decente...ma dubito..avevo speso migliaia di eruo che poi ho dovuto riutilizzare per non andare a dormire in stazione ed ho venduto tutto
Se la vie
Il motivo dello zero e del -3/+3 è perché questo galvanometro è un ferro di recupero da un vecchio cardiografo dove appunto la lancetta registra rimanendo a riposo sullo zero centrale e poi in base al battito cardiaco si sposta a sinistra o destra.
Tale galvanometro gia lo uso per un progetto aimile dove invece che i battiti del cuore , registro quelli della terra, ivvero un sismografo, e devo dire che dopo anni di lavoro funziona a meraviglia...
Ovviamentr il nuovo sensore fornisce una tensione proporzionale alla grandezza che parte da zero mentre per poter sfruttare tutto l'arco di lavoro della lancetta ho bisogno di tensioni anche negative ai capi dello stesso.
Potrei semplicemente urilizzarlo nella "parte positiva" ma meccanicamente la lancetta si muove al massimo di 15 gradi , mentre a me ne servono almeno il doppio e una lancetta con pennino e inchiorstr lunga tale da arrivare a coprire la larghezza del rotolo di carta, ovvero 110 mm.
L'assorbimento del galvanometro e di circa 480mA a fondo scala sia che gli dia la tensione positiva , che quella negativa ma ovviamente sale proporzionalmente con l'aumentare della tensione di lavoro, quindi a 1,5 volt presuno sia quantomeno la metà.
Purtroppo in internet non ho trovato un circuito già fatto e non mi è tanto utile nemmeno "copiare" quello del canale del sismografo perché la tensione a riposo senza terremoto data dal pendolo/sensore è 5 volt per poi spostarsi da 4 a 6 quando la terra trema forte.
Posso dirvi per darvi un'idea su cui lavora quel galvanometro che quel circuito di cui non ho lo schema ha sulla basetta un LM358 , ha alimentazione duale +/-12v e due transistor finali con aletta BD 140 e 141...quel circuito inoltre ha due potenziometri multigiro, il primo serve per regolare il guadagno , il secondo per muovere manualmente la lancetta e centrarla perfettente in mezzo così da avere la classica registrazione del sismogramma perfettamente simmetrica rispetto al centro.
E questo è quanto ..potrei con pazienza ricavarne il circuito e proporvelo , poiché magari, con una replica modificata ad hoc riesco a risolvere il problema.
E per finire le antenne...
Si quello era il mio parco antenne a lucca , poi mi sono separato, la mia ex mi ha dato un calcio nel di dietro ed oggi sopravvivo con una radiolina e una antenna home made..forse in futuro avrò la voglia e il coraggio di imbarcarmi ancora in una grossa spesa e rifarmi un impianto decente...ma dubito..avevo speso migliaia di eruo che poi ho dovuto riutilizzare per non andare a dormire in stazione ed ho venduto tutto
Se la vie
0
voti
Allora è un galvanometro a zero centrale da -0,5 a +0,5 A, resistenza interna 3/0,5= 6 ohm.
Il BD141 è un NPN, il BD140 un PNP il LM358 l'operazionale di piccola potenza.
Alimentazione duale a +12, -12 V
Potresti replicare il tuo vecchio circuito oppure adoperare solo il LM675.

Il BD141 è un NPN, il BD140 un PNP il LM358 l'operazionale di piccola potenza.
Alimentazione duale a +12, -12 V
Potresti replicare il tuo vecchio circuito oppure adoperare solo il LM675.

0
voti
MarcoD ha scritto:LM675
Meglio allora l'OPA547, che è unity-gain stable.
Il carico è induttivo, meglio mettere un piccolo snubber in uscita.
Per il resto si tratta solo di mettere in piedi una configurazione di amplificatore sommatore e di ricavare una tensione stabile di -3 V.
Se serve domani posso buttare giú uno schemino.
Boiler
0
voti
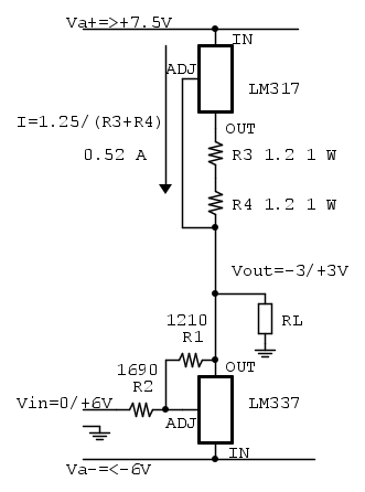
Un possibile circuito - viste le ulteriori info che hai fornito - e' il seguente (il carico e' riferito a massa)
Pro
- Pochi componenti ( 2 regolatori , 4 reistenze)
- Bulletproof (i regolatori sono "indistruttibili")
- impedenza di ingresso "bassa" - corrente di ingresso 1 mA
Contro:
- il circuito dissipa circa 10 W anche a riposo - i due regolatori devono essere montati su un dissipatore con resistenza termica di circa 7 C/W
- ha un banda limitata (occhiometricamente pochi(ssimi) kHz)
Funzionamento:
L'LM337 con R1, R2 e' un generatore di tensione con tensione di uscita Vout:
)
Il termine

vale

per cui

Questo generatore di tensione e' caricato con un generatore di corrente realizzato con l'LM317 e le resistenze R3, R4
La corrente I del generatore vale:

Questa corrente viene fornita proporzionalmente la carico per tensioni di uscita > 0
La tensione di alimentazione del circuito puo' variare tra +/- 7.5 V e +/- 9 V
Pro
- Pochi componenti ( 2 regolatori , 4 reistenze)
- Bulletproof (i regolatori sono "indistruttibili")
- impedenza di ingresso "bassa" - corrente di ingresso 1 mA
Contro:
- il circuito dissipa circa 10 W anche a riposo - i due regolatori devono essere montati su un dissipatore con resistenza termica di circa 7 C/W
- ha un banda limitata (occhiometricamente pochi(ssimi) kHz)
Funzionamento:
L'LM337 con R1, R2 e' un generatore di tensione con tensione di uscita Vout:
)Il termine

vale

per cui

Questo generatore di tensione e' caricato con un generatore di corrente realizzato con l'LM317 e le resistenze R3, R4
La corrente I del generatore vale:

Questa corrente viene fornita proporzionalmente la carico per tensioni di uscita > 0
La tensione di alimentazione del circuito puo' variare tra +/- 7.5 V e +/- 9 V
0
voti
La proposta di elfo è interessante e innovativa, ma un circuito che dissipa 10 W a riposo è problematico.
Bisognerebbe chiedere all' iniziatore della discussione quanti circuiti intende realizzare,
se vuole realizzarli su circuito stampato o millefori, se è in grado di saldare componenti con reofori piccoli e corti, per selezionare di conseguenza l' OPA più adatto.
Se vuole poi inserire potenziometri con manopola per guadagno ed offset, ritengo che il costo di questi sia superiore agli integrati, per cui anche se replicasse il circuito con LM358 e BD14X
il tempo di costruzione/costo non cambierebbe sensibilmente.
post scriptum:
Forse si potrebbe adoperare anche un vecchio LM386, alimentato a +6V e -6 V, anche se è stato progettato come amplificatore audio.
Bisognerebbe chiedere all' iniziatore della discussione quanti circuiti intende realizzare,
se vuole realizzarli su circuito stampato o millefori, se è in grado di saldare componenti con reofori piccoli e corti, per selezionare di conseguenza l' OPA più adatto.
Se vuole poi inserire potenziometri con manopola per guadagno ed offset, ritengo che il costo di questi sia superiore agli integrati, per cui anche se replicasse il circuito con LM358 e BD14X
il tempo di costruzione/costo non cambierebbe sensibilmente.

post scriptum:
Forse si potrebbe adoperare anche un vecchio LM386, alimentato a +6V e -6 V, anche se è stato progettato come amplificatore audio.
45 messaggi
• Pagina 1 di 5 • 1, 2, 3, 4, 5
Chi c’è in linea
Visitano il forum: Nessuno e 67 ospiti

Elettrotecnica e non solo (admin)
Un gatto tra gli elettroni (IsidoroKZ)
Esperienza e simulazioni (g.schgor)
Moleskine di un idraulico (RenzoDF)
Il Blog di ElectroYou (webmaster)
Idee microcontrollate (TardoFreak)
PICcoli grandi PICMicro (Paolino)
Il blog elettrico di carloc (carloc)
DirtEYblooog (dirtydeeds)
Di tutto... un po' (jordan20)
AK47 (lillo)
Esperienze elettroniche (marco438)
Telecomunicazioni musicali (clavicordo)
Automazione ed Elettronica (gustavo)
Direttive per la sicurezza (ErnestoCappelletti)
EYnfo dall'Alaska (mir)
Apriamo il quadro! (attilio)
H7-25 (asdf)
Passione Elettrica (massimob)
Elettroni a spasso (guidob)
Bloguerra (guerra)






