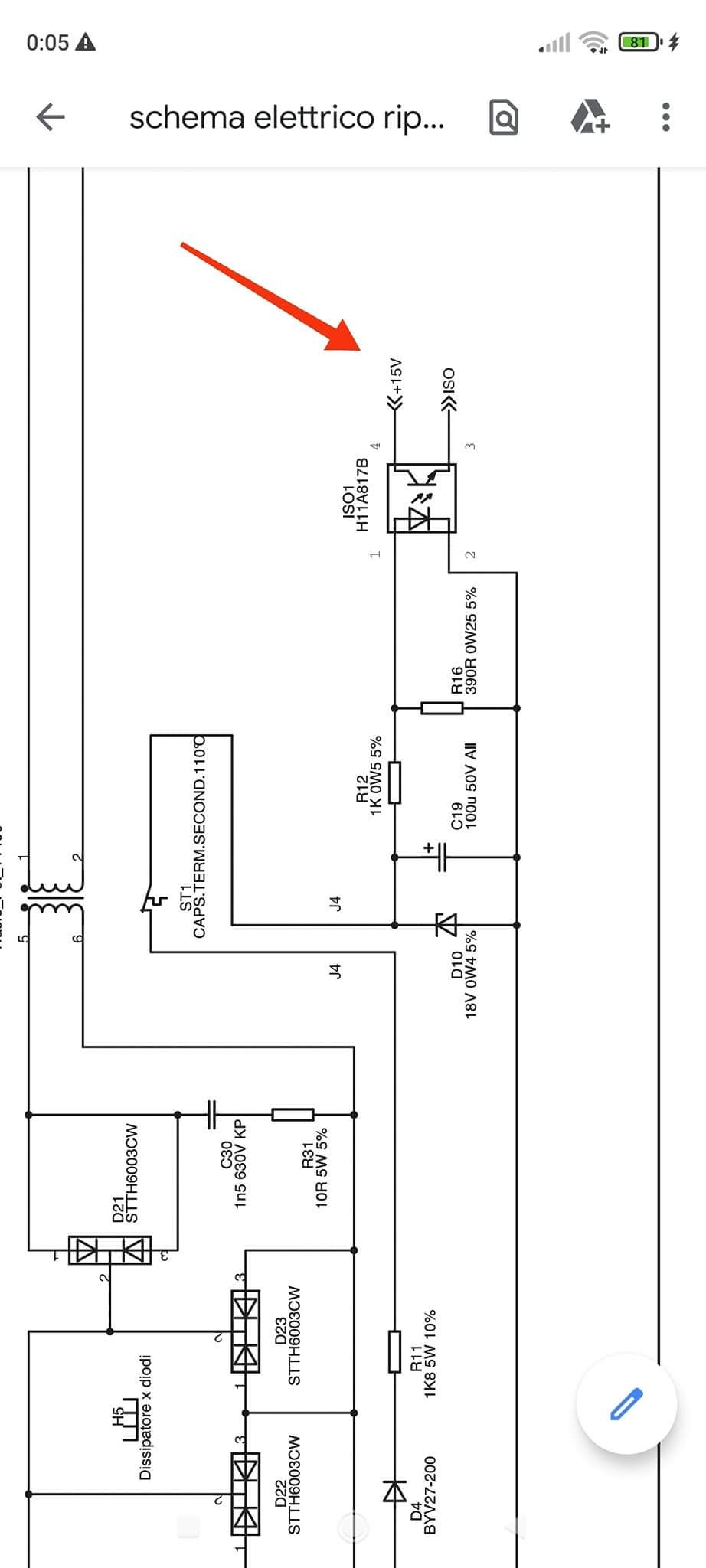
Una domanda per capire dove concentrare ulteriormente la verifica dei componenti: nei punti dello schema dove vedo identificato "+15V" significa che devo aspettarmi quelle tensioni in quei punti altrimenti potrebbe significare che c'è qualcosa che non sta funzionando?
Grazie
Interpretazione simboli schema elettrico
Moderatori:
carloc,
g.schgor,
BrunoValente,
IsidoroKZ
5 messaggi
• Pagina 1 di 1
2
voti
Significa che tutti quei punti vanno collegati a quella tensione (e quindi per estensione, anche che se quella tensione non ce la trovi, qualcosa che non va poterebbe anche esserci
)
"Sopravvivere" e' attualmente l'unico lusso che la maggior parte dei Cittadini italiani,
sia pure a costo di enormi sacrifici, riesce ancora a permettersi.
sia pure a costo di enormi sacrifici, riesce ancora a permettersi.
-

Etemenanki
9.517 3 6 10 - Master

- Messaggi: 5940
- Iscritto il: 2 apr 2021, 23:42
- Località: Dalle parti di un grande lago ... :)
2
voti
Non è del tutto esatto.
Sono indicazioni nominali.
Se non trovi 15V non è detto che sia guasto o funzioni male.
In alcuni schemi vengono indicati i Test Points (di solito indicati proprio con un pallino e TP) e la tensione da verificare per capire se sta funzionando correttamente.
Nel caso in esame se trovi 12V potrebbe funzionare tutto perfettamente.
Devi esaminare lo schema a partire dall'origine e punto punto capire se c'è qualcosa che non va.
Sono indicazioni nominali.
Se non trovi 15V non è detto che sia guasto o funzioni male.
In alcuni schemi vengono indicati i Test Points (di solito indicati proprio con un pallino e TP) e la tensione da verificare per capire se sta funzionando correttamente.
Nel caso in esame se trovi 12V potrebbe funzionare tutto perfettamente.
Devi esaminare lo schema a partire dall'origine e punto punto capire se c'è qualcosa che non va.
5 messaggi
• Pagina 1 di 1
Chi c’è in linea
Visitano il forum: Nessuno e 217 ospiti

Elettrotecnica e non solo (admin)
Un gatto tra gli elettroni (IsidoroKZ)
Esperienza e simulazioni (g.schgor)
Moleskine di un idraulico (RenzoDF)
Il Blog di ElectroYou (webmaster)
Idee microcontrollate (TardoFreak)
PICcoli grandi PICMicro (Paolino)
Il blog elettrico di carloc (carloc)
DirtEYblooog (dirtydeeds)
Di tutto... un po' (jordan20)
AK47 (lillo)
Esperienze elettroniche (marco438)
Telecomunicazioni musicali (clavicordo)
Automazione ed Elettronica (gustavo)
Direttive per la sicurezza (ErnestoCappelletti)
EYnfo dall'Alaska (mir)
Apriamo il quadro! (attilio)
H7-25 (asdf)
Passione Elettrica (massimob)
Elettroni a spasso (guidob)
Bloguerra (guerra)

