Amplificatore Operazionale Ponte estensimetrico
Moderatori:
carloc,
g.schgor,
BrunoValente,
IsidoroKZ
40 messaggi
• Pagina 1 di 4 • 1, 2, 3, 4
0
voti
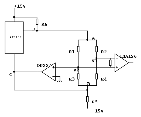
Salve,avrei questo problema di elettronica analogica con operazionali e vorrei,se possibile,qualche aiuto nella risoluzione per ricavare Vout in funzione di delta R e I1 ed I2.Grazie a quanti mi aiuteranno.
-

Roswell1947
89 1 3 8 - Stabilizzato

- Messaggi: 438
- Iscritto il: 10 feb 2020, 16:39
1
voti
Inizia a individuare i resistori chiamandoli R1,R2,...Rn
Poi prova a calcolare la formula del ponte
Vdiff = Valim x ( R../(R..+R..) - R../(R..+R..) )
Un resistore avrà valore R.. + DeltaR
Valim =2 x 10 V = 10 V
Poi vediamo cosa viene fuori.
Poi prova a calcolare la formula del ponte
Vdiff = Valim x ( R../(R..+R..) - R../(R..+R..) )
Un resistore avrà valore R.. + DeltaR
Valim =
Poi vediamo cosa viene fuori.
0
voti
Prima di continuare vedo di fare lo schema con fidocad in modo da seguire meglio lo schema....
-

Roswell1947
89 1 3 8 - Stabilizzato

- Messaggi: 438
- Iscritto il: 10 feb 2020, 16:39
0
voti
Ma VA=+10V e VB=-10V?
Hai ragione: Valim= VAB = 10 V ; VAB = VAC
Non ho capito a cosa serve il OP227, forse compensa eventuali dissimmetrie della alimentazione +/+15 V oppure la corrente di bias del INA126, oppure mette a massa virtuale la V2, oppure aiuta il REF102 a erogare 10 V.
In prima approssimazione non influisce sul funzionamento del ponte classico.
Nota del 21/3 17.57:
Mi è venuta in mente la funzione del OP227:
Il OP227 opera in modo che non ci siano variazioni di tensione di modo comune sull'ingresso del INA126, quindi viene eliminata la variazione del modo comune che introduce in uscita amplificatore un termine di disturbo sulla uscita funzione del modo differenziale. La tensione di modo comune può essere provocata da derive o fluttuazioni delle tensioni di alimentazione +15 e -15 V
0
voti
Non risco a trovare VAB....cioè VAB=VA-VB ,VA= +10V ma come mai VB=-10V??
-

Roswell1947
89 1 3 8 - Stabilizzato

- Messaggi: 438
- Iscritto il: 10 feb 2020, 16:39
0
voti
Non riesco a trovare VAB....cioè VAB=VA-VB ,VA= +10V ma come mai VB=-10V??
Era un errore mio:
VB = +5 V, VB = -5 V per simmetria circuito; VAB = 10 V per effetto regolatore.
V2 = 0 , massa virtuale perché il OP227 è in linearità.
Era un errore mio:
VB = +5 V, VB = -5 V per simmetria circuito; VAB = 10 V per effetto regolatore.
V2 = 0 , massa virtuale perché il OP227 è in linearità.
0
voti
Cerca di spiegare meglio il discorso del VA=+5V e VB=-5V poiché non l'ho capito....come viene furo VA=+5v e VB=-5V?....nello schema iniziale viene riportata una tensione VAC=10V...
Ultima modifica di
Roswell1947 il 21 mar 2022, 13:58, modificato 1 volta in totale.
-

Roswell1947
89 1 3 8 - Stabilizzato

- Messaggi: 438
- Iscritto il: 10 feb 2020, 16:39
0
voti
MarcoD ha scritto:Il punto B coincide con il punto C.
R1,R2,R3,R4 sono circa uguali fra loro
V2 = circa 0
Ok..si in effeti non avevo visto bene VAB=VAC.....dato che B coincide con C che stupido che sono
dopo continuo con l'analisi
-

Roswell1947
89 1 3 8 - Stabilizzato

- Messaggi: 438
- Iscritto il: 10 feb 2020, 16:39
40 messaggi
• Pagina 1 di 4 • 1, 2, 3, 4
Chi c’è in linea
Visitano il forum: Nessuno e 70 ospiti

Elettrotecnica e non solo (admin)
Un gatto tra gli elettroni (IsidoroKZ)
Esperienza e simulazioni (g.schgor)
Moleskine di un idraulico (RenzoDF)
Il Blog di ElectroYou (webmaster)
Idee microcontrollate (TardoFreak)
PICcoli grandi PICMicro (Paolino)
Il blog elettrico di carloc (carloc)
DirtEYblooog (dirtydeeds)
Di tutto... un po' (jordan20)
AK47 (lillo)
Esperienze elettroniche (marco438)
Telecomunicazioni musicali (clavicordo)
Automazione ed Elettronica (gustavo)
Direttive per la sicurezza (ErnestoCappelletti)
EYnfo dall'Alaska (mir)
Apriamo il quadro! (attilio)
H7-25 (asdf)
Passione Elettrica (massimob)
Elettroni a spasso (guidob)
Bloguerra (guerra)

