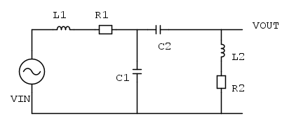
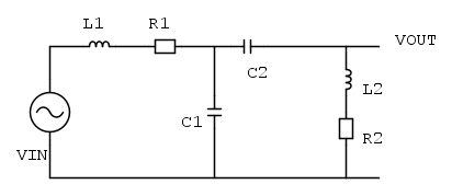
Salve,ho un circuito (di cui allego schema fidocad) in cui mi si chiede di trovare la frequenza f che rende massima il modulo della f.d.t H(f).
Ho cercato di risolvere il circuito lavorando dierettamente in s=jw ,ma viene fuori una f.d.t compicata da massimizzare in quanto sia al numeratore che denominatore escono fuori delle parti reali ed immaginarie funzioni della frequenza e quindi per massimizzare dovrei calcolare la derivata e porla uguale a zero per trovare il max ,ovviamente il tempo di svolgimento aumenta e i calcoli diventano complicatissimi con la probabilità di commetetre errori che diventa enorme. Esiste qualche metodologia che permette di trovare tale frequenza senza complicarsi la vita?
Massimizzazione di una Funzione di Trasferimento
Moderatori:
carloc,
g.schgor,
BrunoValente,
IsidoroKZ
0
voti
L1=1H,R1=1k,C1=10uF,C2=10uF,L2=1H,R2=1k non si vuole un risultato approssimato ma la frequenza che massimizza la risposta in frequenza svolta in maniera analitica senza simulatore.
-

Roswell1947
89 1 3 8 - Stabilizzato

- Messaggi: 438
- Iscritto il: 10 feb 2020, 16:39
0
voti
Visto che R, L e C hanno lo stesso valore, inizia a calcolare i valori delle formule,
non so se porta al metodo corretto di soluzione, ma almeno vediamo dove siamo.
pulsazione di risonanza
impedenza di risonanza
Qualità circuito risonante serie (formula equivalente)
Qualità circuito risonante serie
Qualità circuito risonante parallelo
non so se porta al metodo corretto di soluzione, ma almeno vediamo dove siamo.
pulsazione di risonanza
impedenza di risonanza
Qualità circuito risonante serie (formula equivalente)
Qualità circuito risonante serie
Qualità circuito risonante parallelo0
voti
ma facendo i calcoli con s=jw anche a voi viene fuori una f.d.t complicata con numeratore e denominatore aventi parte reale ed immaginaria funzioni della frequenza?
-

Roswell1947
89 1 3 8 - Stabilizzato

- Messaggi: 438
- Iscritto il: 10 feb 2020, 16:39
0
voti
A occhio è un passa banda, potrebbe avere due massimi relativi, o un solo massimo, in funzione del Q. Attendiamo che l'OP faccia qualche calcolo.
Viene una funzione del quarto ordine in w ?
Per calcolare poi il modulo, per avere un denominatore solo reale, moltiplica numeratore e denominatore per il complesso coniugato del denominatore.
Se lo chiedi esplicitamente, g.schgor potrebbe mostrare il grafico della fdt.
s=jw anche a voi viene fuori una f.d.t complicata con numeratore e denominatore aventi parte reale ed immaginaria funzioni della frequenza?
Viene una funzione del quarto ordine in w ?
Per calcolare poi il modulo, per avere un denominatore solo reale, moltiplica numeratore e denominatore per il complesso coniugato del denominatore.
Se lo chiedi esplicitamente, g.schgor potrebbe mostrare il grafico della fdt.
0
voti
Roswell1947 ha scritto:mi si chiede di trovare la frequenza f che rende massima il modulo della f.d.t H(f).
Avrai anche i parametri circuitali no? Sostituiscili.
Roswell1947 ha scritto:anche a voi viene fuori una f.d.t complicata con numeratore e denominatore aventi parte reale ed immaginaria funzioni della frequenza?
Tu vuoi il modulo. Calcola il modulo. A questo punto dovresti saperlo trovare il massimo.
0
voti
Il problema nel calcolare il modulo è che viene una robaccia enorme ed anche ottenendo un numeratore reale (moltiplicando per il compl.coniugato del denominatore) si avrà sempre una parte reale ed immaginaria funzione della freq, a quel punto dovrei calcolare la derivata di una funzione complessa ed imporla uguale a zero?
-

Roswell1947
89 1 3 8 - Stabilizzato

- Messaggi: 438
- Iscritto il: 10 feb 2020, 16:39
Chi c’è in linea
Visitano il forum: Google [Bot] e 54 ospiti

Elettrotecnica e non solo (admin)
Un gatto tra gli elettroni (IsidoroKZ)
Esperienza e simulazioni (g.schgor)
Moleskine di un idraulico (RenzoDF)
Il Blog di ElectroYou (webmaster)
Idee microcontrollate (TardoFreak)
PICcoli grandi PICMicro (Paolino)
Il blog elettrico di carloc (carloc)
DirtEYblooog (dirtydeeds)
Di tutto... un po' (jordan20)
AK47 (lillo)
Esperienze elettroniche (marco438)
Telecomunicazioni musicali (clavicordo)
Automazione ed Elettronica (gustavo)
Direttive per la sicurezza (ErnestoCappelletti)
EYnfo dall'Alaska (mir)
Apriamo il quadro! (attilio)
H7-25 (asdf)
Passione Elettrica (massimob)
Elettroni a spasso (guidob)
Bloguerra (guerra)




