Un oscillatore minimalista a transistor
Moderatori:
carloc,
g.schgor,
BrunoValente,
IsidoroKZ
0
voti
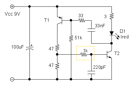
Proprio in questi giorni mi è capitato per le mani questo semplice circuto.
Si tratta di un trasmettitore per barriera a infrarossi (duty cycle 5%).
Mi piacerebbe avere qualche riscontro o parere sulle qualita, pregi e difetti di questa soluzione.
Ciao
600 Elettra
1
voti
Non credo che così possa funzionare. Con una resistenza in piú forse sì (dimensionamento spannometrico):
Ma non mi sembra un gran circuito. Il beta del transistor rientra nel dimensionamento del circuito, che non è mai una bella cosa.
Immagino che la resistenza da 3 ohm in serie al led sia un refuso.
Boiler
Ma non mi sembra un gran circuito. Il beta del transistor rientra nel dimensionamento del circuito, che non è mai una bella cosa.
Immagino che la resistenza da 3 ohm in serie al led sia un refuso.
Boiler
0
voti
Condivido le osservazioni.
Grazie a
boiler per la risposta.
Purtroppo ho controllato ma la resistenza è effettivamente da 3 ohm.
Come ho aggiunto anche nel primo messaggio il duty cicle è intorno al 5% e probabilmente grazie a ciò il led resiste.
Ciao
Grazie a
Purtroppo ho controllato ma la resistenza è effettivamente da 3 ohm.
Come ho aggiunto anche nel primo messaggio il duty cicle è intorno al 5% e probabilmente grazie a ciò il led resiste.
Ciao
600 Elettra
0
voti
Mi piacerebbe avere anche un rapido parere da
elfo ,
BrunoValente ,
MarcoD,
banjoman e/o da chiunque si cimenti con la progettazione a transistor discreti .
Aggiungo una domanda.
Lo utilizzereste in una applicazione commerciale?
Ciao e grazie in anticipo.
Aggiungo una domanda.
Lo utilizzereste in una applicazione commerciale?
Ciao e grazie in anticipo.
600 Elettra
1
voti
La tensione Vcc 9 V è ormai poco usata. S intende generata da una pila?
La corrente impulsiva assorbita è ( 9 V - 2 ? V caduta diodo)/ 3 ohm = circa 2 A ?
Se portatile, previo ridimensionamento valori, forse meglio alimentarlo con due pile da 1,5 V.
La corrente impulsiva assorbita è ( 9 V - 2 ? V caduta diodo)/ 3 ohm = circa 2 A ?
Se portatile, previo ridimensionamento valori, forse meglio alimentarlo con due pile da 1,5 V.
0
voti
La tensione in ingresso proviene da un regolatore lineare 78L09.
Essendo una trasmettitore per barriera a infrarossi normalmente non ha necessità di essere alimentato a batteria.
La corrente è molto elevata normalmente per avere una buona potenza impulsiva.
Il ricevitore altrimenti sarebbe in difficoltà.
Ciao
Essendo una trasmettitore per barriera a infrarossi normalmente non ha necessità di essere alimentato a batteria.
La corrente è molto elevata normalmente per avere una buona potenza impulsiva.
Il ricevitore altrimenti sarebbe in difficoltà.
Ciao
600 Elettra
1
voti
Forse la R da 1k aggiunta non va bene, va eliminata
Con la R da 3 ohm in serie al diodo e quindi 2 A di corrente di collettore serve una corrente nella base di T2 di circa 100 mA , quindi il parallelo delle due 47 ohm = 24 ohm, serve per portare nella base la corrente che serve.
Con la R da 3 ohm in serie al diodo e quindi 2 A di corrente di collettore serve una corrente nella base di T2 di circa 100 mA , quindi il parallelo delle due 47 ohm = 24 ohm, serve per portare nella base la corrente che serve.
1
voti
è osservando il circuito funziona o non funziona? Soprattutto oscilla ?
Questa è la domanda alla quale volevo sottrarmi
Potrei dire che non oscilla, nel senso di oscillazioni sinusoidali, ma al più commuta periodicamente.
Dopo un faticoso esame a occhio, direi che può funzionare.
E' un poco strano, ma non troppo diverso da un multivibratore classico con due NPN.
Magari per le prove, aumenta a 15 ohm la resistenza da 2 ohm sul collettore di T2.
Questa è la domanda alla quale volevo sottrarmi
Potrei dire che non oscilla, nel senso di oscillazioni sinusoidali, ma al più commuta periodicamente.
Dopo un faticoso esame a occhio, direi che può funzionare.
E' un poco strano, ma non troppo diverso da un multivibratore classico con due NPN.
Magari per le prove, aumenta a 15 ohm la resistenza da 2 ohm sul collettore di T2.
2
voti
MarcoD ha scritto:Forse la R da 1k aggiunta non va bene, va eliminata
Con la R da 3 ohm in serie al diodo e quindi 2 A di corrente di collettore serve una corrente nella base di T2 di circa 100 mA , quindi il parallelo delle due 47 ohm = 24 ohm, serve per portare nella base la corrente che serve.
Sono d'accordo, l'avevo aggiunta pensando che quei 3 ohm fossero un errore e che la corrente che attraversa il LED avesse un valore piú consueto (10-20 mA).
Senza una resistenza sulla base, però, credo che si stabilizzi e non oscilli. Forse allora bisognerebbe aumentare il valore del condensatore da 220p
Riguardo alla domanda sul possibile uso in un'applicazione commerciale, direi che non si può rispondere così.
Dipende da molti fattori:
- vendo ciofeche su AliExpress o prodotti di qualità su cui metto il mio nome?
- voglio ottimizzare l'affidabilità, il prezzo, il processo produttivo... altro?
- in che condizioni viene usato il circuito?
- come è fatto il ricevitore?
- viene saldato sul PCB da un contadino ubriaco che fa cottimismo nella campagna cinese o da una macchina pick-&-place seguita da un forno reflow?
In linea di principio, però, no.
Usa una miriade di componenti, quasi tutti diversi tra loro: in applicazioni commerciali il numero di componenti usati (soprattutto il numero di componenti diversi) ha un impatto maggiore rispetto al prezzo della somma dei componenti. Entro certi limit, ovviamente.
Tecnicamente ha, come già detto, troppa variabilità in base ai parametri dei componenti.
Inoltre siamo qui a discutere sul fatto se oscilli o meno.
Se durante una review proponessi al mio capo questo circuito, penso che mi prenderebbe a calci
Viviamo in un mondo in cui questo https://assets.nexperia.com/documents/d ... VC1G14.pdf costa sette centesimi di dollaro in un package che prende 0.8 x 0.8 mm sul PCB (!).
Ci aggiungiamo due condensatori X7R e un resistore di media qualità in package 0402 e abbiamo il nostro bel oscillatore che fino a 50 mA può pilotare direttamente il LED. Il costo è infimo, la qualità buona, i parametri sotto controllo. Il circuito è noto e oscilla affidabilmente.
Boiler
Chi c’è in linea
Visitano il forum: Nessuno e 74 ospiti

Elettrotecnica e non solo (admin)
Un gatto tra gli elettroni (IsidoroKZ)
Esperienza e simulazioni (g.schgor)
Moleskine di un idraulico (RenzoDF)
Il Blog di ElectroYou (webmaster)
Idee microcontrollate (TardoFreak)
PICcoli grandi PICMicro (Paolino)
Il blog elettrico di carloc (carloc)
DirtEYblooog (dirtydeeds)
Di tutto... un po' (jordan20)
AK47 (lillo)
Esperienze elettroniche (marco438)
Telecomunicazioni musicali (clavicordo)
Automazione ed Elettronica (gustavo)
Direttive per la sicurezza (ErnestoCappelletti)
EYnfo dall'Alaska (mir)
Apriamo il quadro! (attilio)
H7-25 (asdf)
Passione Elettrica (massimob)
Elettroni a spasso (guidob)
Bloguerra (guerra)





