GioArca67 ha scritto:La mia tesi è che le utenze condominiali relative agli impianti di cui alla lettera a) sono tutte sotto obbligo di progetto del professionista a prescindere dalla potenza e dalla superficie.
Allora sono 100% con te.
Moderatori:
paolo a m,
DarioDT,
Guerra
GioArca67 ha scritto:La mia tesi è che le utenze condominiali relative agli impianti di cui alla lettera a) sono tutte sotto obbligo di progetto del professionista a prescindere dalla potenza e dalla superficie.


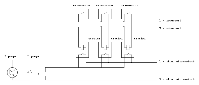
angus ha scritto:Riferendomi al post #1, ammesso che entrambe le soluzioni sono uguali dal punto di vista funzionale, voi quale realizzereste? e perché? anche facendo delle ipotesi aggiuntive se le ritenete necessarie...


angus ha scritto:
Provo a tornare nei binari:
Riferendomi al post #1, ammesso che entrambe le soluzioni sono uguali dal punto di vista funzionale, voi quale realizzereste? e perché? anche facendo delle ipotesi aggiuntive se le ritenete necessarie...
angus ha scritto:E concordo con chi dice che la pompa non deve essere fermata, ma la pompa che porta l'acqua calda nell circuito di riscaldamento sì (spero), altrimenti come controllo la temperatura ambiente?


NoNickName ha scritto:La pompa non è un organo di regolazione.
La temperatura ambiente si regola con degli attuatori (nello specifico le testine) non con la pompa di circolazione
GioArca67 ha scritto:Recupera il manuale dell'HKM.2 in modo da capire meglio, ma quei relè di cui parli per il momento non mi sembra che servano.
Torna a Termotecnica, illuminotecnica, acustica
Visitano il forum: Nessuno e 20 ospiti