Salve a tutti
E' la prima volta che scrivo e volevo sapere se questo schema http://picprojects.org.uk/projects/ledc ... 6f84aS.pdf
andava bene per realizzare questo effetto programmando il PIC
http://www.youtube.com/watch?v=g5UujCR0 ... re=related
Diciamo che con l'elettronica me la cavo un minimo
Grazie Mille
Circuito per effetto Supercar
Moderatore:
IsidoroKZ
27 messaggi
• Pagina 1 di 3 • 1, 2, 3
0
voti
Lo schema che hai postato pilota solo 12 led, il video ne ha 16. Ci sono dei PIC che costano di meno dell'F84 e che possono pilotare fino a 16 led. Se n'era parlato qualche giorno fa, vediamo che dicono gli esperti dei microcontrollori. Poi sai e puoi programmarlo?
Per usare proficuamente un simulatore, bisogna sapere molta più elettronica di lui
Plug it in - it works better!
Il 555 sta all'elettronica come Arduino all'informatica! (entrambi loro malgrado)
Se volete risposte rispondete a tutte le mie domande
Plug it in - it works better!
Il 555 sta all'elettronica come Arduino all'informatica! (entrambi loro malgrado)
Se volete risposte rispondete a tutte le mie domande
0
voti
se basta solo l'effetto supercar ho visto questo progetto in rete :
http://imageshack.us/photo/my-images/140/scannermuxwj2.jpg/
ma non ne so nulla, ci sono capitato per caso.
http://imageshack.us/photo/my-images/140/scannermuxwj2.jpg/
ma non ne so nulla, ci sono capitato per caso.
0
voti
Beh...diciamo che se trovassi uno schema senza PIC da programmare ottenendo lo stesso effetto con lascia e tutto sarebbe meglio
-

GiulioMusti
0 2 - Messaggi: 4
- Iscritto il: 8 set 2011, 2:05
0
voti
Senza l'uso di un microcontrollore, l'effetto scia è ottenibile con condensatori posti in parallelo ai LED. La combinazione RC ti dovrebbe dare l'effetto che desideri, tanto in accensione quanto in spegnimento. Ciò che invece vedo complicato, sempre senza l0uso di micro, è poter avere più di un effetto luminoso.
Ciao.
Paolo.
Ciao.
Paolo.
"Houston, Tranquillity Base here. The Eagle has landed." - Neil A.Armstrong
-------------------------------------------------------------
PIC Experience - http://www.picexperience.it
-------------------------------------------------------------
PIC Experience - http://www.picexperience.it
-

Paolino
32,6k 8 12 13 - G.Master EY

- Messaggi: 4226
- Iscritto il: 20 gen 2006, 11:42
- Località: Vigevano (PV)
0
voti
Io ho uno schema che non usa il microcontrollore, ed usa 10 LEDs, 2 NOR, un contatore Up Down ed un convertitore BCD >> Decimale. Se ti interessa lo posto in FidoCad.
1
voti
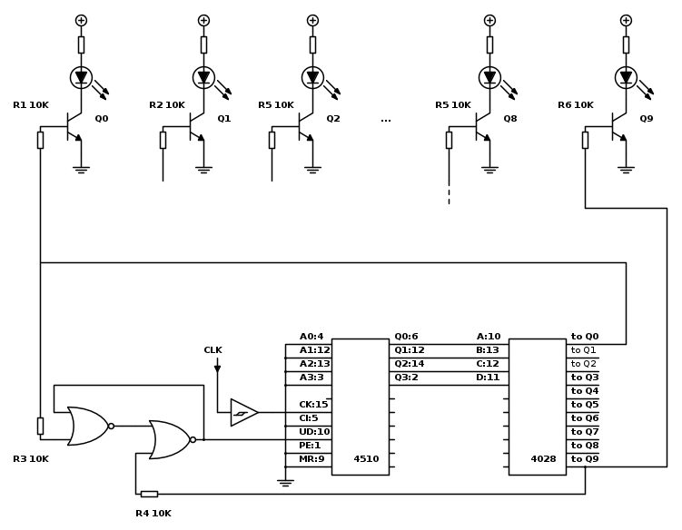
Questo è il circuito
Risulta un po' ridotta l'immagine di schema.. Link per ingrandimento.
Sono andato a ricercare lo schema nei sotterfugi del disco duro.. Faceva parte di una sfilza di esercizi di E. Digitale.
Il 4510 & il 4028 sono tutti e due da 16 pin ciascuno, nello schema ho messo il DIP da 20 per comodità di rappresentazione. Come vedi ho specificato pure il nº di pin. In ogni caso, osserva prima il datasheet per sicurezza
Le due NOR sono un 4001.
Come Clock Source (CLK) potresti usare un 555 in configurazione astabile per generare una bassa frequenza. Confesso che non mi ha mai dato problemi come fonte di clock, ma se seguito da un buffer o invertitore Schmitt Trigger, meglio. Per questo ho messo il simbolo di un buffer di questo tipo. Per quello che ho sempre potuto constatare, l'onda quadrata di output ideale di un 555 si differenzia leggermente da quella reale, un esempio
Se vuoi implementare un oscillatore Schmitt Trigger puoi usare le NAND 4093 (al link del 4001 sono altrettanto elencate). Qui c'è un esempio di implementazione, come altri oscillatori per fonti di clock.
Spero di esserti stato utile.

Risulta un po' ridotta l'immagine di schema.. Link per ingrandimento.
Sono andato a ricercare lo schema nei sotterfugi del disco duro.. Faceva parte di una sfilza di esercizi di E. Digitale.
Il 4510 & il 4028 sono tutti e due da 16 pin ciascuno, nello schema ho messo il DIP da 20 per comodità di rappresentazione. Come vedi ho specificato pure il nº di pin. In ogni caso, osserva prima il datasheet per sicurezza
Le due NOR sono un 4001.
Come Clock Source (CLK) potresti usare un 555 in configurazione astabile per generare una bassa frequenza. Confesso che non mi ha mai dato problemi come fonte di clock, ma se seguito da un buffer o invertitore Schmitt Trigger, meglio. Per questo ho messo il simbolo di un buffer di questo tipo. Per quello che ho sempre potuto constatare, l'onda quadrata di output ideale di un 555 si differenzia leggermente da quella reale, un esempio
Se vuoi implementare un oscillatore Schmitt Trigger puoi usare le NAND 4093 (al link del 4001 sono altrettanto elencate). Qui c'è un esempio di implementazione, come altri oscillatori per fonti di clock.
Spero di esserti stato utile.

27 messaggi
• Pagina 1 di 3 • 1, 2, 3
Torna a Elettronica e spettacolo
Chi c’è in linea
Visitano il forum: Nessuno e 9 ospiti

Elettrotecnica e non solo (admin)
Un gatto tra gli elettroni (IsidoroKZ)
Esperienza e simulazioni (g.schgor)
Moleskine di un idraulico (RenzoDF)
Il Blog di ElectroYou (webmaster)
Idee microcontrollate (TardoFreak)
PICcoli grandi PICMicro (Paolino)
Il blog elettrico di carloc (carloc)
DirtEYblooog (dirtydeeds)
Di tutto... un po' (jordan20)
AK47 (lillo)
Esperienze elettroniche (marco438)
Telecomunicazioni musicali (clavicordo)
Automazione ed Elettronica (gustavo)
Direttive per la sicurezza (ErnestoCappelletti)
EYnfo dall'Alaska (mir)
Apriamo il quadro! (attilio)
H7-25 (asdf)
Passione Elettrica (massimob)
Elettroni a spasso (guidob)
Bloguerra (guerra)



