[url][/url]Salve a tutti, ho un mixer analogico 24 canali comprato 3 anni fa al quale sono diventati molto rumorosi i canali 3, 4, 5, e 6, uno dopo l'altro. Il rumore nasce nel primo stadio:
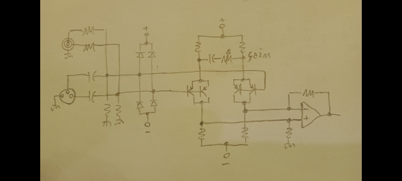
Ho individuato l'operazionale: NJM2068 , ma ho difficoltà a identificare i quattro transistor siglati "2T" , che cosa sono? È possibile che siano tutti uguali?
La configurazione dovrebbe essere questa classica,con due pnp e due npn , ma com'è possibile che abbiano la stessa sigla?
Qualcuno mi può aiutare a capire?
A cosa potrebbe essere dovuto questo guasto? Transistor difettosi?
Grazie mille
Riparazione mixer con canali rumorosi
Moderatore:
IsidoroKZ
8 messaggi
• Pagina 1 di 1
0
voti
Mi rendo conto di aver scritto il post nella sezione sbagliata, chiedo gentilmente ai moderatori di spostarlo in elettronica generale oppure elettronica e spettacolo
-

SediciAmpere
4.187 5 5 8 - Master

- Messaggi: 4850
- Iscritto il: 31 ott 2013, 15:00
0
voti
Non ti so aiutare sulla configurazione (probabilmente devi fare un reverse-engineering del circuito), ma di SOT-23 marchiati 2T ci sono questi:
https://www.onsemi.com/pdf/datasheet/mmbt4403-d.pdf
Boiler
https://www.onsemi.com/pdf/datasheet/mmbt4403-d.pdf
Boiler
0
voti
Non sarà colpa di un potenziometro?
Ci sono degli spray per pulirli e mantenerli senza ossidi.
Oppure prova a sostituirne uno e vedi se il difetto sparisce.
Ci sono degli spray per pulirli e mantenerli senza ossidi.
Oppure prova a sostituirne uno e vedi se il difetto sparisce.
Big fan of ⋮ƎlectroYou! Ausili per disabili e anziani su ⋮ƎlectroYou
Caratteri utili: À È É Ì Ò Ó Ù α β γ δ ε η θ λ μ π ρ σ τ φ ω Ω º ª ² ³ √ ∛ ∜ ₀ ₁ ₂ ₃ ₄ ₅ ₆ ∃ ∄ ∆ ∈ ∉ ± ∓ ∾ ≃ ≈ ≠ ≤ ≥
Caratteri utili: À È É Ì Ò Ó Ù α β γ δ ε η θ λ μ π ρ σ τ φ ω Ω º ª ² ³ √ ∛ ∜ ₀ ₁ ₂ ₃ ₄ ₅ ₆ ∃ ∄ ∆ ∈ ∉ ± ∓ ∾ ≃ ≈ ≠ ≤ ≥
0
voti
Grazie
angus!
E grazie
boiler e
GuidoB per le risposte
Guido, purtroppo non è il potenziometro, sembra proprio un generatore di rumore rosa o Brown
Boiler, effettivamente il cercando "2t" , il 2n4403 era quello che usciva più frequentemente,sper di non dover ricavare lo schema perché è veramente difficile.
Ma a cosa potrebbe essere dovuto questo malfunzionamento? Saldature difettose? 2T difettosi? Problemi con qualche sorgente (credo che siano stati collegati soltanto microfoni)?
E grazie
Guido, purtroppo non è il potenziometro, sembra proprio un generatore di rumore rosa o Brown
Boiler, effettivamente il cercando "2t" , il 2n4403 era quello che usciva più frequentemente,sper di non dover ricavare lo schema perché è veramente difficile.
Ma a cosa potrebbe essere dovuto questo malfunzionamento? Saldature difettose? 2T difettosi? Problemi con qualche sorgente (credo che siano stati collegati soltanto microfoni)?
-

SediciAmpere
4.187 5 5 8 - Master

- Messaggi: 4850
- Iscritto il: 31 ott 2013, 15:00
0
voti
Il 2N4403 e il suo equivalente SMD MMBT4403 e' un transistor low noise.
Anche se e' classificato come General-Purpose Amplifier, a causa della sua "bassa" Rbb (ed in particolare essendo un PNP la sua Rbb e' piu' bassa del complementare NPN) ha un rumore piu' basso dei transistor classificati "low noise".
Cerca:
2N4403 low noise
Quanto sopra vale solo per la tensione di rumore (la corrente di rumore e' invece "molto alta") per cui puo' essere impiegato solo in circuiti di ingresso in cui la sorgente del segnale ha una resistenza fino a poche decine di Ohm (es testine moving coil di giradischi).
Poiche' il NJM2068 e' un Op-Amp low noise (ma con un rumore piu' alto del MMBT4403 se impegato con sorgenti di segnale con una resistenza minore di poche decine di Ohm):
Domande:
- il rumore persiste anche con ingresso in corto circuito?
- qual e' la funzione dei MMBT4403 nel circuito?
- il circuito di ingresso ha una selezione in funzione della sorgente utilizzata?
Anche se e' classificato come General-Purpose Amplifier, a causa della sua "bassa" Rbb (ed in particolare essendo un PNP la sua Rbb e' piu' bassa del complementare NPN) ha un rumore piu' basso dei transistor classificati "low noise".
Cerca:
2N4403 low noise
Quanto sopra vale solo per la tensione di rumore (la corrente di rumore e' invece "molto alta") per cui puo' essere impiegato solo in circuiti di ingresso in cui la sorgente del segnale ha una resistenza fino a poche decine di Ohm (es testine moving coil di giradischi).
Poiche' il NJM2068 e' un Op-Amp low noise (ma con un rumore piu' alto del MMBT4403 se impegato con sorgenti di segnale con una resistenza minore di poche decine di Ohm):
Domande:
- il rumore persiste anche con ingresso in corto circuito?
- qual e' la funzione dei MMBT4403 nel circuito?
- il circuito di ingresso ha una selezione in funzione della sorgente utilizzata?
0
voti
Ho telefonato al produttore , mi hanno detto che alcuni hanno avuto problemi con alcune resistenze di polarizzazione che si aprivano
- il rumore persiste anche con ingresso in corto circuito?
Non ho provato, ma non cambia attaccando e staccando il microfono
- qual e' la funzione dei MMBT4403 nel circuito?
La configurazione dovrebbe essere questa, purtroppo non posso esserne sicuro, perché ci sono piste in layer interni
- il circuito di ingresso ha una selezione in funzione della sorgente utilizzata?
No, non ce l'ha, sono tutti ingressi mic/line in parallelo con le resistenze
Mi scuso per lo schema disegnato a mano, ma ho il computer guasto; appena torna dall'assistenza, se il thread sarà ancora attivo, lo rifaccio con FidoCad
- il rumore persiste anche con ingresso in corto circuito?
Non ho provato, ma non cambia attaccando e staccando il microfono
- qual e' la funzione dei MMBT4403 nel circuito?
La configurazione dovrebbe essere questa, purtroppo non posso esserne sicuro, perché ci sono piste in layer interni
- il circuito di ingresso ha una selezione in funzione della sorgente utilizzata?
No, non ce l'ha, sono tutti ingressi mic/line in parallelo con le resistenze
Mi scuso per lo schema disegnato a mano, ma ho il computer guasto; appena torna dall'assistenza, se il thread sarà ancora attivo, lo rifaccio con FidoCad
-

SediciAmpere
4.187 5 5 8 - Master

- Messaggi: 4850
- Iscritto il: 31 ott 2013, 15:00
8 messaggi
• Pagina 1 di 1
Torna a Elettronica e spettacolo
Chi c’è in linea
Visitano il forum: Nessuno e 20 ospiti

Elettrotecnica e non solo (admin)
Un gatto tra gli elettroni (IsidoroKZ)
Esperienza e simulazioni (g.schgor)
Moleskine di un idraulico (RenzoDF)
Il Blog di ElectroYou (webmaster)
Idee microcontrollate (TardoFreak)
PICcoli grandi PICMicro (Paolino)
Il blog elettrico di carloc (carloc)
DirtEYblooog (dirtydeeds)
Di tutto... un po' (jordan20)
AK47 (lillo)
Esperienze elettroniche (marco438)
Telecomunicazioni musicali (clavicordo)
Automazione ed Elettronica (gustavo)
Direttive per la sicurezza (ErnestoCappelletti)
EYnfo dall'Alaska (mir)
Apriamo il quadro! (attilio)
H7-25 (asdf)
Passione Elettrica (massimob)
Elettroni a spasso (guidob)
Bloguerra (guerra)




