Ciao a tutti.
Sto pensando di fare un circuito che sia in grado di far lampeggiare alcuni comuni led, per esempio con cadute di 2 V ciascuno (come quelli rossi), a ritmo della musica che metto dal telefono.
Inoltre vorrei anche collegare due casse per PC al telefono per amplificare la musica.
Su una cassa c'è scritto: tensione di uscita 9 V; corrente di uscita 0,3 A; consumo di potenza 6 W; consumo corrente 0,026 A; impedenza >5 kohm
Cosa ne pensate..?
Led a ritmo di musica
Moderatore:
IsidoroKZ
22 messaggi
• Pagina 1 di 3 • 1, 2, 3
0
voti
Ciao
gddvll6.
Ti consiglio di leggere il seguente articolo di
TardoFreak:
http://www.electroyou.it/tardofreak/wik ... -di-musica
gddvll6 ha scritto:Sto pensando di fare un circuito che sia in grado di far lampeggiare alcuni comuni LED, per esempio con cadute di 2 V ciascuno (come quelli rossi), a ritmo della musica che metto dal telefono.
Ti consiglio di leggere il seguente articolo di
http://www.electroyou.it/tardofreak/wik ... -di-musica
0
voti

"Non farei mai parte di un club che accettasse la mia iscrizione" (G. Marx)
-

claudiocedrone
21,3k 4 7 9 - Master EY

- Messaggi: 15302
- Iscritto il: 18 gen 2012, 13:36
0
voti
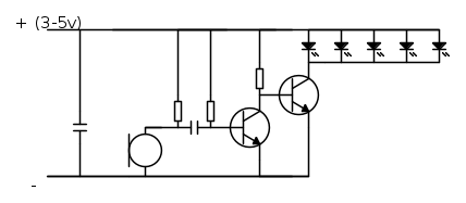
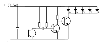
chiedo scusa per l'intrusione e per la prolungata assenza...mi è capitato tra le mani un circuitino molto molto semplice
da sinistra verso destra:
condensatore elettrolitico da 47 uf
microfono
resistenza da 4k7 ohm
cond elettrolitico da 1uf
resistenza da 1M ohm
transistor 9014
res 10k ohm
transistor 9014
5 led blu ad alta luminosità
costruito: funziona!!!!!!!!! ee se volessi variare la sensibilità basterebbe mettere al posto della prima resistenza 4k7 una res variabile? o sto sbagliando resistenza? grazie
da sinistra verso destra:
condensatore elettrolitico da 47 uf
microfono
resistenza da 4k7 ohm
cond elettrolitico da 1uf
resistenza da 1M ohm
transistor 9014
res 10k ohm
transistor 9014
5 led blu ad alta luminosità
costruito: funziona!!!!!!!!! ee se volessi variare la sensibilità basterebbe mettere al posto della prima resistenza 4k7 una res variabile? o sto sbagliando resistenza? grazie

-

andrewonfire
5 3 - Messaggi: 42
- Iscritto il: 28 ago 2013, 15:13
0
voti
Caspita è veromarco438 ha scritto:Quei LED senza resistenza di limitazione li vedo male.
.
-

andrewonfire
5 3 - Messaggi: 42
- Iscritto il: 28 ago 2013, 15:13
0
voti
Beh la corrente che deve scorrere nei led e' correlata alla tensione di alimentazione; per fare calcoli esatti dovresti decidere e manterere una tensione fissa e indicare le caratteristiche dei led.
marco
0
voti
i led lavorano a 3.4 v e li alimento con i 5v dell USB del PC se non erro max 500mA
-

andrewonfire
5 3 - Messaggi: 42
- Iscritto il: 28 ago 2013, 15:13
0
voti
Allora dovresti mettere 5 resistenze da 100 ohm 1/4W.
Devo peraltro dire che quel circuito non mi pare granche' e, benche' i led si accendano, e' uno dei tanti prodotti del web considerati come "bad circuit".
Se ti interessa qualcosa di meglio, visita il blog di
TardoFreak
A proposito: la porta USB puo' fornire 500mA solo quando esista comunicazione che lo richieda tra il computer ed il circuito utilizzatore; diversamente puoi tirar fuori 150/200mA.
Devo peraltro dire che quel circuito non mi pare granche' e, benche' i led si accendano, e' uno dei tanti prodotti del web considerati come "bad circuit".
Se ti interessa qualcosa di meglio, visita il blog di
A proposito: la porta USB puo' fornire 500mA solo quando esista comunicazione che lo richieda tra il computer ed il circuito utilizzatore; diversamente puoi tirar fuori 150/200mA.
marco
22 messaggi
• Pagina 1 di 3 • 1, 2, 3
Torna a Elettronica e spettacolo
Chi c’è in linea
Visitano il forum: Nessuno e 7 ospiti

Elettrotecnica e non solo (admin)
Un gatto tra gli elettroni (IsidoroKZ)
Esperienza e simulazioni (g.schgor)
Moleskine di un idraulico (RenzoDF)
Il Blog di ElectroYou (webmaster)
Idee microcontrollate (TardoFreak)
PICcoli grandi PICMicro (Paolino)
Il blog elettrico di carloc (carloc)
DirtEYblooog (dirtydeeds)
Di tutto... un po' (jordan20)
AK47 (lillo)
Esperienze elettroniche (marco438)
Telecomunicazioni musicali (clavicordo)
Automazione ed Elettronica (gustavo)
Direttive per la sicurezza (ErnestoCappelletti)
EYnfo dall'Alaska (mir)
Apriamo il quadro! (attilio)
H7-25 (asdf)
Passione Elettrica (massimob)
Elettroni a spasso (guidob)
Bloguerra (guerra)





