Ho realizzato con successo un convertitore per microfoni Phantom da 48 a 12 V.
Anche se funziona bene necessiterebbe di un trasformatore audio con rapporto 1:1 da 600 Ohm.
Sul web ne ho trovata una quantità sconfinata e non so orientarmi su quale sia il migliore dato che il micro che ho "riesumato" è di una certa qualità e merita di più rispetto alla mia scatoletta realizzata in casa!
Vanno da pochi centesimi a qualche decina di euro, quale prendo?
Trasformatore Audio
Moderatore:
IsidoroKZ
38 messaggi
• Pagina 1 di 4 • 1, 2, 3, 4
0
voti
Qualche decina d'euro già sono pochi, se il microfono è di buona qualità il trasformatore dovrebbe essere schermato, con una buona linearità e soprattutto che non si saturi quando gli arriva un segnale forte e a bassa frequenza : controlla le specifiche del microfono qual è l'ampiezza del segnale d'uscita alla pressione acustica di 1Pa e rapportala alla pressione acustica che gli applicherai, e poi controlla qual è la frequenza minima del microfono (20Hz?)
Non ho capito cos'ha costruito, un alimentatore phantom alimentato a 12V per alimentare i microfoni a condensatore a 48V con una batteria?
Non ho capito cos'ha costruito, un alimentatore phantom alimentato a 12V per alimentare i microfoni a condensatore a 48V con una batteria?
-

SediciAmpere
4.187 5 5 8 - Master

- Messaggi: 4848
- Iscritto il: 31 ott 2013, 15:00
0
voti
Ciao 16A, è sempre un piacere leggerti!
E' un fucile Sennheiser in realtà ne sono tre, e l'unico dato che ho è che è stato prodotto fino al 1975.
Sicuramente non sono mai stati usati visto che li ho sballati personalmente.
Sono in un ottimo stato anche estetico nonostante tutti questi anni passati.
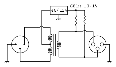
Un adattatore, un riduttore che con una Phantom a 48 V me la porta a 12 V tensione di lavoro dei suddetti fucili.
I microfoni li ho solo visti e chi li ha provati mi ha detto che è rimasto molto colpito dalle caratteristiche dei medesimi.
SediciAmpere ha scritto:...se il microfono è di buona qualità...
E' un fucile Sennheiser in realtà ne sono tre, e l'unico dato che ho è che è stato prodotto fino al 1975.
Sicuramente non sono mai stati usati visto che li ho sballati personalmente.
Sono in un ottimo stato anche estetico nonostante tutti questi anni passati.
SediciAmpere ha scritto:...Non ho capito cos'ha costruito...
Un adattatore, un riduttore che con una Phantom a 48 V me la porta a 12 V tensione di lavoro dei suddetti fucili.
I microfoni li ho solo visti e chi li ha provati mi ha detto che è rimasto molto colpito dalle caratteristiche dei medesimi.
Se quello che funziona basta non lo tocca' sennò te lassa!
0
voti
abusivo ha scritto:Ciao 16A, è sempre un piacere leggerti!
Sono onorato di poterti essere utile
abusivo ha scritto: un riduttore che con una Phantom a 48 V me la porta a 12 V tensione di lavoro dei suddetti fucili.
Hai un microfono che funziona a 12V? Non sapevo neanche che esistessero...
io farei in questo modo:
con un trasformatore con il primario a presa centrale, che ne pensi?
-

SediciAmpere
4.187 5 5 8 - Master

- Messaggi: 4848
- Iscritto il: 31 ott 2013, 15:00
0
voti
SediciAmpere ha scritto:...che ne pensi?
Magari fosse così semplice!
Da quel che ho capito il GND del fucile è solo uno schermo e non ha nulla a che vedere con il riferimento di massa.
Nel modo da te rappresentato non funzionerebbe.
Il connettore del micro, un DIN a tre poli con ghiera, sono presenti:
1) GND o schermo non collegato elettricamente a niente.
2) Negativo di alimentazione
3) positivo di alimentazione + BF
Ho trovato uno schema sul web e l'ho realizzato senza trasformatore con due condensatori al suo posto.
Se quello che funziona basta non lo tocca' sennò te lassa!
0
voti
Ah, ho capito
Il microfono è sbilanciato e vuoi aggiungere il trasformatore per renderlo bilanciato
Il microfono è sbilanciato e vuoi aggiungere il trasformatore per renderlo bilanciato
-

SediciAmpere
4.187 5 5 8 - Master

- Messaggi: 4848
- Iscritto il: 31 ott 2013, 15:00
0
voti
SediciAmpere ha scritto:Ha l'uscita sbilanciata?
Esatto!
In origine aveva il suo alimentatore dedicato ed il cavo in dotazione non era più lungo di 2/3 metri.
SediciAmpere ha scritto:Ah, ho capito
Il microfono è sbilanciato e vuoi aggiungere il trasformatore per renderlo bilanciato
Esatto!
L'idea è proprio quella.
Chi l'ha usato mi ha detto che il micro non ha problemi con cavi relativamente corti ma temo che ci potrebbero essere dei problemi con cavi molto lunghi.
Sul web ho trovato molte notizie e schemi su questo microfono che ancora oggi dice la sua.
L'unica cosa che mi manca è il piccolo trasformatore che lo rende più performante.
Non so come orientarmi!
Se quello che funziona basta non lo tocca' sennò te lassa!
0
voti
Quello che non capisco è perché si debba per forza tirare in ballo un trasformatore con tutti i suoi problemi. Un convertitore elettronico sbilanciato-bilanciato non va bene? Poi non capisco nemmeno la necessità di partire dai 48 volt per ridurli a 12 volt: non si fa prima a partire dai 12 volt?
Sono un (bel po') perplesso..
Sono un (bel po') perplesso..
38 messaggi
• Pagina 1 di 4 • 1, 2, 3, 4
Torna a Elettronica e spettacolo
Chi c’è in linea
Visitano il forum: Nessuno e 15 ospiti

Elettrotecnica e non solo (admin)
Un gatto tra gli elettroni (IsidoroKZ)
Esperienza e simulazioni (g.schgor)
Moleskine di un idraulico (RenzoDF)
Il Blog di ElectroYou (webmaster)
Idee microcontrollate (TardoFreak)
PICcoli grandi PICMicro (Paolino)
Il blog elettrico di carloc (carloc)
DirtEYblooog (dirtydeeds)
Di tutto... un po' (jordan20)
AK47 (lillo)
Esperienze elettroniche (marco438)
Telecomunicazioni musicali (clavicordo)
Automazione ed Elettronica (gustavo)
Direttive per la sicurezza (ErnestoCappelletti)
EYnfo dall'Alaska (mir)
Apriamo il quadro! (attilio)
H7-25 (asdf)
Passione Elettrica (massimob)
Elettroni a spasso (guidob)
Bloguerra (guerra)


