da
IsidoroKZ » 25 gen 2010, 19:08
Ok, grazie. Bastava anche il data sheet del led

Tieni presente che servira` ancora qualche componente tipo resistenze e condensatori, appena li calcolo.
Si trovano dei filtri da 24 V del camion per togliere un po' di disturbi elettrici?
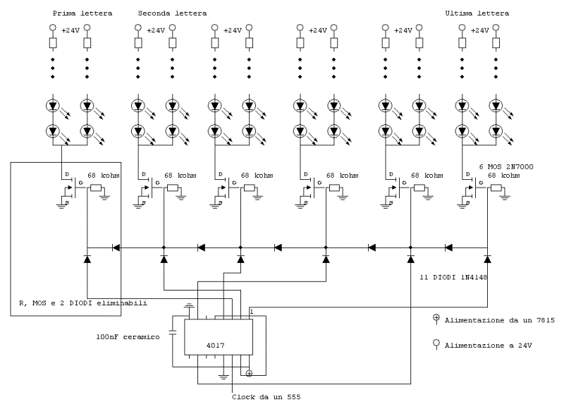
Azz! mi e` venuto in mente che ho dimenticato delle resistenze sullo schema che ho gia` fatto

Allego qui dietro lo schema con le resistenze sul gate.

- scritta1.gif (26.42 KiB) Osservato 2058 volte
Quando sul camion il motore e` fermo, ci sono circa 24 V, mentre con il motore in moto la tensione sale a 28V. Questo puo` provocare un cambiamento di luminosita` dei led, a meno di non fare un circuito un po' piu` complicato.
Fai la seguente prova. Alimenta il led come adesso a 20mA, poi abbassa la corrente (ad esempio cambiando resistenza o regolando l'alimentatore, se e` regolabile) in modo da arrivare a 13mA. La luminosita` scende: e` accettabile quel calo di lumunosita` quando il motore e` fermo? Stessa prova, ma scendendo solo a 15mA: e` accettabile quella riduzione di luminosita`?
Oppure si puo` aggiungere un regolatore di tensione e avere la luminosita` costante sia da fermo che in moto: la scelta e` tua!