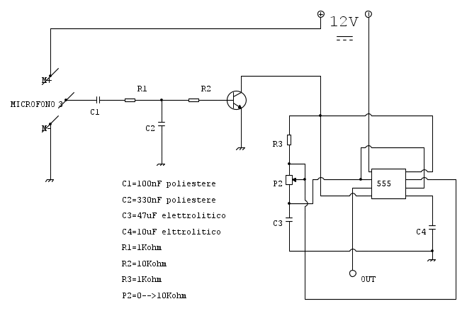
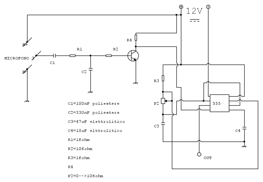
lo schema è questo:
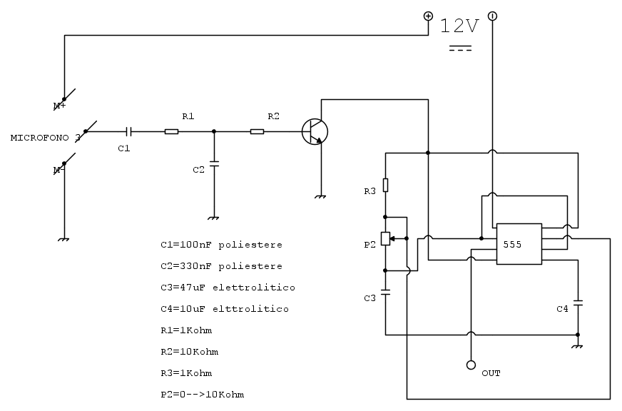
il microfono non è piu ad electrete ma mi a detto di usarne uno a contatto. (per il resto è uguale)
la domanda è sempre la stessa...
.........è giusto...
Moderatore:
IsidoroKZ
dimitri94 ha scritto:quando la musica ha i bassi)
dimitri94 ha scritto:.è giusto...?
g.schgor ha scritto:Sì, ma allora il "livello sonoro" di questi deve perdurare
per un certo tempo al disopra della soglia stabilita
dimitri94 ha scritto:Il collettore del transistor non è alimentato

dimitri94 ha scritto:come lo devo collegare per alimentarlo...?
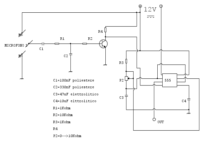
g.schgor ha scritto: mettere anche una resistenza di pull-up al collettore
del transistor, per fornire il consenso al pin4 del 555.

g.schgor ha scritto:(deve oscillare quando c'è segnale, vero?)

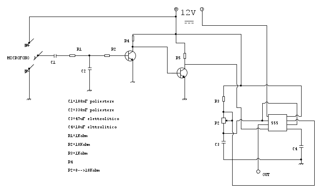
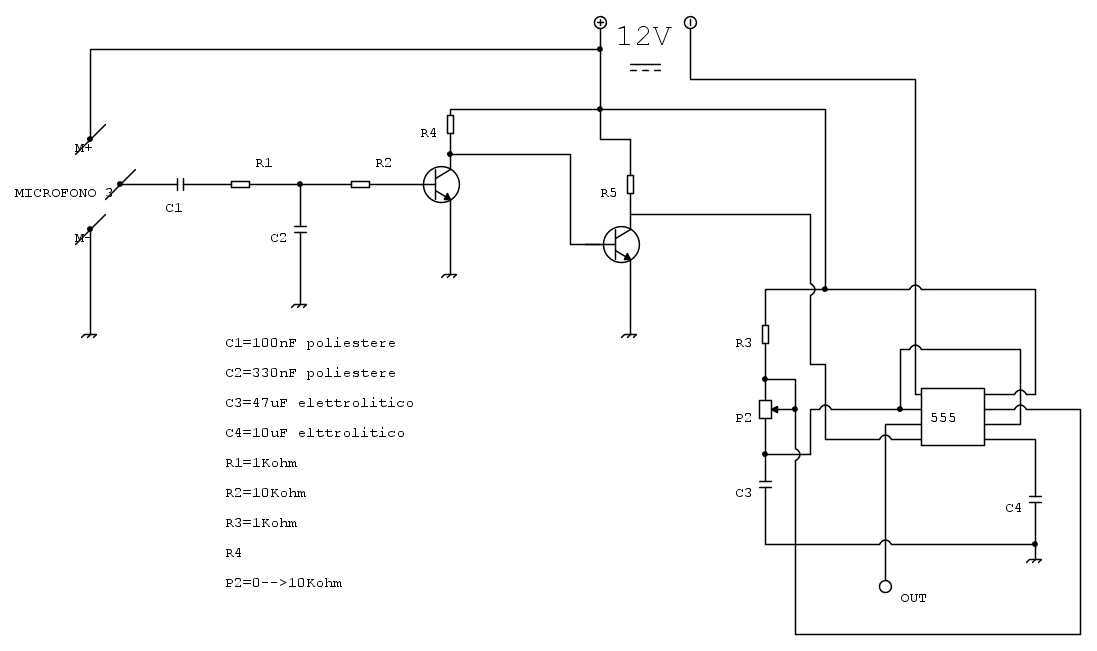
g.schgor ha scritto:occorre mettere un altro transistor
(stessa configurazione) che inverta il segnale
g.schgor ha scritto:che frequenza della "pulsazione sonora" vogliamo rilevare?
(mi riferisco all'intensità del suono nel suo complesso,
non alle singole frequenze)

dimitri94 ha scritto:a monte del rivelatore descritto prima,
Torna a Elettronica e spettacolo
Visitano il forum: Nessuno e 12 ospiti