trigger di schmitt come sintetizzatore
Moderatore:
IsidoroKZ
0
voti
Così potrebbe andare bene quindi?
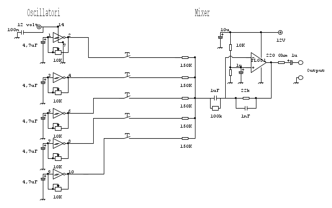
Se si,,quanti oscillatori e quanti ingressi del mixer posso ancora mettere?Qui ne ho usati 5
Sono necessari i potenziometri da 22k se non desidero la miscelazione dei volumi?(sapete i potenziometri costano un botto -.- )
3
voti
I potenziometri da 22kΩ non ti servono. Quello che invece non va bene e` il condensatore da 4.7µF sull'amplificatore e anche la resistenza da 150kΩ sull'amplificatore e` troppo elevata. Anche mettere troppi ingressi dopo un po' abbassa la banda passante, ma la cosa potrebbe non essere troppo preoccupante.
Ho visto che hai due alimentazioni: alimentare tutto a 12V fa proprio tanto schifo? :)
Quante note contemporaneamente vuoi suonare? serve per mettere a posto il volume complessivo.
Provo a fare qualche modifica al circuito, vediamo che cosa viene.
La resistenza da 100kΩ in parallelo al condensatore di ingresso non sono proprio sicuro che serva, al piu` la si toglie, e probabilmente anche il condensatore da 1µF potrebbe essere eliminato e sostituito da un cortocircuito, ma non sono sicurissimo che vada, bisogna provare.
Ho visto che hai due alimentazioni: alimentare tutto a 12V fa proprio tanto schifo? :)
Quante note contemporaneamente vuoi suonare? serve per mettere a posto il volume complessivo.
Provo a fare qualche modifica al circuito, vediamo che cosa viene.
La resistenza da 100kΩ in parallelo al condensatore di ingresso non sono proprio sicuro che serva, al piu` la si toglie, e probabilmente anche il condensatore da 1µF potrebbe essere eliminato e sostituito da un cortocircuito, ma non sono sicurissimo che vada, bisogna provare.
Per usare proficuamente un simulatore, bisogna sapere molta più elettronica di lui
Plug it in - it works better!
Il 555 sta all'elettronica come Arduino all'informatica! (entrambi loro malgrado)
Se volete risposte rispondete a tutte le mie domande
Plug it in - it works better!
Il 555 sta all'elettronica come Arduino all'informatica! (entrambi loro malgrado)
Se volete risposte rispondete a tutte le mie domande
0
voti
Ti ringrazio delle iniziali correzioni..io non vorrei osare troppo ma mi piacerebbe suonare tre note contemporaneamente in modo da poter fare almeno un accordo (tonica modale e dominante)..ho provato a montare ieri su breadboard tre oscillatori con le resistenze da 22k in uscita per mixare ed era come hai ben detto tu ieri sera nel tuo messaggio
Per quanto riguarda l'alimentazione,forse è stato un caso perché nel datasheet posso usare come power supply massimo 18 V,ma alimentando con 12V i trigger,il 40106 se n' andato a farsi benedire..figurati quanto più possiamo "risparmiare" meglio è
Cosa mi consigli di fare?inizio a saldare gli oscillatori e mixer su pezzi separati e poi vedo le eventuali modifiche?
Tieni presente che quando fai tanti oscillatori, questi tendono ad influenzarsi fra di loro, ad esempio con accoppiamenti attraverso l'alimentazione
Per quanto riguarda l'alimentazione,forse è stato un caso perché nel datasheet posso usare come power supply massimo 18 V,ma alimentando con 12V i trigger,il 40106 se n' andato a farsi benedire..figurati quanto più possiamo "risparmiare" meglio è
Cosa mi consigli di fare?inizio a saldare gli oscillatori e mixer su pezzi separati e poi vedo le eventuali modifiche?
0
voti
Che poi gli analogici sono rinomati anche per la loro "stonatura"
Interessa anche a me questo argomento, me lo metto tra i preferiti.
Interessa anche a me questo argomento, me lo metto tra i preferiti.
Per usare un simulatore devi conoscere più elettronica di lui. [
IsidoroKZ]
40. There are two ways to write error-free programs; only the third one works.
[Alan J. Perlis, Epigrams on Programming]
40. There are two ways to write error-free programs; only the third one works.
[Alan J. Perlis, Epigrams on Programming]
2
voti
A 12V i CMOS dovrebbero lavorare senza problemi. Che cosa e` capitato loro?
Con i valori di adesso dovresti poter arrivare fino a 4 e piu` note, fare anche la dominant seventh, la fully diminished seventh e tutte le altre settime che ti passano per la testa.
Con i valori di adesso dovresti poter arrivare fino a 4 e piu` note, fare anche la dominant seventh, la fully diminished seventh e tutte le altre settime che ti passano per la testa.
Per usare proficuamente un simulatore, bisogna sapere molta più elettronica di lui
Plug it in - it works better!
Il 555 sta all'elettronica come Arduino all'informatica! (entrambi loro malgrado)
Se volete risposte rispondete a tutte le mie domande
Plug it in - it works better!
Il 555 sta all'elettronica come Arduino all'informatica! (entrambi loro malgrado)
Se volete risposte rispondete a tutte le mie domande
0
voti
ero talmente preso dalla scoperta del trigger di schmitt (studiando l'oscilloscopio analogico per l'esame di misure elettroniche) che ho preso il datasheet del 40106 ed ho visto un po' le specifiche,sapevo già che la logica cmos lavorava bene anche con i 12 volt e allora non disponendo di batterie cariche da 9 volt (ne ho usata una che secondo me aveva scarsi 6 volt) ho preso quella del trapano e poi niente..Puff,il suono si blocca.
Comunque storiella a parte,è probitivo usare due 40106?cosi arrivo ad una scala di 12 note con 12 oscillatori con altrettanti ingressi al mixer.
Che poi pensandoci bene tanto brutta l'idea di poter modificare l'intonazione quante volte vuoi con i potenziometri non è..sicuramente come ha detto OberroN
pensare di mettere la resistenza specifica per quella nota e credere che rimanga nel tempo è un po' da favoletta.
SOLO CHE COSTANO TROPPO STI POTENZIOMETRI!
Comunque storiella a parte,è probitivo usare due 40106?cosi arrivo ad una scala di 12 note con 12 oscillatori con altrettanti ingressi al mixer.
Che poi pensandoci bene tanto brutta l'idea di poter modificare l'intonazione quante volte vuoi con i potenziometri non è..sicuramente come ha detto OberroN
Che poi gli analogici sono rinomati anche per la loro "stonatura"
pensare di mettere la resistenza specifica per quella nota e credere che rimanga nel tempo è un po' da favoletta.
SOLO CHE COSTANO TROPPO STI POTENZIOMETRI!
0
voti
0
voti
I multivibratori multivibrano?
Che tensione esce dall'operazionale?
Che tensione esce dall'operazionale?
Per usare proficuamente un simulatore, bisogna sapere molta più elettronica di lui
Plug it in - it works better!
Il 555 sta all'elettronica come Arduino all'informatica! (entrambi loro malgrado)
Se volete risposte rispondete a tutte le mie domande
Plug it in - it works better!
Il 555 sta all'elettronica come Arduino all'informatica! (entrambi loro malgrado)
Se volete risposte rispondete a tutte le mie domande
Torna a Elettronica e spettacolo
Chi c’è in linea
Visitano il forum: Nessuno e 12 ospiti

Elettrotecnica e non solo (admin)
Un gatto tra gli elettroni (IsidoroKZ)
Esperienza e simulazioni (g.schgor)
Moleskine di un idraulico (RenzoDF)
Il Blog di ElectroYou (webmaster)
Idee microcontrollate (TardoFreak)
PICcoli grandi PICMicro (Paolino)
Il blog elettrico di carloc (carloc)
DirtEYblooog (dirtydeeds)
Di tutto... un po' (jordan20)
AK47 (lillo)
Esperienze elettroniche (marco438)
Telecomunicazioni musicali (clavicordo)
Automazione ed Elettronica (gustavo)
Direttive per la sicurezza (ErnestoCappelletti)
EYnfo dall'Alaska (mir)
Apriamo il quadro! (attilio)
H7-25 (asdf)
Passione Elettrica (massimob)
Elettroni a spasso (guidob)
Bloguerra (guerra)







