da
dimitri94 » 7 giu 2012, 18:17
dinuovo ciao a tutti
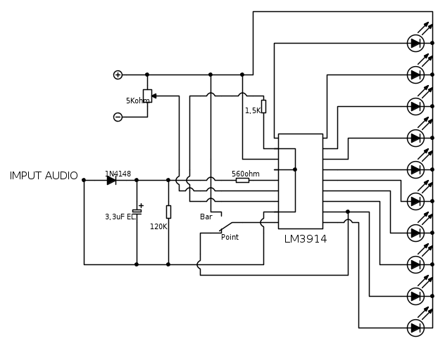
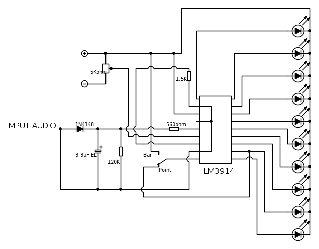
...riapro la discussione in quanto ho perso un po di appunti dei miei circuiti e tra quelli c' era quello del vu meter che avevo realizzato...
ho recuperato solo lo schema che ho provveduto a mettere a punto eccolo:
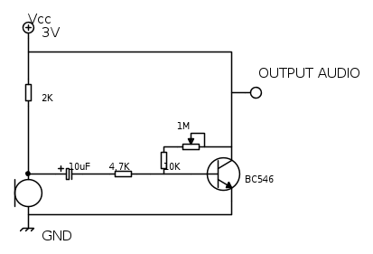
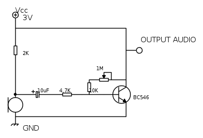
ora però la sorgente audio è un microfono ad electrete di cui ho gia fatto il circuito di amplificazione:
l' imput audio del 3914 lo devo prendere come da disegno giusto..?
grazie mille
ciaoo
