non me ne intendo, quindi non so valutare, questo ti può essere utile ?
http://www.renatogiussani.it/Reti.htm
http://www.renatogiussani.it/download.htm
Nuclei toroidali e filtri crossover
Moderatore:
IsidoroKZ
14 messaggi
• Pagina 2 di 2 • 1, 2
0
voti
(a dir poco 
"Non farei mai parte di un club che accettasse la mia iscrizione" (G. Marx)
-

claudiocedrone
21,3k 4 7 9 - Master EY

- Messaggi: 15303
- Iscritto il: 18 gen 2012, 13:36
7
voti
nikiT ha scritto:Dai parametri che ho fornito e da quelli indicati da RS, si può valutare se il circuito funzionerà?
Un po' in ritardo
La risposta e` triplice
1) Si` funziona
2) Non so quanto bene funzioni
3) Potrebbe anche fare schifo
In realta` ci sono tre elementi da considerare in questo circuito. Il primo e` la corrente che passa negli induttori (punto 1). Qui non ci sono problemi. Hai un amplificatore da 20W che su un carico da 4Ω fa una tensione di picco di circa 13V. La corrente che circola nelle induttanze, non essendoci risonanze con Q elevati e` circa 13V/4Ω=3.3A circa, e quindi sei sotto al massimo sopportato dall'induttore.
Questo vuol dire che non ci sono problemi di satura "dura" e neanche di sovrariscaldamento. In realta` il riscaldamento va ancora meglio perche' la potenza media erogata da un amplificatore da 20W che riproduce un segnale musicale e` dalle parti di pochi watt, a causa della statistica delle ampiezze del segnale. Quell'induttore quindi va bene. Una simulazione rapida fatta con componenti ideali e altoparlante resistivo da` i seguenti risultati
In verde la corrente attraverso l'induttore del passa basso, in blu quella attraverso l'induttore del passa alto. La corrente massima e` dalle parti di 3.3A
Il modello idealizzato non e` preciso, ma i risultati sono abbastanza simili alla realta` per non avere sorprese
La seconda risposta "non so" si riferisce alle distorsioni introdotte dalla non linearita` dell'induttore. Sul data sheet non ci sono indicazioni di quanto diminuisce l'induttanza al salire della corrente e di conseguenza stimare le distorsioni diventa una operazione da palla di cristallo. Si protebbero prendere i dati di induttanze simili, ma sarebbe comunque un guesswork. A dire il vero anche avendo i dati, il conto e` decisamente complicato, da farsi in forma numerica.
La terza risposta "Potrebbe anche fare schifo" non si riferisce all'uso di quegli induttori, ma al problema della fase di questi filtri. Le due funzioni di trasferimento per il canale alti e canale bassi sono in questa figura:
Le curve continue sono la funzione di trasferimento dei due canali. Si vede che hanno il taglio a 2.2kHz come da progetto, non ci sono picchi...
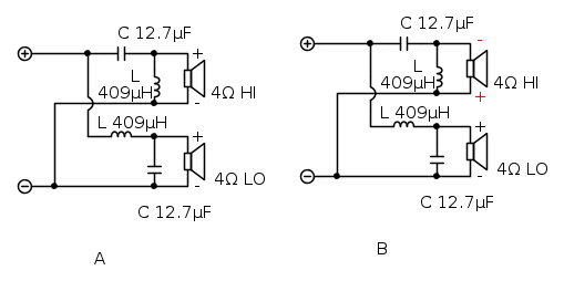
I guai arrivano con la fase (curve tratteggiate) che alla frequenza di taglio e` +90 gradi per il passa alto e -90 gradi per il passa basso. Se si collegano gli altoparlanti "in fase" con il negativo dell'altoparlante al riferimento, come nello schema A di questa figura
capita che in corrispondenza della frequenza di crossover i due altoparlanti sono pilotati in opposizione di fase e il volume percepito scende. Se l'efficienza dei due altoparlanti fosse la stessa, si avrebbe un buco come quello della curva rossa nella figura seguente
La realta` non e` cosi` netta, a causa di tolleranze, parametri non considerati... ma il buco c'e`.
Se invece si invertono le connessioni del canale alto, come in figura B dello schema, alla frequenza di crossover si pilotano in fase i due altoparlanti e si ottiene una curva di "volume" come quella verde.
Per usare proficuamente un simulatore, bisogna sapere molta più elettronica di lui
Plug it in - it works better!
Il 555 sta all'elettronica come Arduino all'informatica! (entrambi loro malgrado)
Se volete risposte rispondete a tutte le mie domande
Plug it in - it works better!
Il 555 sta all'elettronica come Arduino all'informatica! (entrambi loro malgrado)
Se volete risposte rispondete a tutte le mie domande
0
voti
Il problema che mi hai esposto è chiaro. A questo punto, direi che vale la pena di spendere un paio d'euro per fare qualche prova e vedere come va, collegando con l'opportuna fase i due altoparlanti. Se la soluzione dovesse fornire risultati migliori del solito condensatore per realizzare l'economicissimo filtro passa-alto di primo ordine, sarebbe già tanto.
Grazie mille!
Ciao,
Niki
14 messaggi
• Pagina 2 di 2 • 1, 2
Torna a Elettronica e spettacolo
Chi c’è in linea
Visitano il forum: Nessuno e 20 ospiti

Elettrotecnica e non solo (admin)
Un gatto tra gli elettroni (IsidoroKZ)
Esperienza e simulazioni (g.schgor)
Moleskine di un idraulico (RenzoDF)
Il Blog di ElectroYou (webmaster)
Idee microcontrollate (TardoFreak)
PICcoli grandi PICMicro (Paolino)
Il blog elettrico di carloc (carloc)
DirtEYblooog (dirtydeeds)
Di tutto... un po' (jordan20)
AK47 (lillo)
Esperienze elettroniche (marco438)
Telecomunicazioni musicali (clavicordo)
Automazione ed Elettronica (gustavo)
Direttive per la sicurezza (ErnestoCappelletti)
EYnfo dall'Alaska (mir)
Apriamo il quadro! (attilio)
H7-25 (asdf)
Passione Elettrica (massimob)
Elettroni a spasso (guidob)
Bloguerra (guerra)





