Cos'è ElectroYou | Login Iscriviti

ElectroYou - la comunità dei professionisti del mondo elettrico

Luci a tempo di musica

hi-fi, luci, suoni, effetti speciali, palcoscenici...

Moderatore: Foto UtenteIsidoroKZ

0
voti

[11] Re: Luci a tempo di musica

Messaggioda Foto Utentethunderbolt128 » 2 ago 2013, 15:02

Matteo1991 ha scritto:Chiedo venia! ho detto una cavolata (credevo funzionasse in modo analogo a quello a carbone...). Dunque è sufficiente mettere un terminale a massa e uno sull'ingresso di un amplificatore?

Riguardo al microfono a elettrarete non sono molto sicuro, meglio aspettare una conferma da
Foto UtenteFedericoSibona ma ho visto sulla rete lo schema di un preamplificatore per microfoni ad elettrarete che se volete posso postare :ok:
Alla fine, non ricorderemo le parole dei nostri nemici, ma i silenzi dei nostri amici.
Martin Luther King
Avatar utente
Foto Utentethunderbolt128
1.640 1 8 13
Expert
Expert
 
Messaggi: 721
Iscritto il: 4 set 2012, 13:57

-1
voti

[12] Re: Luci a tempo di musica

Messaggioda Foto Utentetaipana » 2 ago 2013, 16:40

allora grazie a tutti per l'aiuto e scusate se non sono poco chiaro,siccome sto recuperando dei microfoni per casa. Quello che io pensavo fosse a condensatore era un piezo però non lo uso perché non so la polarità e non ce diversità tra i due poli o indicazioni così ho preso un microfono di uno strobo rotto che quando fischio,cambia la resistenza
Avatar utente
Foto Utentetaipana
-6 2
 
Messaggi: 10
Iscritto il: 29 mag 2013, 15:54

1
voti

[13] Re: Luci a tempo di musica

Messaggioda Foto UtenteStefDrums » 2 ago 2013, 17:13

Matteo1991 ha scritto:Chiedo venia! ho detto una cavolata (credevo funzionasse in modo analogo a quello a carbone...). Dunque è sufficiente mettere un terminale a massa e uno sull'ingresso di un amplificatore?


beh, non è il massimo della "precisione" ma sì.
se però hai bisogno di selezionare varie bande del segnale, ti conviene pensare bene a tutto lo stadio:

preampli -> filtri -> controllo LED
Avatar utente
Foto UtenteStefDrums
240 1 6 9
Stabilizzato
Stabilizzato
 
Messaggi: 367
Iscritto il: 20 feb 2013, 14:15

-1
voti

[14] Re: Luci a tempo di musica

Messaggioda Foto Utentetaipana » 2 ago 2013, 17:46

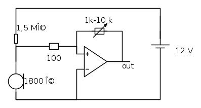
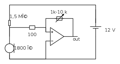
HO provato a fare un impiantino ma l'uscita dall'out è di 2,5 v e varia di 0,01 v se ci parli vicino al microfono,come faccio a fargli aumentare il range in modo tale da vedere una differenza di tensione per ogni parola diversa e comunque ha bisogno di alcune aggiunte il circuito? In questo modo dopo gli mettevo un comparatore e se la tensione dell'entrata non-invertente era maggiore rispetto a quella invertente,il led si accendeva

Ultima modifica di Foto Utentetaipana il 2 ago 2013, 18:06, modificato 1 volta in totale.
Avatar utente
Foto Utentetaipana
-6 2
 
Messaggi: 10
Iscritto il: 29 mag 2013, 15:54

3
voti

[15] Re: Luci a tempo di musica

Messaggioda Foto Utentemarco438 » 2 ago 2013, 17:47

Mah.
marco
Avatar utente
Foto Utentemarco438
37,1k 7 11 13
-EY Legend-
-EY Legend-
 
Messaggi: 16323
Iscritto il: 24 mar 2010, 15:09
Località: Versilia

Precedente

Torna a Elettronica e spettacolo

Chi c’è in linea

Visitano il forum: Nessuno e 17 ospiti