Piercarlo ha scritto:Anche tu ti sei preso una cotta per le valvole!

Oh, data di un bel po' di tempo fa
Diciamo che quando più di dieci anni fa dove lavoro hanno smaltito quello che rimaneva in fondo agli armadi (soprattutto valvole RF, abbastanza spesso in cattivo stato), non tutto è partito fra i rifiuti...
Quando si presenta l'occasione, provo a giocarci un po'.
Piercarlo ha scritto:1) Bufferizzare con un emitter follower PNP le uscite anodiche di entrambi i triodi in modo da ridurre di molto l'impedenza di uscita
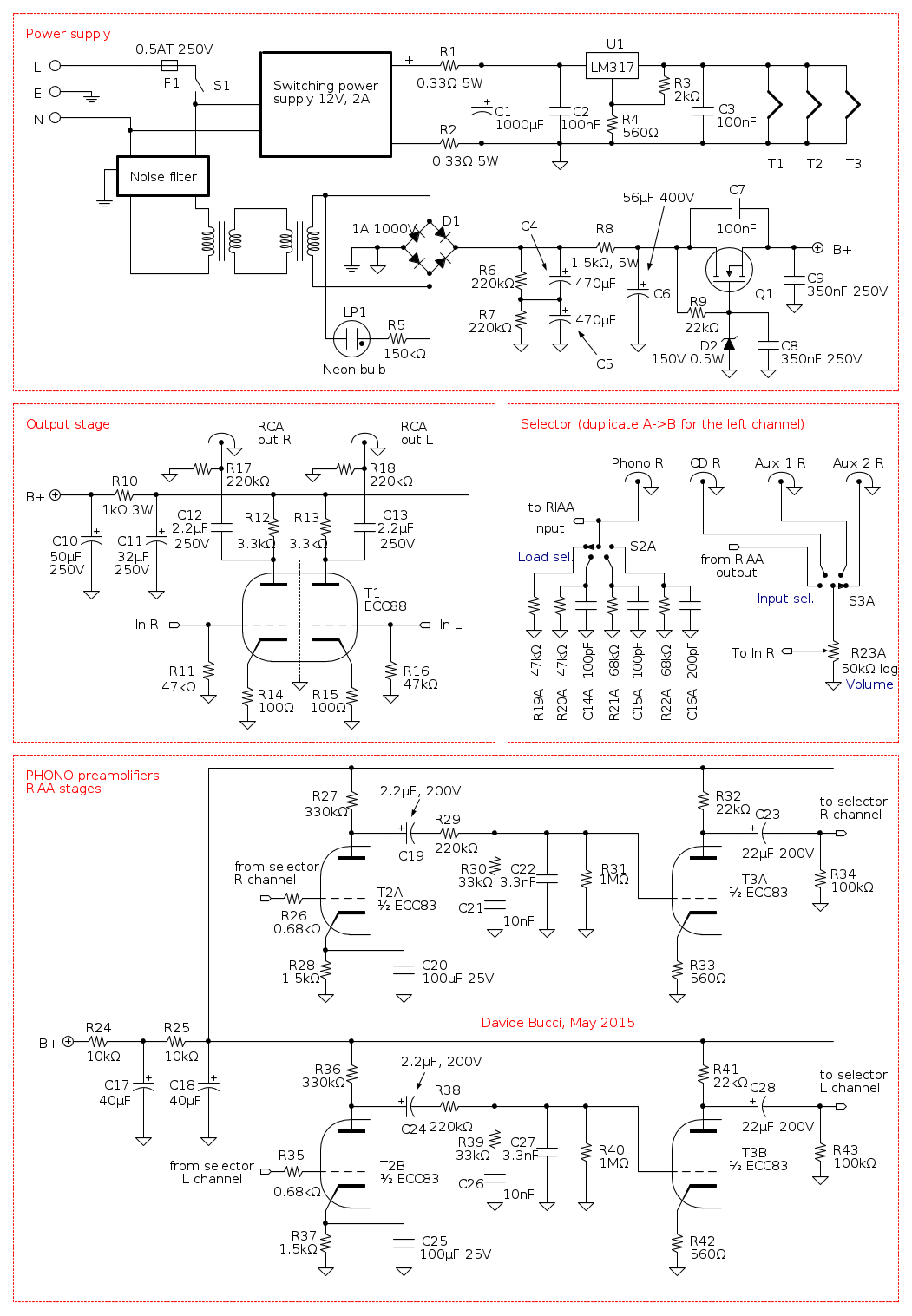
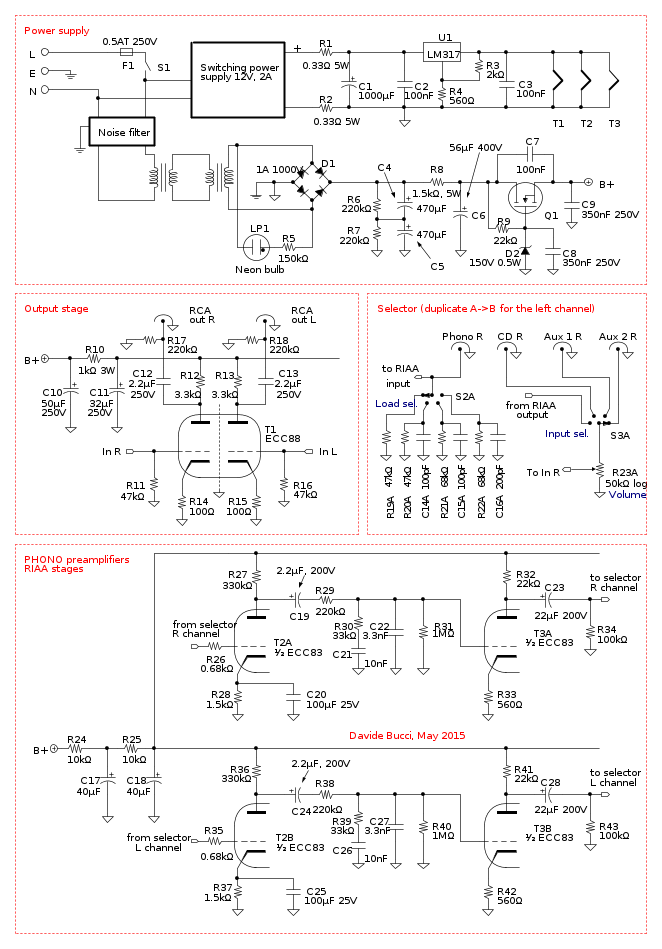
Prendo nota per il futuro, però così com'è con i componenti mostrati sopra, la rete RIAA tiene conto dell'impedenza di uscita dello stadio a triodo che precede. Ho prima calcolato analiticamente i valori delle resistenze e dei condensatori, poi ho colto l'occasione di provare ad utilizzare LTspice con dei modelli di triodo ed ho ritoccato i valori per ottenere un buon accordo con la curva teorica (fornirò maggiori dettagli a breve). Tra l'altro, ho visto alcune discrepanze nel calcolo dei punti di polarizzazione di T2, proverò a vedere che non sia capitato su una valvola un po' spompa... Invece le misure di risposta in frequenza mostrano un accordo eccellente fra le simulazioni e la curva prevista.
Invece mi verrebbe comodo ridurre l'impedenza in altri punti, anche solo per prevedere un'uscita per cuffia.
Piercarlo ha scritto:3) vi sarebbe un'ulteriore finezza: caricare l'anodo dei triodi non con una resistenza ma con dei generatori di corrente che farebbe sprofondare la distorsione dei tubi a livelli di uno stato solido,
Molto interessante, prendo nota. Ieri sera ho provato un po' ed ho misurato una distorsione di seconda armonica dalle parti di 0,15% per una tensione di uscita di 0.4V picco picco, ad una frequenza di 500Hz, per il solo stadio preamplificatore Phono/RIAA (quindi formato dalle sole T2 e T3). Il segnale di ingresso è dalle parti di 6mV picco picco. Come ho detto prima, sto ancora riorganizzandomi le idee.
claudiocedrone ha scritto:ma personalmente ho oltrepassato l'audiofilia e utilizzo su vasta scala l'audio digitale oppure vado di opposto estremo... l'audioriproduzione esclusivamente meccanica
Io mi sto divertendo molto con il giradischi, ma nessuno mi leverà dalla testa che per quanto riguarda la qualità pura di riproduzione, un CD ed un buon ampli allo stato solido funzionino in maniera eccellente. Però tutte queste prove sono molto divertenti!
