Ground condivisa e nessuna soluzione.
Moderatore:
IsidoroKZ
28 messaggi
• Pagina 2 di 3 • 1, 2, 3
0
voti
Potresti anche disaccoppiare il segnale audio tra le due schede con un trasformatore audio...
Alberto
La vita è come una bicicletta, devi sempre pedalare per rimanere in equilibrio
Annuncio sempre valido: http://www.electroyou.it/forum/viewtopic.php?f=10&t=62668
La vita è come una bicicletta, devi sempre pedalare per rimanere in equilibrio
Annuncio sempre valido: http://www.electroyou.it/forum/viewtopic.php?f=10&t=62668
-

AlbertoBianchi
2.009 3 5 - Master

- Messaggi: 836
- Iscritto il: 4 dic 2014, 18:30
- Località: Lastra a Signa (FI)
0
voti
provo a rifare i collegamenti, la schedina electret sembra non funzionare più 
0
voti
la resistenza mi ha fatto saltare tutto. e non so come sia possibile
0
voti
Ti è saltato anche l'ampli?
Alberto
La vita è come una bicicletta, devi sempre pedalare per rimanere in equilibrio
Annuncio sempre valido: http://www.electroyou.it/forum/viewtopic.php?f=10&t=62668
La vita è come una bicicletta, devi sempre pedalare per rimanere in equilibrio
Annuncio sempre valido: http://www.electroyou.it/forum/viewtopic.php?f=10&t=62668
-

AlbertoBianchi
2.009 3 5 - Master

- Messaggi: 836
- Iscritto il: 4 dic 2014, 18:30
- Località: Lastra a Signa (FI)
0
voti
Ehy Alberto, l'ampli no. Ho collegato un jack e mandato un segnale audio e funziona! Perché questa domanda?
0
voti
La schedina electret non risponde più. Non so perché e come potrei recuperarla. È tutto SMD
0
voti
Basterebbe sostituire il max4466, anche se è SMD, è un lavoro che si può fare con un saldatore a punta fine.
Il datasheet dice che l'integrato regge il corto indefinito dell'uscita su GND e VCC, per cui ci deve essere stato un contatto accidentale della VCC o della VCC su un altro pin sensibile (è l'unica possibilità che mi viene in mente)
Il datasheet dice che l'integrato regge il corto indefinito dell'uscita su GND e VCC, per cui ci deve essere stato un contatto accidentale della VCC o della VCC su un altro pin sensibile (è l'unica possibilità che mi viene in mente)
Alberto
La vita è come una bicicletta, devi sempre pedalare per rimanere in equilibrio
Annuncio sempre valido: http://www.electroyou.it/forum/viewtopic.php?f=10&t=62668
La vita è come una bicicletta, devi sempre pedalare per rimanere in equilibrio
Annuncio sempre valido: http://www.electroyou.it/forum/viewtopic.php?f=10&t=62668
-

AlbertoBianchi
2.009 3 5 - Master

- Messaggi: 836
- Iscritto il: 4 dic 2014, 18:30
- Località: Lastra a Signa (FI)
0
voti
Probabilmente la vcc accidentalmente ha toccato con l'out. Delicatissime queste schedine. Una domanda. Se honun incremento di 20 db significa che ho amplificato il segnale audio per venti volte?
0
voti
No, 20dB equivalgono ad un guadagno in tensione pari a 10 ( dB= 20log(Vout/Vin) )
Alberto
La vita è come una bicicletta, devi sempre pedalare per rimanere in equilibrio
Annuncio sempre valido: http://www.electroyou.it/forum/viewtopic.php?f=10&t=62668
La vita è come una bicicletta, devi sempre pedalare per rimanere in equilibrio
Annuncio sempre valido: http://www.electroyou.it/forum/viewtopic.php?f=10&t=62668
-

AlbertoBianchi
2.009 3 5 - Master

- Messaggi: 836
- Iscritto il: 4 dic 2014, 18:30
- Località: Lastra a Signa (FI)
2
voti
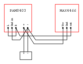
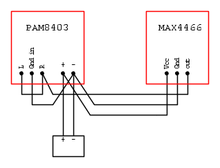
Prova a collegarli come segue
Apparentemente sembra lo stesso ma in realtà è diverso: devi collegare i fili disponendoli proprio come ho disegnato e i tre fili che collegano il pre è bene che siano corti e vicini tra loro, meglio se twistati tra loro e soprattutto i collegamenti a Gnd devono ancorarsi tutti proprio sul morsetto meno dell'amplificatore, non va bene ancorarli in punti diversi del filo che va verso il meno della batteria...è il modo migliore per farlo oscillare.
Se anche così non va puoi provare a inserire una R da un centinaio di ohm in serie al positivo del pre e un condensatore elettrolitico da un centinaio di uF in parallelo all'alimentazione del pre montato proprio sui morsetti + e - del pre
Apparentemente sembra lo stesso ma in realtà è diverso: devi collegare i fili disponendoli proprio come ho disegnato e i tre fili che collegano il pre è bene che siano corti e vicini tra loro, meglio se twistati tra loro e soprattutto i collegamenti a Gnd devono ancorarsi tutti proprio sul morsetto meno dell'amplificatore, non va bene ancorarli in punti diversi del filo che va verso il meno della batteria...è il modo migliore per farlo oscillare.
Se anche così non va puoi provare a inserire una R da un centinaio di ohm in serie al positivo del pre e un condensatore elettrolitico da un centinaio di uF in parallelo all'alimentazione del pre montato proprio sui morsetti + e - del pre
-

BrunoValente
39,6k 7 11 13 - G.Master EY

- Messaggi: 7796
- Iscritto il: 8 mag 2007, 14:48
28 messaggi
• Pagina 2 di 3 • 1, 2, 3
Torna a Elettronica e spettacolo
Chi c’è in linea
Visitano il forum: Nessuno e 12 ospiti

Elettrotecnica e non solo (admin)
Un gatto tra gli elettroni (IsidoroKZ)
Esperienza e simulazioni (g.schgor)
Moleskine di un idraulico (RenzoDF)
Il Blog di ElectroYou (webmaster)
Idee microcontrollate (TardoFreak)
PICcoli grandi PICMicro (Paolino)
Il blog elettrico di carloc (carloc)
DirtEYblooog (dirtydeeds)
Di tutto... un po' (jordan20)
AK47 (lillo)
Esperienze elettroniche (marco438)
Telecomunicazioni musicali (clavicordo)
Automazione ed Elettronica (gustavo)
Direttive per la sicurezza (ErnestoCappelletti)
EYnfo dall'Alaska (mir)
Apriamo il quadro! (attilio)
H7-25 (asdf)
Passione Elettrica (massimob)
Elettroni a spasso (guidob)
Bloguerra (guerra)
