Cos'è ElectroYou | Login Iscriviti

ElectroYou - la comunità dei professionisti del mondo elettrico

Sampietrini che si illuminano al calpestarli

hi-fi, luci, suoni, effetti speciali, palcoscenici...

Moderatore: Foto UtenteIsidoroKZ

0
voti

[11] Re: Circuito temporizzato con cd4060

Messaggioda Foto Utentevenexian » 4 ott 2018, 17:09

Lookerbie ha scritto:ma riuscirò a ottenere l'effetto di fade out?

Non con quel circuito, ma con questo sì.

Immagine
Avatar utente
Foto Utentevenexian
6.369 3 4 7
Master
Master
 
Messaggi: 2188
Iscritto il: 13 mag 2017, 10:07
Località: Venezia (ma va?)

0
voti

[12] Re: Circuito temporizzato con cd4060

Messaggioda Foto Utenteg.schgor » 4 ott 2018, 18:02

Il dimensionamento del circuito del post10 dipende dal LED usato.
Con un LED da 2V 20mA i valori sono:
R3=330
R4=68k
R=4.7k
C=47uF

La simulazione mostra che la corrente del LED
diminuisce esponenzialmente da 20mA
a meno di 5mA in 5s.
Avatar utente
Foto Utenteg.schgor
57,8k 9 12 13
G.Master EY
G.Master EY
 
Messaggi: 16971
Iscritto il: 25 ott 2005, 9:58
Località: MILANO

0
voti

[13] Re: Circuito temporizzato con cd4060

Messaggioda Foto Utentevenexian » 4 ott 2018, 18:41

Nel circuito in [10], quando il condensatore è caricato a 9 V, il transistor è in saturazione e ci resta fino a quando quella tensione non scende poco sopra la V_{BE}. Se è in saturazione non c'è alcun fading.

Sempre che non si voglia utilizzare il transistor in zona attiva sfruttando l'amplificazione di corrente... ma spero non sia questo il criterio di progetto (e di simulazione).
Immagine
Avatar utente
Foto Utentevenexian
6.369 3 4 7
Master
Master
 
Messaggi: 2188
Iscritto il: 13 mag 2017, 10:07
Località: Venezia (ma va?)

0
voti

[14] Re: Circuito temporizzato con cd4060

Messaggioda Foto UtenteGuidoB » 5 ott 2018, 11:59

Lookerbie ha scritto:A che precisione può arrivare? Per me se sbaglia di mezz'ora può non essere un problema, se sbaglia di qualche ora allora si.

Considerando che in un giorno ci sono 86400 secondi e che il 4060 divide per 16384, dovresti regolare gli oscillatori perché abbiano un periodo di 5,2734375 s. Se sbagliassi a regolare il periodo di 0,22 s (in più o in meno), ogni giorno l'attivazione slitterebbe (in più o in meno) di circa un'ora. Il secondo giorno l'errore accumulato sarebbe di due ore, il terzo giorno di tre, e così via. Senza contare altri errori dovuti a cambi di temperatura ecc.
Usando due divisori 4060 in serie potresti leggere la frequenza con un frequenzimetro e regolarla con più precisione, forse ottenendo un errore dell'ordine di 10 minuti (che però si accumulano) ogni giorno.

Una possibilità è attivare/sincronizzare i cubi manualmente ogni due-tre sere, per esempio passandoci sopra un magnete, e utilizzare la temporizzazione per spegnerli automaticamente dopo 6 o 12 ore (le ore possono essere 6 o 12 invece di 8?).

È possibile collegare i cubi tra loro con un cavetto interrato? È possibile qualunque topologia (in una lunga catena, a stella, ad albero ecc.). In tal caso potresti centralizzare sia l'alimentazione che la temporizzazione in un cubo "principale", usando meno pile ma più grosse, e ottenendo automaticamente la sincronizzazione dell'attivazione serale di tutti i cubi. Semplificheresti anche il circuito dei cubi "secondari".

Può piovere o nevicare sui cubi? Può scendere molto la temperatura?

Lookerbie ha scritto:
GuidoB ha scritto:2) Potresti invece utilizzare un sensore (fotoresistenza per esempio) per rilevare la luminosità ambientale, e permettere l'accensione dei led solo quando fuori c'è buio. Se non hai bisogno di mantenere l'ora, potresti costruire un circuito con autospegnimento, che non consuma nulla quando i led sono spenti.

Si, ci ho pensato ma questi cubi andranno a sostituire dei "sampietrini" in un cortile, verranno quindi azionati se calpestati e credo che una fotoresistenza non mi distinguerebbe il buio da un piede.

Si può rendere la risposta "lenta" per filtrare oscuramenti brevi.

L'attivazione di tutti i cubi (se non collegati tra loro) non sarà contemporanea quando fa buio, a causa delle tolleranze dei vari componenti, ma avverrà presumibilmente nel giro di un quarto d'ora o mezz'ora.

Lookerbie ha scritto:
GuidoB ha scritto:3) Se non è un problema, potresti eliminare del tutto la limitazione di orario o luminosità ambientale, e permettere l'accensione dei led in ogni caso. Tanto, il consumo ad ogni azionamento è basso. Il circuito si semplificherebbe.

Potrei anche fare così se la luce non fosse percepibile di giorno. La terrei come soluzione di scorta, a quel punto eviterei il 4060 in toto.

Un po' la luce si vedrebbe. Se è accettabile, direi che è la soluzione più semplice. Ma c'è molto calpestío di giorno?

Lookerbie ha scritto:Il cubo sarà nel terreno, con un solo lato esposto, quello da cui emetterà luce. Dovrà appunto sostituire dei sampietrini. ho pensato ad un sensore capacitivo, come ad un fotodiodo per rilevare il calpestamento, ma mi oscurerebbero la trasmissione della luce nella faccia libera. Più semplice usare un pulsante, anche se sarà più complessa la meccanica costruttiva (ma so a chi affidarmi).

La faccia superiore dei cubi è bianca/opalina?
Se l'ambiente è comunque un po' illuminato, la soluzione più semplice potrebbe essere un fotodiodo o una fotoresistenza, che può stare a una breve distanza dalla superficie e quindi non interferire con la trasmissione della luce. L'interruttore però è più facile da gestire nel circuito.

Se riesci a fare delle prove in campo, forse è possibile mettere a punto un circuito che con una sola fotoresistenza rilevi sia il giorno/notte che il calpestío. Potrei pensarci nel fine settimana.

Una curiosità: è qualche tipo di installazione artistica?
Big fan of ƎlectroYou!       Ausili per disabili e anziani su ƎlectroYou
Caratteri utili: À È É Ì Ò Ó Ù α β γ δ ε η θ λ μ π ρ σ τ φ ω Ω º ª ² ³ √ ∛ ∜ ₀ ₁ ₂ ₃ ₄ ₅ ₆ ∃ ∄ ∆ ∈ ∉ ± ∓ ∾ ≃ ≈ ≠ ≤ ≥
Avatar utente
Foto UtenteGuidoB
17,8k 7 12 13
G.Master EY
G.Master EY
 
Messaggi: 2811
Iscritto il: 3 mar 2011, 16:48
Località: Madrid

0
voti

[15] Re: Circuito temporizzato con cd4060

Messaggioda Foto UtenteLookerbie » 5 ott 2018, 12:31

GuidoB ha scritto:
Lookerbie ha scritto:A che precisione può arrivare? Per me se sbaglia di mezz'ora può non essere un problema, se sbaglia di qualche ora allora si.

Considerando che in un giorno ci sono 86400 secondi e che il 4060 divide per 16384, dovresti regolare gli oscillatori perché abbiano un periodo di 5,2734375 s. Se sbagliassi a regolare il periodo di 0,22 s (in più o in meno), ogni giorno l'attivazione slitterebbe (in più o in meno) di circa un'ora. Il secondo giorno l'errore accumulato sarebbe di due ore, il terzo giorno di tre, e così via. Senza contare altri errori dovuti a cambi di temperatura ecc.

Usando due divisori 4060 in serie potresti leggere la frequenza con un frequenzimetro e regolarla con più precisione, forse ottenendo un errore dell'ordine di 10 minuti (che però si accumulano) ogni giorno.


La serie di 4060 potrebbe essere una soluzione. Ma se invece del circuito RC uso un oscillatore al quarzo miglioro la precisione?

GuidoB ha scritto:Una possibilità è attivare/sincronizzare i cubi manualmente ogni due-tre sere, per esempio passandoci sopra un magnete, e utilizzare la temporizzazione per spegnerli automaticamente dopo 6 o 12 ore (le ore possono essere 6 o 12 invece di 8?).


Si le ore possono essere tra le 6 e le 12, mi interessa solo funzioni al buio. L'intervento ogni 3 giorni potrebbe anche essere fattibile. Se va bene durerà un mese, in fondo una decina di volte si può intervenire.

GuidoB ha scritto:È possibile collegare i cubi tra loro con un cavetto interrato? È possibile qualunque topologia (in una lunga catena, a stella, ad albero ecc.). In tal caso potresti centralizzare sia l'alimentazione che la temporizzazione in un cubo "principale", usando meno pile ma più grosse, e ottenendo automaticamente la sincronizzazione dell'attivazione serale di tutti i cubi. Semplificheresti anche il circuito dei cubi "secondari".

Può piovere o nevicare sui cubi? Può scendere molto la temperatura?


Saranno in un cortile aperto, ma non potrò stendere cavi. Sarebbe bellissimo farli comunicare e attivare insieme, ma magari in una seconda versione. Comunque sicuramente ci pioverà e potrebbe anche nevicarci sopra.

GuidoB ha scritto:Si può rendere la risposta "lenta" per filtrare oscuramenti brevi.

L'attivazione di tutti i cubi (se non collegati tra loro) non sarà contemporanea quando fa buio, a causa delle tolleranze dei vari componenti, ma avverrà presumibilmente nel giro di un quarto d'ora o mezz'ora.


eviterei le fotoresistenze , poi l'attivazione non contemporanea non sarebbe un problema.


GuidoB ha scritto:Un po' la luce si vedrebbe. Se è accettabile, direi che è la soluzione più semplice. Ma c'è molto calpestío di giorno?
.
.
.
La faccia superiore dei cubi è bianca/opalina?
Se riesci a fare delle prove in campo, forse è possibile mettere a punto un circuito che con una sola fotoresistenza rilevi sia il giorno/notte che il calpestío. Potrei pensarci nel fine settimana.


Si, il calpestio è maggiore di giorno che di notte. la faccia superiore sarà opalina ma non potrò fare prove sul campo.

Probabilmente a questo punto mi converrebbe tenerle accese sempre. Poi nel caso cambio le pile quando serve...



GuidoB ha scritto:Una curiosità: è qualche tipo di installazione artistica?


Si è per una installazione artistica. Se va in porto vi svelo dove e se riesco farò citare il forum nei ringraziamenti :D
Avatar utente
Foto UtenteLookerbie
5 4
New entry
New entry
 
Messaggi: 65
Iscritto il: 2 mar 2012, 19:13

0
voti

[16] Re: Circuito temporizzato con cd4060

Messaggioda Foto UtenteLookerbie » 5 ott 2018, 16:02

g.schgor ha scritto:Il dimensionamento del circuito del post10 dipende dal LED usato.
Con un LED da 2V 20mA i valori sono:
R3=330
R4=68k
R=4.7k
C=47uF

La simulazione mostra che la corrente del LED
diminuisce esponenzialmente da 20mA
a meno di 5mA in 5s.


Che tipo di transistor devo usare? Ho provato con un BD679 ma non ottengo risultati
Avatar utente
Foto UtenteLookerbie
5 4
New entry
New entry
 
Messaggi: 65
Iscritto il: 2 mar 2012, 19:13

0
voti

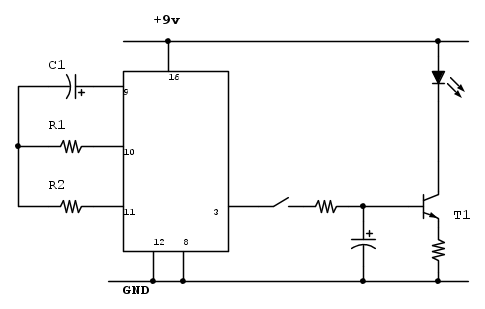
[17] Re: Circuito temporizzato con cd4060

Messaggioda Foto Utentevenexian » 5 ott 2018, 16:05

Lookerbie ha scritto:non ottengo risultati

Perché quel circuito non funziona.
Immagine
Avatar utente
Foto Utentevenexian
6.369 3 4 7
Master
Master
 
Messaggi: 2188
Iscritto il: 13 mag 2017, 10:07
Località: Venezia (ma va?)

1
voti

[18] chiusura del conRe: Circuito temporizzato con cd4060

Messaggioda Foto Utenteg.schgor » 5 ott 2018, 19:05

Il transistor nella simulazione è 2N2222A
L'andamento della corrente nel LED
con la chiusura del contatto per 2s è questo:

LEDèil.gif
LEDèil.gif (7.68 KiB) Osservato 5419 volte


Prova ad applicare direttamente +9V al contatto.
Avatar utente
Foto Utenteg.schgor
57,8k 9 12 13
G.Master EY
G.Master EY
 
Messaggi: 16971
Iscritto il: 25 ott 2005, 9:58
Località: MILANO

1
voti

[19] Re: Circuito temporizzato con cd4060

Messaggioda Foto Utenteelfo » 5 ott 2018, 19:18

Lookerbie ha scritto:Ho provato con un BD679 ma non ottengo risultati

il BD679 e' un darlington
https://www.st.com/resource/en/datasheet/cd00000939.pdf

Il circuito e' stato dimensionato/simulato con un transistor semplice
Avatar utente
Foto Utenteelfo
6.819 4 5 7
G.Master EY
G.Master EY
 
Messaggi: 2828
Iscritto il: 15 lug 2016, 13:27

0
voti

[20] Re: Circuito temporizzato con cd4060

Messaggioda Foto UtenteGuidoB » 6 ott 2018, 0:57

Lookerbie ha scritto:La serie di 4060 potrebbe essere una soluzione. Ma se invece del circuito RC uso un oscillatore al quarzo miglioro la precisione?

Certo che la migliori. Potresti usare un quarzo da orologio (32,768 kHz) e tre 4060 in cascata, uno dei quali collegato come divisore per 10800 utilizzando alcuni componenti esterni.

Mettendo il quarzo al freddo il temporizzatore potrebbe perdere 1 o 2 s al giorno, che per te sono trascurabili.

Come regoli l'orario? Potresti semplicemente far partire il temporizzatore collegando la pila all'ora in cui vuoi l'accensione, oppure collegare un contatto reed azionabile da magnete avvicinato esternamente nel momento in cui vuoi l'accensione.

I cubi verrebbero attivati per 12 ore ogni giorno.

Lookerbie ha scritto:...sicuramente ci pioverà e potrebbe anche nevicarci sopra.

Allora dovrai chiudere i circuiti in contenitori ermetici (pensavo a vasetti di vetro con coperchio a vite, dopo se mai ti faccio un disegno).

Dovrai controllare che tutti i componenti (comprese le pile) possano funzionare a basse temperature (anche sotto zero, mi sembra di capire).

Se non ci sono parti in movimento non rischi che si blocchino congelandosi.
Forse dovrai eliminare l'umidità nell'interno dei contenitori dei circuiti (con un sacchettino di gel di silice?) e forse prendere qualche altra precauzione di cui non sono a conoscenza.

Lookerbie ha scritto:eviterei le fotoresistenze , poi l'attivazione non contemporanea non sarebbe un problema.

E invece, dei sensori di luce (fotoresistenze o fotodiodi) potrebbero essere una soluzione semplice per capire se è giorno o notte, e per capire se il cubetto è stato calpestato.

Perché eviteresti le fotoresistenze?

Lookerbie ha scritto:...non potrò fare prove sul campo.

Ahi ahi ahi... le prove sul campo rivelano spesso problemi imprevisti.
Comunque non c'è bisogno di interrare niente.
Se pensi di usare fotoresistenze o fotodiodi, per la messa a punto sarebbe utile provare sul posto (con la sua illuminazione diurna e notturna) se un cubetto si attiva correttamente quando viene calpestato (e non quando viene coperto da un'ombra, per esempio).
Se non è possibile provare nel luogo definitivo, potresti andare in un posto simile?

Lookerbie ha scritto:Probabilmente a questo punto mi converrebbe tenerle accese sempre. Poi nel caso cambio le pile quando serve...

Sembra la soluzione più semplice per iniziare.

Lookerbie ha scritto:
GuidoB ha scritto:Una curiosità: è qualche tipo di installazione artistica?

Si è per una installazione artistica. Se va in porto vi svelo dove e se riesco farò citare il forum nei ringraziamenti :D

Grazie! Anche qualche foto sarà molto gradita!
Big fan of ƎlectroYou!       Ausili per disabili e anziani su ƎlectroYou
Caratteri utili: À È É Ì Ò Ó Ù α β γ δ ε η θ λ μ π ρ σ τ φ ω Ω º ª ² ³ √ ∛ ∜ ₀ ₁ ₂ ₃ ₄ ₅ ₆ ∃ ∄ ∆ ∈ ∉ ± ∓ ∾ ≃ ≈ ≠ ≤ ≥
Avatar utente
Foto UtenteGuidoB
17,8k 7 12 13
G.Master EY
G.Master EY
 
Messaggi: 2811
Iscritto il: 3 mar 2011, 16:48
Località: Madrid

PrecedenteProssimo

Torna a Elettronica e spettacolo

Chi c’è in linea

Visitano il forum: Google [Bot] e 8 ospiti